Cos'è ElectroYou | Login Iscriviti

ElectroYou - la comunità dei professionisti del mondo elettrico

Generatore sinusoidale valutare la tensione transit.e regime

Circuiti, campi elettromagnetici e teoria delle linee di trasmissione e distribuzione dell’energia elettrica

Moderatori: Foto Utenteg.schgor, Foto UtenteIsidoroKZ

0
voti

[1] Generatore sinusoidale valutare la tensione transit.e regime

Messaggioda Foto Utentefabry79napoli » 12 lug 2011, 22:36

Buonasera a tutti nuovamente. Vi propongo un altro esercizio presentato ad una prova di esame ad Ing. Informatica a Napoli... gli sto dando un'occhiata ma ci sono parecchie cose che non mi sono ancora chiare.



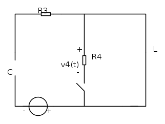
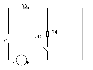
I dati del circuito sono : e1(t)=E0 ; e2(t)= 1(t)*Em*cos(omega*t) + pigreco/4); E0=60V E=Eeff = 42.34V; omega = 10 rad/s ; R1=R3=R= 4 ohm L = 100mH ; C=50mF.

La rete è a regime per t<0. 1(t) è la funzione gradino unitario. Valutare la tensione v4(t) per ogni t.

Ora mi chiedevo ma come si trattano i due generatori uno stazionario l'altro sinusoidale, applichiamo la sovrapposizone degli effetti? Come agisco per t<0 non c'è transitorio giusto? Tutti gli aiuti sono ben accetti che la prox. settimana ho l'esame! :cry: Grazie a tutti!!! :ok:

P.S. : Perdonatemi se per le formule non ho adoperato il LaTex ma ancora non so utlizzarlo, lo farò quanto prima.
Avatar utente
Foto Utentefabry79napoli
0 2
 
Messaggi: 26
Iscritto il: 28 giu 2011, 19:46

1
voti

[2] Re: Generatore sinusoidale valutare la tensione transit.e regime

Messaggioda Foto UtenteRenzoDF » 13 lug 2011, 9:20

fabry79napoli ha scritto:Ora mi chiedevo ma come si trattano i due generatori uno stazionario l'altro sinusoidale, applichiamo la sovrapposizone degli effetti? Come agisco per t<0 non c'è transitorio giusto?

Per t<0 il generatore sinusoidale e' "spento" mentre agisce solo quello in continua e il transitorio avra' avuto tempo "nei secoli dei secoli" di concludersi, no?

Si, si potrebbe anche usare la sovrapposizione, ma direi che non vale la pena separare lo studio in due sotto-parti.

In sostanza
a) devi determinare le condizioni iniziali per t<0 su C e L (servono non piu' di 5 secondi)
b) scrivere l'equazione differenziale in v4(t) per t>0 e risolverla
"Il circuito ha sempre ragione" (Luigi Malesani)
Avatar utente
Foto UtenteRenzoDF
55,9k 8 12 13
G.Master EY
G.Master EY
 
Messaggi: 13189
Iscritto il: 4 ott 2008, 9:55

1
voti

[3] Re: Generatore sinusoidale valutare la tensione transit.e regime

Messaggioda Foto Utentejordan20 » 13 lug 2011, 16:01

Per t < 0 il problema non si pone, poiché essendo e2(t)= 1(t)*Em*cos(omega*t) + pigreco/4) e ricordando che la funzione "gradino" 1(t) vale 0 per t < 0 e 1 per t > 0, negli istanti in cui t è negativo avrai il solo contributo della sorgente di tensione continua. Peraltro, a t = 0- (un istante infinitesimo prima della chiusura del tasto) il circuito è "a regime" (come indica il testo), quindi puoi sostituire il condensatore con un circuito aperto e l'induttore con un cortocircuito, ricavando così le condizioni a t = 0- (che poi saranno quelle a t = 0+, per non violare la continuità della tensione su C e della corrente su L, non avendo infatti termini impulsivi che potrebbero introdurre delle singolarità per t = 0 - attenzione soprattutto al calcolo della condizione iniziale sulla derivata prima della grandezza in questione!). A t = 0+, hai anche il contributo del generatore sinusoidale. Puoi applicare benissimo la sovrapposizione degli effetti oppure trasformare il circuito nel dominio dei fasori (è come se lavorassi in continua, ma devi manipolare numeri complessi) oppure trasformare il circuito nel dominio di s (con Laplace). In entrambi i casi dovrai poi antitrasformare nel dominio del tempo. Oppure senza passare ad altri domini, puoi applicare direttamente, in sostituzione della sovrapposizione degli effetti, il metodo delle correnti d'anello, l'analisi nodale o la risoluzione mediante impostazione delle equazioni di stato che, secondo me, ti da anche un calcolo immediato sulla condizione a t = 0+ relativa alla derivata prima della grandezza incognita. In tutti i casi otterrai sempre un'equazione differenziale del secondo ordine a coefficienti costanti non omogenea, il cui termine forzante sarà la somma di un termine costante (il generatore di tensione continua) e di un termine variabile (il generatore di tensione sinusoidale).
Avatar utente
Foto Utentejordan20
13,0k 5 11 13
G.Master EY
G.Master EY
 
Messaggi: 1550
Iscritto il: 13 lug 2011, 12:55
Località: Palermo

0
voti

[4] Re: Generatore sinusoidale valutare la tensione transit.e regime

Messaggioda Foto Utentefabry79napoli » 13 lug 2011, 16:56

Grazie mille ad entrambi per i preziosi suggerimenti! :ok: Allora inizio a svolgere l'esercizio e se cortesemente potreste visionare i passaggi ve ne sarei grato... partiamo dal caso più semplice t<0 allora il circuito diviene :

Ora vi chiedo non essendoci continuità tra il terminale + e quello - del generatore di tensione v4(t) = 0 qualunque sia t<0 giusto?
Avatar utente
Foto Utentefabry79napoli
0 2
 
Messaggi: 26
Iscritto il: 28 giu 2011, 19:46

1
voti

[5] Re: Generatore sinusoidale valutare la tensione transit.e regime

Messaggioda Foto Utentejordan20 » 13 lug 2011, 17:05

fabry79napoli ha scritto:Ora vi chiedo non essendoci continuità tra il terminale + e quello - del generatore di tensione v4(t) = 0 qualunque sia t<0 giusto?

:ok: giusto! V4(0-) = 0 V. Se procedi con le equazioni di stato considera però che VC(0-) = E e IL(0-) = 0.
Avatar utente
Foto Utentejordan20
13,0k 5 11 13
G.Master EY
G.Master EY
 
Messaggi: 1550
Iscritto il: 13 lug 2011, 12:55
Località: Palermo

0
voti

[6] Re: Generatore sinusoidale valutare la tensione transit.e regime

Messaggioda Foto Utentefabry79napoli » 13 lug 2011, 17:26

OK bene! Per quanto riguarda IL(0-) = 0 ci sono (il circuito è aperto al posto del condensatore) ma perché VC(0-) = E non bisogna tener conto della caduta di tensione su R3?
Avatar utente
Foto Utentefabry79napoli
0 2
 
Messaggi: 26
Iscritto il: 28 giu 2011, 19:46

1
voti

[7] Re: Generatore sinusoidale valutare la tensione transit.e regime

Messaggioda Foto Utentejordan20 » 13 lug 2011, 17:29

fabry79napoli ha scritto:ma perché VC(0-) = E non bisogna tener conto della caduta di tensione su R3?

Se non circola corrente nella maglia che caduta ci deve essere? :D
Avatar utente
Foto Utentejordan20
13,0k 5 11 13
G.Master EY
G.Master EY
 
Messaggi: 1550
Iscritto il: 13 lug 2011, 12:55
Località: Palermo

0
voti

[8] Re: Generatore sinusoidale valutare la tensione transit.e regime

Messaggioda Foto Utentefabry79napoli » 13 lug 2011, 17:31

Giusto!!! Sorry per la stupidagine che ho detto #-o
Avatar utente
Foto Utentefabry79napoli
0 2
 
Messaggi: 26
Iscritto il: 28 giu 2011, 19:46

1
voti

[9] Re: Generatore sinusoidale valutare la tensione transit.e regime

Messaggioda Foto Utentejordan20 » 13 lug 2011, 17:33

Ma figurati! Pensa che io la sto ancora studiando elettrotecnica... e dovrò darla a settembre... brrrrr :D
Avatar utente
Foto Utentejordan20
13,0k 5 11 13
G.Master EY
G.Master EY
 
Messaggi: 1550
Iscritto il: 13 lug 2011, 12:55
Località: Palermo

0
voti

[10] Re: Generatore sinusoidale valutare la tensione transit.e regime

Messaggioda Foto Utentefabry79napoli » 13 lug 2011, 18:00

Io sono ancora più temerario vorrei presentarmi all'appello del 22 Luglio di Introduzione ai Circuiti! #-o Tentar non nuoce...
ad ogni modo ho scritto le equazioni di stato, concordi siano queste? :

C(dv/dt) = -IL-IR4 = -IL-(VR3/R3) = -IL-[E2+V4]/R3 da cui segue : dv/dt = -iL/C - V4/CR3 - E2/CR3
L(di/dt) = VL = IL+V4 da cui segue : di/dt = IL/L + V4/L
Avatar utente
Foto Utentefabry79napoli
0 2
 
Messaggi: 26
Iscritto il: 28 giu 2011, 19:46

Prossimo

Torna a Elettrotecnica generale

Chi c’è in linea

Visitano il forum: Nessuno e 252 ospiti