e quindi, oserei quasi dire "a mente"

Moderatori:
g.schgor,
IsidoroKZ

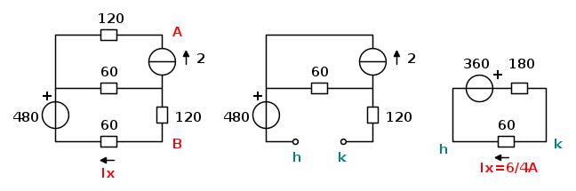
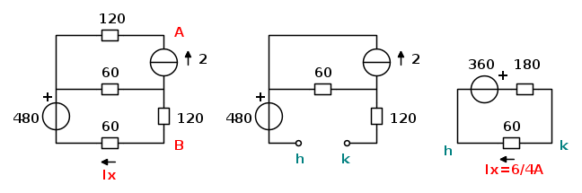
jordan20 ha scritto:In allegato .pdf c'è lo svolgimento del quesito. Il calcolo di E0 è sviluppato sia con l'analisi nodale, sia con la sovrapposizione degli effetti. Se ci sono errori, inesattezze ecc... fatemi sapere
Torna a Elettrotecnica generale
Visitano il forum: Google [Bot] e 24 ospiti