Cos'è ElectroYou | Login Iscriviti

ElectroYou - la comunità dei professionisti del mondo elettrico

Fibre plastiche ed interruttore a sfioramento

Elettronica lineare e digitale: didattica ed applicazioni

Moderatori: Foto Utentecarloc, Foto Utenteg.schgor, Foto UtenteBrunoValente, Foto UtenteIsidoroKZ

0
voti

[11] Re: Fibre plastiche ed interruttore a sfioramento

Messaggioda Foto Utenteeritomo » 12 lug 2011, 21:33

Ciao lelerelele, domani avevo intenzione di passare a prendere led e fototransistor (ne ho uno per rilevare gli infrarossi ma non credo vada bene lo stesso vero ?) però a pensarci bene dato che il lavoro che dovrebbe fare si basa solo sull'interruzione della sorgente luminosa verso il fototransistor, è così importante eliminare i disturbi di luce ambientale ? tanto quando gli arriva luce rimane spento, quando viene a mancargli la luce (causa mio "tappamento" con il dito) lui fa accendere i led. corretto ? ?%

Illuminatemi, perché vorrei capire se sbaglio logica di ragionamento e nel caso iniziare a seguire la retta via !! :mrgreen:
Avatar utente
Foto Utenteeritomo
15 3
 
Messaggi: 44
Iscritto il: 5 feb 2011, 12:45

0
voti

[12] Re: Fibre plastiche ed interruttore a sfioramento

Messaggioda Foto Utentelelerelele » 13 lug 2011, 10:57

per quanto riguarda il sensore infrarosso, va bene solo se deve ricevere luce emessa in infrarosso, se usi la luce diversa è meglio che sia ul sensore a luce visibile.

in caso che tu debba leggere luce qualunque, e che tappi con un dito il fotosensore, non necessita di filtri per eliminare la luce ambiente,
ma visto che parlavi di fibre ottiche, sembrava che dovessi avere un controllo luminoso da questa, ed allora può dare fastidio la lettura di luce ambiente.

poi la lettura sul ricevente la ottieni con un tester, perché se ci devi pilotare qualcosa occorre amplificare il segnale.
Avatar utente
Foto Utentelelerelele
4.899 3 7 9
Master
Master
 
Messaggi: 5505
Iscritto il: 8 giu 2011, 8:57
Località: Reggio Emilia

0
voti

[13] Re: Fibre plastiche ed interruttore a sfioramento

Messaggioda Foto Utenteeritomo » 15 lug 2011, 15:18

Beh allora, principalmente volevo fare un circuito che per mezzo di un led ed un fototransistor (dato che mi pare di aver capito essere più performante di una fotoresistenza) comandasse una di quelle strisce di led che vendono in posti tipo Brico, quelle con un lato appiccicoso, spesse 2-3 mm.

La mia idea era per l'appunto di mettere led e fototransistor ad 1cm circa l'uno dall'altro (ovviamente uno rivolto verso l'altro) finché il fototransistor riceveva luce dal led (o comunque luce in generale) non succedeva nulla, nonappena il suddetto transistor non riceveva luce (anche solo per un attimo come ad esempio il solo accostare un dito) accendeva questa striscia di led e la manteneva accesa (nonostante ricominciasse a ricevere luce) fino ad una nuova interruzione della luce ricevuta che portava il transistor a spegnere la striscia di led appena accesa.

Il fatto delle fibre ottiche era solo una curiosità... volevo provare ad usarle, ma il problema principale è costruire il circuito, delle fibre mi interessa relativamente, in quanto non dovevo avere un controllo, solo che la mia idea era, portare il controllo accendi-spegni del circuitino sopradescritto a circa un metro dalla striscia di led, non volevo avere per forza tutta la basetta con il circuito in giro, volevo fare una cosa pulita, lasciando il circuito imboscato da qualche parte, e portare dove mi serviva solo la fibra, così che tappando il pezzo di fibra che andava fino al fototransistor questi non ricevendo luce accendesse i led.. tutto li :D quello che mi preme di più è il sapere come realizzare il mio circuito :ok: se potete darmi un paio di dritte ve ne sarò grato per sempre !!!!!!!!! =P~
Avatar utente
Foto Utenteeritomo
15 3
 
Messaggi: 44
Iscritto il: 5 feb 2011, 12:45

2
voti

[14] Re: Fibre plastiche ed interruttore a sfioramento

Messaggioda Foto Utentedavidde » 15 lug 2011, 16:43

Io userei un LM567.

Qui trovi tutte le istruzioni per fare la barriera alla quale potrai anche collegare la fibra ottica. L' unica cosa che non va come vorresti è l' uscita che non è toggle. L' uscita per il momento è l' ultimo dei problemi, se riesci a costruire il circuito che funziona dopo possiamo sistemarla come vuoi tu.

Se hai voglia di leggere a riguardo in passato ne abbiamo fatta una molto simile a fibra ottica. La trovi in questo topic. Questa funziona certamente, tutt' ora la sto usando e non sbaglia un colpo. Però è molto complessa rispetto a quello che serve a te quindi ti consiglierei di stare su quella del primo link.
Avatar utente
Foto Utentedavidde
13,3k 4 9 12
G.Master EY
G.Master EY
 
Messaggi: 4026
Iscritto il: 2 ago 2007, 11:40
Località: Bologna

0
voti

[15] Re: Fibre plastiche ed interruttore a sfioramento

Messaggioda Foto Utenteeritomo » 16 lug 2011, 13:51

Ciao davidde, grazie per la gentile risposta, volevo chiederti, al circuito che mi hai postato nel primo link (quello con il 567) posso sostituire ai componenti ir (emettitore e ricevitore) un led tradizionale ed un fototransistor ? nel caso sia possibile devo usare particolari accorgimenti o basta togliere gli uni e mettere gli altri ?
Te lo chiedo perché la fibra ottica plastica attenua tantissimo gli IR infatti nel giro di 40cm l'attenuazione è quasi totale.
Avatar utente
Foto Utenteeritomo
15 3
 
Messaggi: 44
Iscritto il: 5 feb 2011, 12:45

2
voti

[16] Re: Fibre plastiche ed interruttore a sfioramento

Messaggioda Foto Utentedavidde » 17 lug 2011, 10:38

Prego!
Si, direi che puoi sostituirli.
Attento però che nello schema non c'è un fototransistor ma un fotodiodo e che l' emettitore (cioè il led che genera la luce) deve poter illuminare. Non vanno bene i classici led rossi, verdi o gialli perché non sono fatti per illuminare ma soltanto per illuminarsi.Io a suo tempo scelsi una coppia di led e fotodiodo a luce rossa (visibile) proprio perché la fibra non era compatibile con gli infrarossi.
Il led trasmettitore scelto era il TLRH160 mentre il fotodiodo era l' SFH229. Dovresti trovarli entrambi su RS o su Farnell.
Avatar utente
Foto Utentedavidde
13,3k 4 9 12
G.Master EY
G.Master EY
 
Messaggi: 4026
Iscritto il: 2 ago 2007, 11:40
Località: Bologna

0
voti

[17] Re: Fibre plastiche ed interruttore a sfioramento

Messaggioda Foto Utenteeritomo » 18 lug 2011, 12:12

il circuito ke ho costruito a casa funzionante ad infrarossi ha dei componendi diversi da quello che mi hai postato, ed aveva un led ir ed un fototransistor apposta per gli ir!
Stasera te lo posto cosi' mi dici se posso sostituire led e fotorransistor ir con un led normale ed un fototransistor normale! :-)

hai un'idea del componente che potrei invece utilizzare per poter accendere e tener accesa la striscia di led con effetto toggle? la spiegazione esauriente di quello che volevo ottenere la trovi nei miei primi post! :-) grazie mille della pazienza ragazzi siete unci!!
Avatar utente
Foto Utenteeritomo
15 3
 
Messaggi: 44
Iscritto il: 5 feb 2011, 12:45

2
voti

[18] Re: Fibre plastiche ed interruttore a sfioramento

Messaggioda Foto Utentedavidde » 18 lug 2011, 15:47

eritomo ha scritto:hai un'idea del componente che potrei invece utilizzare per poter accendere e tener accesa la striscia di led con effetto toggle?


Si, con un 4027 e al massimo un transistor dovresti riuscire senza problemi. Comunque posta lo schema di quello che hai fatto (mi raccomando in FidoCadJ) così lo prendo e lo modifico per aggiungerti la parte del toggle...
Avatar utente
Foto Utentedavidde
13,3k 4 9 12
G.Master EY
G.Master EY
 
Messaggi: 4026
Iscritto il: 2 ago 2007, 11:40
Località: Bologna

1
voti

[19] Re: Fibre plastiche ed interruttore a sfioramento

Messaggioda Foto Utentelelerelele » 18 lug 2011, 17:12

oppure con un flip-flop a transistor.

sim FF-t.png
sim FF-t.png (45.03 KiB) Osservato 7756 volte




e qua ci sono i risultati della simulazione.

osc copia.png
osc copia.png (49.83 KiB) Osservato 7754 volte

come vedi, ad ogni commutazione del segnale di controllo C, sul fronte di discesa, si ha la commutazione dello stato, importante che l'impulso sia stretto.
Avatar utente
Foto Utentelelerelele
4.899 3 7 9
Master
Master
 
Messaggi: 5505
Iscritto il: 8 giu 2011, 8:57
Località: Reggio Emilia

1
voti

[20] Re: Fibre plastiche ed interruttore a sfioramento

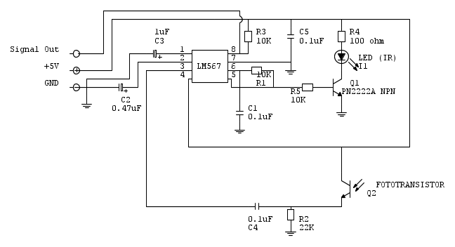
Messaggioda Foto Utenteeritomo » 19 lug 2011, 20:31

Ciao ragazzi, eccomi qui !!

allora davidde, ti posto lo schema di quello che ho fatto ora (ad infrarossi) tu calcola che al posto del fototransistor IR e del led IR voglio metterci un led normalissimo ed un fototransistor normale (non ir).

Il circuito che ho fatto è un attivo basso, ossia il pin 8 va a zero quando un oggetto riflette il raggio IR.
l'ho copiato pari pari allo schema che ho seguito !



Grazie di tutto !!

lelerelele non ho ben capito come dovrei "attaccare" il flip-flop che consigli tu al mio circuitino.. scusa l'incompetenza esagerata.... :oops:
Avatar utente
Foto Utenteeritomo
15 3
 
Messaggi: 44
Iscritto il: 5 feb 2011, 12:45

PrecedenteProssimo

Torna a Elettronica generale

Chi c’è in linea

Visitano il forum: Nessuno e 48 ospiti