
relè spdt.
Moderatori:
carloc,
g.schgor,
BrunoValente,
IsidoroKZ
0
voti
[11] Re: relè spdt.
Se fossero indipendenti si, ma nello schema sono alimentate insieme.


http://millefori.altervista.org
Tool gratuito per chi sviluppa su millefori.
Tutti sanno che una cosa è impossibile da realizzare, finché arriva uno sprovveduto che non lo sa e la inventa. (A. Einstein)
Se non c'e` un 555 non e` un buon progetto (IsidoroKZ)
Strumento per formule
Tool gratuito per chi sviluppa su millefori.
Tutti sanno che una cosa è impossibile da realizzare, finché arriva uno sprovveduto che non lo sa e la inventa. (A. Einstein)
Se non c'e` un 555 non e` un buon progetto (IsidoroKZ)
Strumento per formule
-

posta10100
5.550 4 10 13 - Master EY

- Messaggi: 4832
- Iscritto il: 5 nov 2006, 0:09
0
voti
[12] Re: relè spdt.
scusate mi potete spiegare questa cose dellaresto frenato forse mi potrebbe essere utile.
2
voti
[13] Re: relè spdt.
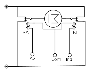
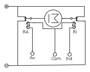
Lo schema è questo
* se alimenti RA il motore gira in un senso....
* se alimenti RI gira nell'altro....
* se non ne alimenti nessuno (o anche se li alimenti tutti e due) il motore non ha alimentazione ed è cortocircuitato e questo tende a frenarlo e si ferma in un tempo minore che lasciandolo aperto...
NB questo circuito (ma quello di prima anche di più) stressa molto i contatti dei relè, se il motore è 2A nominali cerca due relè "belli grossi"... almeno 10A o 16A
* se alimenti RA il motore gira in un senso....
* se alimenti RI gira nell'altro....
* se non ne alimenti nessuno (o anche se li alimenti tutti e due) il motore non ha alimentazione ed è cortocircuitato e questo tende a frenarlo e si ferma in un tempo minore che lasciandolo aperto...
NB questo circuito (ma quello di prima anche di più) stressa molto i contatti dei relè, se il motore è 2A nominali cerca due relè "belli grossi"... almeno 10A o 16A
Se ti serve il valore di beta: hai sbagliato il progetto!
2
voti
[14] Re: relè spdt.
E occhio che alcuni relè hanno una portata differente per le due vie (NO e NC), e una può essere molto minore dell'altra. Per esempio, un po' di tempo fa ho comprato dei relè con portata da 30 A (sul contatto NO), ma non mi ero accorto che sul contatto NC la portata fosse solo di 3 A. Io ho usato quest'ultimo e ho fuso due relè (dopo poche decine di operazioni) prima di accorgermi della cappella 
It's a sin to write
instead of
(Anonimo).
...'cos you know that
ain't
, right?
You won't get a sexy tan if you write
in lieu of
.
Take a log for a fireplace, but don't take
for
arithm.
instead of
(Anonimo)....'cos you know that
ain't
, right?You won't get a sexy tan if you write
in lieu of
.Take a log for a fireplace, but don't take
for
arithm.-

DirtyDeeds
55,9k 7 11 13 - G.Master EY

- Messaggi: 7012
- Iscritto il: 13 apr 2010, 16:13
- Località: Somewhere in nowhere
0
voti
[15] Re: relè spdt.
proprio quello che cervavo io 2 marce e un fermo ma io al posto di un comune ho solo due fili che si ivertono....
avevo postato il primo schema con avanti e indietro e fermo usavo un interruttore per spegnere tutto e far satare fermo il motore ma se posso fare avanti e indietro e fermo solo con 2 fili che si invertono sarebbe ottimo..
avevo postato il primo schema con avanti e indietro e fermo usavo un interruttore per spegnere tutto e far satare fermo il motore ma se posso fare avanti e indietro e fermo solo con 2 fili che si invertono sarebbe ottimo..
2
voti
[16] Re: relè spdt.
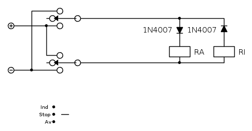
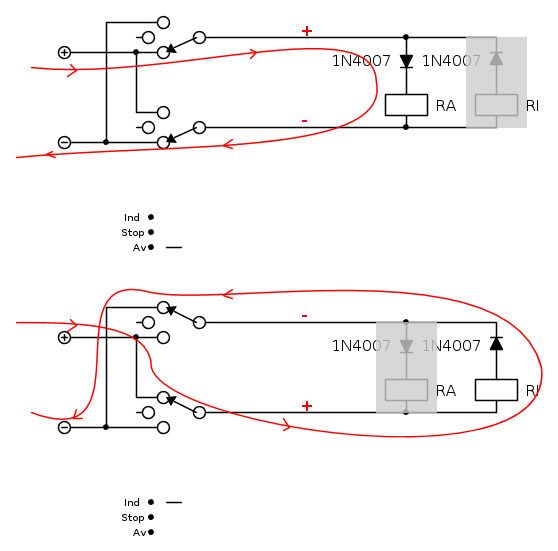
Ti serve un "doppio deviatore a zero centrale" e due diodi....
questa è solo la parte di controllo (il comando delle bobine dei relè), la parte di potenza (il comando del motore) resta quella di prima...
questa è solo la parte di controllo (il comando delle bobine dei relè), la parte di potenza (il comando del motore) resta quella di prima...
Se ti serve il valore di beta: hai sbagliato il progetto!
0
voti
[17] Re: relè spdt.
non l'ho capito tanto il circuito me lo potresti spiegare...
tu dici che con questo sistema posso far girare il motore in 2 sensi + l'arresto con i due fili di comando si invertono.
tu dici che con questo sistema posso far girare il motore in 2 sensi + l'arresto con i due fili di comando si invertono.
10
voti
[18] Re: relè spdt.
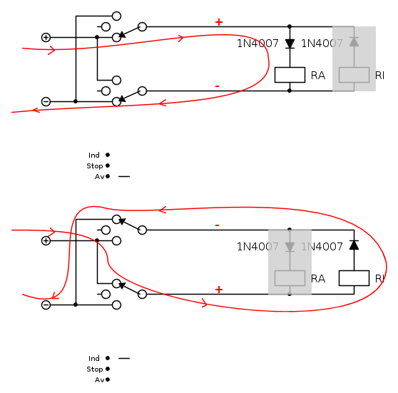
Se lo vedi con il commutatore come è disegnato sopra ai due file non hai alimentazione, nessun relè è attratto ed il motore è fermo...
Invece se sposti il commutatore su avanti sui due fili hai il positivo "di sopra" ed i diodi fanno attrarre solo RA e il motore girarà in un verso
l'opposto se muovi il commutatore su indietro
Invece se sposti il commutatore su avanti sui due fili hai il positivo "di sopra" ed i diodi fanno attrarre solo RA e il motore girarà in un verso
l'opposto se muovi il commutatore su indietro
Se ti serve il valore di beta: hai sbagliato il progetto!
0
voti
[19] Re: relè spdt.
grazie ora ho capito che rele mi consigli con il circuito di comando 8v 1A e il circuito di potenza 8V 2A.
1
voti
[20] Re: relè spdt.
Non mi è molto chiaro cosa intendi....
quattro domande quattro....
il circuito di comando sarà alimentato ad 8V ?
che vuol dire che il circuito di comando ha 1A ?
Il motore sarà alimentato ad 8V ?
il motore ha corrente nominale 2A ?
per quattro risposte
quattro domande quattro....
il circuito di comando sarà alimentato ad 8V ?
che vuol dire che il circuito di comando ha 1A ?
Il motore sarà alimentato ad 8V ?
il motore ha corrente nominale 2A ?
per quattro risposte
Se ti serve il valore di beta: hai sbagliato il progetto!
Chi c’è in linea
Visitano il forum: Nessuno e 181 ospiti

Elettrotecnica e non solo (admin)
Un gatto tra gli elettroni (IsidoroKZ)
Esperienza e simulazioni (g.schgor)
Moleskine di un idraulico (RenzoDF)
Il Blog di ElectroYou (webmaster)
Idee microcontrollate (TardoFreak)
PICcoli grandi PICMicro (Paolino)
Il blog elettrico di carloc (carloc)
DirtEYblooog (dirtydeeds)
Di tutto... un po' (jordan20)
AK47 (lillo)
Esperienze elettroniche (marco438)
Telecomunicazioni musicali (clavicordo)
Automazione ed Elettronica (gustavo)
Direttive per la sicurezza (ErnestoCappelletti)
EYnfo dall'Alaska (mir)
Apriamo il quadro! (attilio)
H7-25 (asdf)
Passione Elettrica (massimob)
Elettroni a spasso (guidob)
Bloguerra (guerra)




