scusate di relè nn capisco molto.... che relè mi consigliate co i dati del primo post??
ma dove andrà attacato il motore nel circuito??
relè spdt.
Moderatori:
carloc,
g.schgor,
BrunoValente,
IsidoroKZ
0
voti
[23] Re: relè spdt.
Allora, se ho ben capito, sia il motore che i rele' dovrebbero funzionare con una tensione di 8V.
Visto quanto ti hanno gia' spiegato in precedenza, sceglierei due rele' con bobina 9VCC e contatti da 10A. (si puo' fare anche con un solo rele' doppio scambio avente le medesime caratteristiche)
Se poi ho male interpretato quanto hai scritto, chiarisci meglio la situazione.

Visto quanto ti hanno gia' spiegato in precedenza, sceglierei due rele' con bobina 9VCC e contatti da 10A. (si puo' fare anche con un solo rele' doppio scambio avente le medesime caratteristiche)
Se poi ho male interpretato quanto hai scritto, chiarisci meglio la situazione.

marco
0
voti
[24] Re: relè spdt.
scusete la mia ignoranza...
ma devo capire come si eccitano le bobine e dove va collegato il motore..
ma devo capire come si eccitano le bobine e dove va collegato il motore..
0
voti
[25] Re: relè spdt.
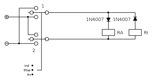
Nella mia prima risposta ho riportato due link.. Qualcosa mi dice che non li hai aperti..
Comunque, come si può vedere dagli schemi riportati da carloc, la bobina si eccita applicando tensione positiva a un terminale e 0V all'altro terminale della bobina. Anche le connessioni del motore attraverso i contatti del relè sembrano abbastanza chiare.
Comunque, non hai ancora risposto alle domande di carloc, che onestamente sono le stesse che mi sono fatto pure io allo stesso momento.
Ti riporto alla pagina di wikipedia sul relè, sperando che sia abbastanza chiaro il suo funzionamento.
Comunque, come si può vedere dagli schemi riportati da carloc, la bobina si eccita applicando tensione positiva a un terminale e 0V all'altro terminale della bobina. Anche le connessioni del motore attraverso i contatti del relè sembrano abbastanza chiare.
Comunque, non hai ancora risposto alle domande di carloc, che onestamente sono le stesse che mi sono fatto pure io allo stesso momento.
Ti riporto alla pagina di wikipedia sul relè, sperando che sia abbastanza chiaro il suo funzionamento.
0
voti
[26] Re: relè spdt.
ok il funzionamento lo so ma e quello che dice marco è quello che cercavo io...
ma non capisco come vengano eccitate le bobine di RA e RI.
una domanda e forse o capito.
ma il cambio di 1 e 2 viene fatto manualmente in questo schema?
ma non capisco come vengano eccitate le bobine di RA e RI.
una domanda e forse o capito.
ma il cambio di 1 e 2 viene fatto manualmente in questo schema?
0
voti
[27] Re: relè spdt.
Quei sei pallini a sinistra dello schema, rappresentano altrettanti contatti di un doppio deviatore da azionarsi manualmente, sul genere di questo: http://it.farnell.com/c-k-components/gt ... dp/1437676
Ci siamo adesso o c'e' ancora qualcosa che non hai capito?

Ci siamo adesso o c'e' ancora qualcosa che non hai capito?

marco
0
voti
[28] Re: relè spdt.
ok marco ora o capito pensavo che 1 e 2 fossero dei contatti dei rele.
scusate mi sono spiegato male questa operazione deve venir fatta tutta auomatica. vi rispiego.
il ciruito di comando inverte da solo il positivo e i negativo e io devo fare in modo che anche il motore inverta la direzione scusate se allinizio mi sono spiegato male e anche adesso credo ma forse con questi "schemi".
per andare in avanti il + e il - sono cosi
quando deve andare indietro il + e il - del circuito di comando
sto parlando dei contatti del circuito di comando quegli che dovrebbero eccitare i relè.
scusate mi sono spiegato male questa operazione deve venir fatta tutta auomatica. vi rispiego.
il ciruito di comando inverte da solo il positivo e i negativo e io devo fare in modo che anche il motore inverta la direzione scusate se allinizio mi sono spiegato male e anche adesso credo ma forse con questi "schemi".
per andare in avanti il + e il - sono cosi
quando deve andare indietro il + e il - del circuito di comando
sto parlando dei contatti del circuito di comando quegli che dovrebbero eccitare i relè.
0
voti
[29] Re: relè spdt.
teo125 ha scritto:scusate mi sono spiegato male questa operazione deve venir fatta tutta auomatica. vi rispiego.
il ciruito di comando inverte da solo il positivo e i negativo e io devo fare in modo che anche il motore inverta la direzione scusate se allinizio mi sono spiegato male.......
E, purtroppo continui a spiegarti peggio.
Cosa vuol dire "il circuito di comando inverte da solo....." ; non vuoi neanche muovere una levetta???
"E io devo fare in modo che anche il motore......" Una volta azionato il circuito di comando, questa operazione viene fatta dai rele che, invertendo la polarita' di alimentazione del motore,cambiano il senso di marcia.

marco
0
voti
[30] Re: relè spdt.
si ma io non posso interagire con il circuito deve avvenire tutto in automatico.
io prima dei relè ho una centralina che ogni tot inverte i contatti il positivo diventa negativo e viceversa e devo far in modo che anche il motore inverta il senso di marcia.
deve avvenire in modo automatico.
scusate se mi sono spiegato male le altre volte, spero che stavolta mi sono spiegato bene.
io prima dei relè ho una centralina che ogni tot inverte i contatti il positivo diventa negativo e viceversa e devo far in modo che anche il motore inverta il senso di marcia.
deve avvenire in modo automatico.
scusate se mi sono spiegato male le altre volte, spero che stavolta mi sono spiegato bene.
Chi c’è in linea
Visitano il forum: Google Adsense [Bot] e 52 ospiti

Elettrotecnica e non solo (admin)
Un gatto tra gli elettroni (IsidoroKZ)
Esperienza e simulazioni (g.schgor)
Moleskine di un idraulico (RenzoDF)
Il Blog di ElectroYou (webmaster)
Idee microcontrollate (TardoFreak)
PICcoli grandi PICMicro (Paolino)
Il blog elettrico di carloc (carloc)
DirtEYblooog (dirtydeeds)
Di tutto... un po' (jordan20)
AK47 (lillo)
Esperienze elettroniche (marco438)
Telecomunicazioni musicali (clavicordo)
Automazione ed Elettronica (gustavo)
Direttive per la sicurezza (ErnestoCappelletti)
EYnfo dall'Alaska (mir)
Apriamo il quadro! (attilio)
H7-25 (asdf)
Passione Elettrica (massimob)
Elettroni a spasso (guidob)
Bloguerra (guerra)






