Seguo da un po' il vostro forum ma non sono mai intervenuto a causa delle mie poche conoscenze in materia :)
Mi ero iscritto sia perche ho trovato molto utile sia il vostro forum, sia gli articoli proposti che mi sono stati molto d'aiuto (e continuano ad esserlo) per il mio corso di studi (ing delle telecomunicazioni/tecnologie di internet) e sia perche l'elettronica e tutto quello che ruota intorno ad essa, mi affascina moltissimo.
Tuttavia, nonostante questa mia predisposizione verso questo mondo, sto facendo veramente molta fatica ad assimilare i concetti e le nozioni. Nonostante tutto, sono riuscito ad arrivare a un buon punto con la preparazione (anche grazie alla [oggi cosa molto rara] disponibilità del mio professore).
In tutto questo contesto, due cose ancora non mi sono chiare; Una credo piuttosto banale (una lacuna) l'altra un po' meno.
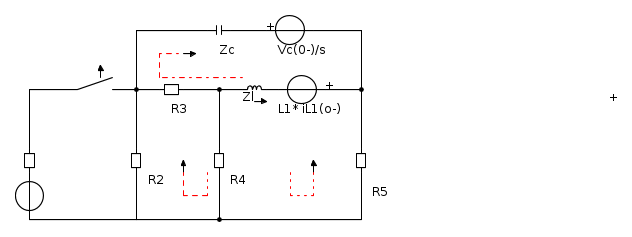
1) Versi della corrente nel circuito
Questo è il circuito in esame (devo trovare la tensione ai capi di L1,quindi
:Perche i versi delle correnti sono stati scelti così? ad esempio nella maglia due (R4,R5 e L1) io avrei scelto il verso che è anche stato scelto per il generatore a t(0-), perche è al contrario? secondo quali passaggi logici ?
2) sono arrivato comunque al sistema risolutivo, e ho trovato la matrice nel dominio di laplace:

e il suo
, se non ho fatto errori, dovrebbe essere questo :
ora mettiamo il caso che io volessi trovare
:
sostituendo quindi alla prima colonna, i valori di V.a conti fatti (Sempre se sono giusti) dovrebbe essere

E ora?? Qui mi blocco e non so piu andare avanti...
riporto qui i risultati:
![I_1(s)= {0.13+0.02j\over s+(0.34-0.62j)}-{0.13+0.02j\over s+(0.34-0.62j)}
uguale a i_1(t)=[0.25\cdot e^{-0.34t} \cdot \cos(0.62t-2.99)]\cdot u_{-1}(t) I_1(s)= {0.13+0.02j\over s+(0.34-0.62j)}-{0.13+0.02j\over s+(0.34-0.62j)}
uguale a i_1(t)=[0.25\cdot e^{-0.34t} \cdot \cos(0.62t-2.99)]\cdot u_{-1}(t)](/forum/latexrender/pictures/746683fb655e03b373b0fd5d2e6bfe76.png)
Il passaggio dalla frazione
credo di saperlo fare (si tratta solo di trasformate notevoli) ....ma è il passaggio dal determinante e relativa sostituzione, al risultato con (ADDIRITTURA!) i termini in complessi che non ho capito minimamente!! e su internet non ho trovato niente di esplicativo SE qualcuno sapesse spiegarmi, mi darebbe una mano fondamentale...... SOlo a capire i passaggi, poi così provo a calcolarmi l'altra corrente e a completare l'esercizio!
Grazie anticipatamente a tutti quanti!
Alessandro

Elettrotecnica e non solo (admin)
Un gatto tra gli elettroni (IsidoroKZ)
Esperienza e simulazioni (g.schgor)
Moleskine di un idraulico (RenzoDF)
Il Blog di ElectroYou (webmaster)
Idee microcontrollate (TardoFreak)
PICcoli grandi PICMicro (Paolino)
Il blog elettrico di carloc (carloc)
DirtEYblooog (dirtydeeds)
Di tutto... un po' (jordan20)
AK47 (lillo)
Esperienze elettroniche (marco438)
Telecomunicazioni musicali (clavicordo)
Automazione ed Elettronica (gustavo)
Direttive per la sicurezza (ErnestoCappelletti)
EYnfo dall'Alaska (mir)
Apriamo il quadro! (attilio)
H7-25 (asdf)
Passione Elettrica (massimob)
Elettroni a spasso (guidob)
Bloguerra (guerra)

. Inoltre un polinomio caratteristico con segni negativi (o eventualmente qualche potenza mancante) implica un sistema instabile: questa e` una rete passiva, non puo` essere instabile.








l'ho scritto senza segno negativo (e si ricollega alla prima domanda sulle correnti 





![i(t)=\frac{1}{2}e^{-\frac{11}{32}t}\left[ \cos \left( \frac{\sqrt{\text{391}}}{\text{32}}t \right)+\frac{27}{\sqrt{\text{391}}}\sin \left( \frac{\sqrt{\text{391}}}{\text{32}}t \right) \right] i(t)=\frac{1}{2}e^{-\frac{11}{32}t}\left[ \cos \left( \frac{\sqrt{\text{391}}}{\text{32}}t \right)+\frac{27}{\sqrt{\text{391}}}\sin \left( \frac{\sqrt{\text{391}}}{\text{32}}t \right) \right]](/forum/latexrender/pictures/700d5c1fbea49cbd0a66d6cc5b703022.png)