alex0211 ha scritto:Aspetto comunque curiosissimo il metodo dell'idraulico
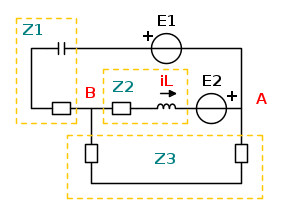
Ieri il sonno mi ha confuso uno dei due neuroni rimasti e l'altro e' andato in "overload", ma ogni idraulico ha sempre un "pappagallo" di riserva, e il mio si chiama Millman; in sostanza trasformato il triangolo di resistori di sinistra in stella, la rete si semplifica cosi'
dove

a questo punto si puo' scrivere direttamente e solo simbolicamente, "senza calcolo ferire", la corrente nell'induttore come


per passare poi alla semplice espressione numerica

non scomodando ne Cramer ne il buon Sarrus
Rimandiamo quindi l'applicazione del Teorema dell'idraulico ad una rete piu' adatta.

Elettrotecnica e non solo (admin)
Un gatto tra gli elettroni (IsidoroKZ)
Esperienza e simulazioni (g.schgor)
Moleskine di un idraulico (RenzoDF)
Il Blog di ElectroYou (webmaster)
Idee microcontrollate (TardoFreak)
PICcoli grandi PICMicro (Paolino)
Il blog elettrico di carloc (carloc)
DirtEYblooog (dirtydeeds)
Di tutto... un po' (jordan20)
AK47 (lillo)
Esperienze elettroniche (marco438)
Telecomunicazioni musicali (clavicordo)
Automazione ed Elettronica (gustavo)
Direttive per la sicurezza (ErnestoCappelletti)
EYnfo dall'Alaska (mir)
Apriamo il quadro! (attilio)
H7-25 (asdf)
Passione Elettrica (massimob)
Elettroni a spasso (guidob)
Bloguerra (guerra)










aggiunto a denominatore per far dimensionare il quadrato, per conformità l'abbiamo aggiunto anche sopra? o sono due operazioni distinte?

la corrispettiva di laplace è improponibile............
mentre nel caso della tensione alternata, e dunque nella forma sinusoidale, nella matrice lo si esprime con
che a prima vista sembra innocuo...fin quando non si eseguono i calcoli nella matrice! stavo giustappunto vedendo un esempio sul libro con un generatore di corrente sinusoidale e nonostante avesse solo due elementi reattivi l'equazione del determinante veniva così :
... e' proprio per quella ragione che uso quasi sempre la classica soluzione attraverso le equazioni differenziali