azionamento specchi tramite comparatore a finestra
Moderatori:
carloc,
g.schgor,
BrunoValente,
IsidoroKZ
15 messaggi
• Pagina 1 di 2 • 1, 2
0
voti
Ciao a tutti! Non ho trovato la sezione per le presentazioni quindi lo faccio qui.
Angelo, dipendete ENEL, da sempre appassionato di elettronica e di auto!
Il quesito che vi pongo oggi tratta di una applicazione elettronica alle auto: la mia auto ha gli specchietti richiudubili elettricamente tramite un pulsante, questo pulsante chiude momentaneamente un contatto che, tramite apposita scheda logica, comanda l'apertura e chiusura specchietti.
Il mio obiettivo è aprire gli specchi all'apertura della macchina, chiuderli alla sua chiusura. Come è ben chiaro in INPUT abbiamo l'impulso d'apertura\chiusura e in OUTPUT il contatto di CH sul relè (elettromeccanico o allo stato solido, poi sarà da decidere).
Direte, dove sta il problema? purtroppo le moderne auto non hanno più il filo d'alimentazione 12V in chiusura e quello in apertura, ma hanno solo due fili che variano la propria tensione in base al comando da dare; io vorrei proprio "testare" uno di questi fili dato che ha questi valori:
- stato di riposo: 5,5 V
- stato di apertura: 0V
- stato di chiusura: 12V
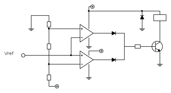
Ho dunque abbozzato un comparatore a finestra che tramite 3 resistenze uguali mi prende i 12V della macchina e mi mette nei riferimenti superiore e inferiore rispettivamente 4 e 8 volt (praticamente 1\3 e 2\3 di Vcc), in questo modo il filo di comando portiera andando a 0V o a 12V andrà fuori dalla finestra provocandomi una uscita alta (pari a quasi Vcc). Questa uscita dovrebbe quindi, tramite un BJT BC337 pilotare un relè che chiude il contatto.
Troverete in allegato il mio schema, ho provato su bredboard il circuito e non funziona molto bene perché il relè non scatta, vorrei una mano sul dimensionamento dei componenti...thanks.
Vi dò qualche numero
- assorbimento bobina d'eccitazione relè: 50 mA circa
- Valori Vref, come sopra: 5,5V a riposo, 0V comando 1, 12V comando 2
- Distinzione OUT per chiusura o apertura? no, fa tutto la scheda logica di bordo, a me interessa chiudere il contatto quando Vref è zero o dodici volt
Grazie in anticipo a chi vorrà aiutarmi
Angelo, dipendete ENEL, da sempre appassionato di elettronica e di auto!
Il quesito che vi pongo oggi tratta di una applicazione elettronica alle auto: la mia auto ha gli specchietti richiudubili elettricamente tramite un pulsante, questo pulsante chiude momentaneamente un contatto che, tramite apposita scheda logica, comanda l'apertura e chiusura specchietti.
Il mio obiettivo è aprire gli specchi all'apertura della macchina, chiuderli alla sua chiusura. Come è ben chiaro in INPUT abbiamo l'impulso d'apertura\chiusura e in OUTPUT il contatto di CH sul relè (elettromeccanico o allo stato solido, poi sarà da decidere).
Direte, dove sta il problema? purtroppo le moderne auto non hanno più il filo d'alimentazione 12V in chiusura e quello in apertura, ma hanno solo due fili che variano la propria tensione in base al comando da dare; io vorrei proprio "testare" uno di questi fili dato che ha questi valori:
- stato di riposo: 5,5 V
- stato di apertura: 0V
- stato di chiusura: 12V
Ho dunque abbozzato un comparatore a finestra che tramite 3 resistenze uguali mi prende i 12V della macchina e mi mette nei riferimenti superiore e inferiore rispettivamente 4 e 8 volt (praticamente 1\3 e 2\3 di Vcc), in questo modo il filo di comando portiera andando a 0V o a 12V andrà fuori dalla finestra provocandomi una uscita alta (pari a quasi Vcc). Questa uscita dovrebbe quindi, tramite un BJT BC337 pilotare un relè che chiude il contatto.
Troverete in allegato il mio schema, ho provato su bredboard il circuito e non funziona molto bene perché il relè non scatta, vorrei una mano sul dimensionamento dei componenti...thanks.
Vi dò qualche numero
- assorbimento bobina d'eccitazione relè: 50 mA circa
- Valori Vref, come sopra: 5,5V a riposo, 0V comando 1, 12V comando 2
- Distinzione OUT per chiusura o apertura? no, fa tutto la scheda logica di bordo, a me interessa chiudere il contatto quando Vref è zero o dodici volt
Grazie in anticipo a chi vorrà aiutarmi
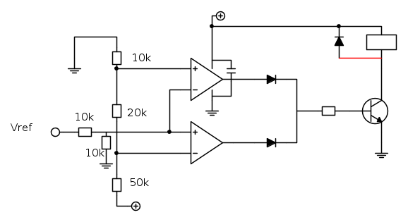
- Allegati
-
- schema automatismo specchi
- Cattura.PNG (32.59 KiB) Osservato 7412 volte
-

angelorosso
40 3 - New entry

- Messaggi: 61
- Iscritto il: 17 lug 2011, 22:36
0
voti
Potresti star superando la massima tensione di modo comune.
Tre soluzioni:
Usa un operazionale rail to rail
Usa un operazionale LM358, ma riduci la tensione di ingresso ad esempio di un fattore 2 con un partitore e scala le soglie
Se vuoi usare un TL082, usa un partitore riferito al positivo e scala le soglie.
Se fai lo schema con fidocad diventa facile modificare lo schema per far vedere che cosa fare. Il tuo disegno (enorme!) non posso editarlo.
Tre soluzioni:
Usa un operazionale rail to rail
Usa un operazionale LM358, ma riduci la tensione di ingresso ad esempio di un fattore 2 con un partitore e scala le soglie
Se vuoi usare un TL082, usa un partitore riferito al positivo e scala le soglie.
Se fai lo schema con fidocad diventa facile modificare lo schema per far vedere che cosa fare. Il tuo disegno (enorme!) non posso editarlo.
Per usare proficuamente un simulatore, bisogna sapere molta più elettronica di lui
Plug it in - it works better!
Il 555 sta all'elettronica come Arduino all'informatica! (entrambi loro malgrado)
Se volete risposte rispondete a tutte le mie domande
Plug it in - it works better!
Il 555 sta all'elettronica come Arduino all'informatica! (entrambi loro malgrado)
Se volete risposte rispondete a tutte le mie domande
0
voti
Grazie per la risposta!
Prima di mettermi a costruire il circuito con fidocaj (devo ancora capire come si fa!) vorrei capire questa frase
Prima di mettermi a costruire il circuito con fidocaj (devo ancora capire come si fa!) vorrei capire questa frase
usa un partitore riferito al positivo e scala le soglie.
-

angelorosso
40 3 - New entry

- Messaggi: 61
- Iscritto il: 17 lug 2011, 22:36
0
voti
Mi serve fare lo schema, e la cosa piu` comoda e` prendere lo schema del tuo circuito fatto con fidocad e modificarlo. Comunque e` un partitore che al posto di essere riferito al negativo e` riferito al positivo. La ragione e` la tensione di modo comune dello 082 che arriva (quasi sempre) fino alla tensione positiva, ma non va giu` fino all'alimentazione negativa.
Per usare proficuamente un simulatore, bisogna sapere molta più elettronica di lui
Plug it in - it works better!
Il 555 sta all'elettronica come Arduino all'informatica! (entrambi loro malgrado)
Se volete risposte rispondete a tutte le mie domande
Plug it in - it works better!
Il 555 sta all'elettronica come Arduino all'informatica! (entrambi loro malgrado)
Se volete risposte rispondete a tutte le mie domande
0
voti
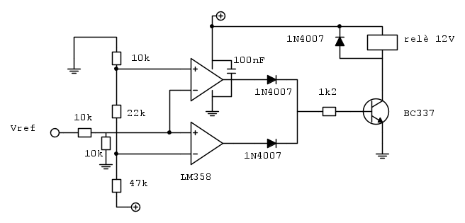
Ecco, da quanto ho capito ho ridisegnato lo schema con fidocadJ
-

angelorosso
40 3 - New entry

- Messaggi: 61
- Iscritto il: 17 lug 2011, 22:36
1
voti
Good job!
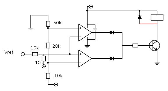
Se usi un LM358, devi modificarlo cosi`:
In pratica riduci la tensione nell'intervallo 0V-6V e le soglie dei comparatori sono 1.5V e 4.5V. L'LM358 puo` funzionare con gli ingressi che vanno giu` fino alla tensione di alimentazione, ma in alto devono stare un paio di volt al di sotto la tensione di alimentazione. Le resistenze possono anche essere di valori piu` facili da trovare, tipo 22kohm e 47kohm o 56kohm. Ho anche corretto la connessione del diodo intorno al rele` e aggiunto un condensatore (ceramico, 100nF) sull'alimentazione.
Sia il 358 che lo 082 hanno due operazionali nell'integrato e per questo ho eliminato l'alimentazione da un operazionale, ma ovviamente dentro l'integrato entrambi sono alimentati!
Invece il TL082 non puo` lavorare con gli ingressi che arrivano alla tensione di alimentazione negativa, devono restare 2V-3V piu` positivi, in compenso, quasi sempre riesce a lavorare con gli ingressi che arrivano fino alla tensione di alimentazione negativa, e il circuito diventa questo:
In questo caso il segnale di ingresso viene riportato nell'intervallo 6V-12V e le soglie sono a 7.5V e 10.5V
Se usi un LM358, devi modificarlo cosi`:
In pratica riduci la tensione nell'intervallo 0V-6V e le soglie dei comparatori sono 1.5V e 4.5V. L'LM358 puo` funzionare con gli ingressi che vanno giu` fino alla tensione di alimentazione, ma in alto devono stare un paio di volt al di sotto la tensione di alimentazione. Le resistenze possono anche essere di valori piu` facili da trovare, tipo 22kohm e 47kohm o 56kohm. Ho anche corretto la connessione del diodo intorno al rele` e aggiunto un condensatore (ceramico, 100nF) sull'alimentazione.
Sia il 358 che lo 082 hanno due operazionali nell'integrato e per questo ho eliminato l'alimentazione da un operazionale, ma ovviamente dentro l'integrato entrambi sono alimentati!
Invece il TL082 non puo` lavorare con gli ingressi che arrivano alla tensione di alimentazione negativa, devono restare 2V-3V piu` positivi, in compenso, quasi sempre riesce a lavorare con gli ingressi che arrivano fino alla tensione di alimentazione negativa, e il circuito diventa questo:
In questo caso il segnale di ingresso viene riportato nell'intervallo 6V-12V e le soglie sono a 7.5V e 10.5V
Per usare proficuamente un simulatore, bisogna sapere molta più elettronica di lui
Plug it in - it works better!
Il 555 sta all'elettronica come Arduino all'informatica! (entrambi loro malgrado)
Se volete risposte rispondete a tutte le mie domande
Plug it in - it works better!
Il 555 sta all'elettronica come Arduino all'informatica! (entrambi loro malgrado)
Se volete risposte rispondete a tutte le mie domande
0
voti
Grazie mille per l'aiuto che mi stai dando
A questo punto vorrei chiederti due cose:
- la resistenza di base del BJT va bene da 5k6 ?
- con la frase " In questo caso il segnale di ingresso viene riportato nell'intervallo 6V-12V" cosa vuoi dire? ti ricordo che può assumere tre valori: 0, 12, 5.5 volt. Nei primi due casi il comparatore deve avere uscita alta e nel terzo tutto basso (praticamente si non verifica con la soglia inferiore a 7.5)
EDIT
ora che ho riletto più volte ho capito un po' di più. Ma nella seconda ipotesi (uso dello 082) non si rischia di inviare una alimentazione positiva verso Vref? questo potrebbe danneggiare le componenti di bordo
A questo punto vorrei chiederti due cose:
- la resistenza di base del BJT va bene da 5k6 ?
- con la frase " In questo caso il segnale di ingresso viene riportato nell'intervallo 6V-12V" cosa vuoi dire? ti ricordo che può assumere tre valori: 0, 12, 5.5 volt. Nei primi due casi il comparatore deve avere uscita alta e nel terzo tutto basso (praticamente si non verifica con la soglia inferiore a 7.5)
EDIT
ora che ho riletto più volte ho capito un po' di più. Ma nella seconda ipotesi (uso dello 082) non si rischia di inviare una alimentazione positiva verso Vref? questo potrebbe danneggiare le componenti di bordo

-

angelorosso
40 3 - New entry

- Messaggi: 61
- Iscritto il: 17 lug 2011, 22:36
0
voti
La resistenza di base da 5.6kohm mi pare che vada bene per un rele` che consuma 50mA. Se vuoi abbassarla puoi scendere fino a 1kohm senza problemi.
La soluzione per lo 082 manda una corrente verso la centralina al massimo di .6mA circa. Le due R da 10kohm puoi alzarle fino a 100kohm, riducendo la corrente a 60uA. Se la centralina si arrabbi o no dipende da come e` fatto lo stadio di uscita della centralina stessa, se puo` solo fornire corrente o anche succhiarla.
Altrimenti usa la soluzione per il 358, questa assorbe solo corrente.
Spostare la tensione della centralina nell'intervallo 6V-12V vuol dire che quando la centralina da` 0V agli operazionali arrivano 6V, quando da` 6V agli operazionali arrivano 9V e quando da` 12V agli operazionali arrivano 12V.
La soluzione per lo 082 manda una corrente verso la centralina al massimo di .6mA circa. Le due R da 10kohm puoi alzarle fino a 100kohm, riducendo la corrente a 60uA. Se la centralina si arrabbi o no dipende da come e` fatto lo stadio di uscita della centralina stessa, se puo` solo fornire corrente o anche succhiarla.
Altrimenti usa la soluzione per il 358, questa assorbe solo corrente.
Spostare la tensione della centralina nell'intervallo 6V-12V vuol dire che quando la centralina da` 0V agli operazionali arrivano 6V, quando da` 6V agli operazionali arrivano 9V e quando da` 12V agli operazionali arrivano 12V.
Per usare proficuamente un simulatore, bisogna sapere molta più elettronica di lui
Plug it in - it works better!
Il 555 sta all'elettronica come Arduino all'informatica! (entrambi loro malgrado)
Se volete risposte rispondete a tutte le mie domande
Plug it in - it works better!
Il 555 sta all'elettronica come Arduino all'informatica! (entrambi loro malgrado)
Se volete risposte rispondete a tutte le mie domande
0
voti
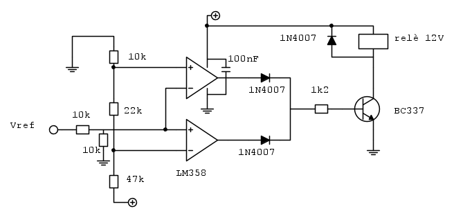
Oggi ho acquistato i componenti e ho testato il circuito, funziona perfettamente
Ho sostituito la resistenza di base con una da 1k2 per evitare problemi con qualche relè che assorba più di 50mA (cosa poco probabile, ma prevenire è meglio che curare
) dato che produrrò il circuito su larga scala ed è probabile che il mio rivenditore di fiducia non abbia 15-20 relè tutti uguali.
Ecco lo schema aggiornato nei valori
Ancora domande per gli esperti
- Con fidocadJ posso eseguire lo sbroglio? se si c'è la modalità in automatico? e in che modo?
- Conoscete qualcuno che produce circuiti stampati a prezzi abbordabili?
Ho sostituito la resistenza di base con una da 1k2 per evitare problemi con qualche relè che assorba più di 50mA (cosa poco probabile, ma prevenire è meglio che curare
Ecco lo schema aggiornato nei valori
Ancora domande per gli esperti
- Con fidocadJ posso eseguire lo sbroglio? se si c'è la modalità in automatico? e in che modo?
- Conoscete qualcuno che produce circuiti stampati a prezzi abbordabili?
-

angelorosso
40 3 - New entry

- Messaggi: 61
- Iscritto il: 17 lug 2011, 22:36
0
voti
piccola aggiunta: il circuito NON deve funzionare quando su un certo pin è presente una tensione positiva di 12V. Come posso procedere? avevo pensato ad un comparatore invertente...
-

angelorosso
40 3 - New entry

- Messaggi: 61
- Iscritto il: 17 lug 2011, 22:36
15 messaggi
• Pagina 1 di 2 • 1, 2
Chi c’è in linea
Visitano il forum: Nessuno e 77 ospiti

Elettrotecnica e non solo (admin)
Un gatto tra gli elettroni (IsidoroKZ)
Esperienza e simulazioni (g.schgor)
Moleskine di un idraulico (RenzoDF)
Il Blog di ElectroYou (webmaster)
Idee microcontrollate (TardoFreak)
PICcoli grandi PICMicro (Paolino)
Il blog elettrico di carloc (carloc)
DirtEYblooog (dirtydeeds)
Di tutto... un po' (jordan20)
AK47 (lillo)
Esperienze elettroniche (marco438)
Telecomunicazioni musicali (clavicordo)
Automazione ed Elettronica (gustavo)
Direttive per la sicurezza (ErnestoCappelletti)
EYnfo dall'Alaska (mir)
Apriamo il quadro! (attilio)
H7-25 (asdf)
Passione Elettrica (massimob)
Elettroni a spasso (guidob)
Bloguerra (guerra)




