Salve a tutti,
dove posso trovare informazioni per sapere com'è fatto un buffer con uscita open collector?
Grazie
Buffer con uscita Open Collector
Moderatori:
carloc,
g.schgor,
BrunoValente,
IsidoroKZ
8 messaggi
• Pagina 1 di 1
0
voti
Nei cataloghi dei costruttori? Per esempio questo vecchiotto, e quest'altro piu` moderno.
Per usare proficuamente un simulatore, bisogna sapere molta più elettronica di lui
Plug it in - it works better!
Il 555 sta all'elettronica come Arduino all'informatica! (entrambi loro malgrado)
Se volete risposte rispondete a tutte le mie domande
Plug it in - it works better!
Il 555 sta all'elettronica come Arduino all'informatica! (entrambi loro malgrado)
Se volete risposte rispondete a tutte le mie domande
0
voti
semplicemente portando sul pin il collettore di un transistor NPN collegato ad emettitore comune.
-

lelerelele
4.899 3 7 9 - Master

- Messaggi: 5505
- Iscritto il: 8 giu 2011, 8:57
- Località: Reggio Emilia
0
voti
oppure (ma non per gli OC) 
Questa risposta e` tanto sintetica quanto la tua domanda
Per usare proficuamente un simulatore, bisogna sapere molta più elettronica di lui
Plug it in - it works better!
Il 555 sta all'elettronica come Arduino all'informatica! (entrambi loro malgrado)
Se volete risposte rispondete a tutte le mie domande
Plug it in - it works better!
Il 555 sta all'elettronica come Arduino all'informatica! (entrambi loro malgrado)
Se volete risposte rispondete a tutte le mie domande
0
voti
Giusto, hai ragione.
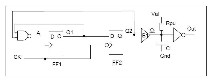
Dato il circuito
il problema che devo risolvere è il seguente:
B1 è un buffer open collector, il cui circuito equivalente di uscita è un circuito aperto nello stato alto, e una resistenza Ron in serie con una batteria da 0,2V verso Gnd nello stato basso.
Le soglie dell’inverter all’uscita sono
, e le sue correnti di ingresso sono
nulle. Tracciare, su assi tarati, l’andamento della tensione ai capi del condensatore C e di Out in
corrispondenza delle transizioni HL e LH per
.
Ti dico quello che so:
e
con
in cui ho calcolato la corrente che attraversa Ron come 
poi dovrei scrivere l'equazione del transitorio per C sia per la salita dove entra in gioco solo
che per la discesa dove dovrei considerare
, e qui mi fermo perché non so come andare avanti.
La materia è Sistemi Elettronici per Ing. Inf.
Grazie
Dato il circuito
il problema che devo risolvere è il seguente:
B1 è un buffer open collector, il cui circuito equivalente di uscita è un circuito aperto nello stato alto, e una resistenza Ron in serie con una batteria da 0,2V verso Gnd nello stato basso.
Le soglie dell’inverter all’uscita sono
, e le sue correnti di ingresso sononulle. Tracciare, su assi tarati, l’andamento della tensione ai capi del condensatore C e di Out in
corrispondenza delle transizioni HL e LH per
.Ti dico quello che so:
e
con
in cui ho calcolato la corrente che attraversa Ron come 
poi dovrei scrivere l'equazione del transitorio per C sia per la salita dove entra in gioco solo
che per la discesa dove dovrei considerare
, e qui mi fermo perché non so come andare avanti.La materia è Sistemi Elettronici per Ing. Inf.
Grazie
0
voti
Con il modello suggerito dall'esercizio, la resistenza Ron stimata da un catalogo vale
. Il transistore "di sotto" all'uscita della porta e` modellato con una piccola tensione 0.2V con una resistenza in serie.
. Il transistore "di sotto" all'uscita della porta e` modellato con una piccola tensione 0.2V con una resistenza in serie.Per usare proficuamente un simulatore, bisogna sapere molta più elettronica di lui
Plug it in - it works better!
Il 555 sta all'elettronica come Arduino all'informatica! (entrambi loro malgrado)
Se volete risposte rispondete a tutte le mie domande
Plug it in - it works better!
Il 555 sta all'elettronica come Arduino all'informatica! (entrambi loro malgrado)
Se volete risposte rispondete a tutte le mie domande
0
voti
IsidoroKZ ha scritto:Con il modello suggerito dall'esercizio, la resistenza Ron stimata da un catalogo vale.
Scusa ma non capisco...non è
E il transitorio, come lo dovrei scrivere? uno per LH e l'altro per HL?
Grazie
8 messaggi
• Pagina 1 di 1
Chi c’è in linea
Visitano il forum: Majestic-12 [Bot] e 165 ospiti

Elettrotecnica e non solo (admin)
Un gatto tra gli elettroni (IsidoroKZ)
Esperienza e simulazioni (g.schgor)
Moleskine di un idraulico (RenzoDF)
Il Blog di ElectroYou (webmaster)
Idee microcontrollate (TardoFreak)
PICcoli grandi PICMicro (Paolino)
Il blog elettrico di carloc (carloc)
DirtEYblooog (dirtydeeds)
Di tutto... un po' (jordan20)
AK47 (lillo)
Esperienze elettroniche (marco438)
Telecomunicazioni musicali (clavicordo)
Automazione ed Elettronica (gustavo)
Direttive per la sicurezza (ErnestoCappelletti)
EYnfo dall'Alaska (mir)
Apriamo il quadro! (attilio)
H7-25 (asdf)
Passione Elettrica (massimob)
Elettroni a spasso (guidob)
Bloguerra (guerra)



, rispetto agli schemi dei data sheets linkati, qual è?