da
marco438 » 21 lug 2011, 12:31
Lo schema che hai postato adesso non puo' funzionare; o meglio il motore gira solo quando i due rele' non sono eccitati e si ferma ad ogni eccitazione o di RA o di R1.
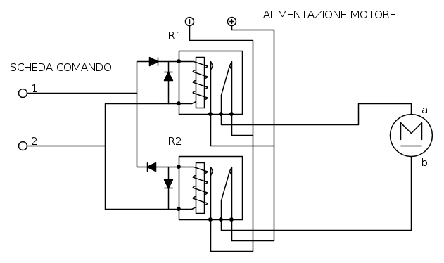
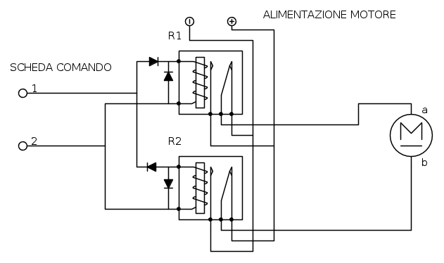
Purtroppo in questi giorni non ho molto tempo a disposizione quindi, ho buttato giu' uno schema ( che dovrebbe essere quello definitivo ) salvo errori. Nel senso che lo ho buttato giu' in due minuti e non ho tempo per controllarlo.
Come puoi vedere, se dalla scheda di comando non perviene nessuna tensione, i due rele' sono diseccitati e i terminali del motore ( a e b) sono entrambi collegati al negativo: quindi motore fermo.
Se sul terminale 1 e' presente una tensione positiva (proveniente dalla scheda di comando) e sul 2 una negativa, il rele' R1 si eccitera' e fara' pervenire al terminale "a" del motore tensione positiva. Il terminale "b" e' ancora collegato al negativo, quindi il motore girera' (diciamo per esempio) in senso orario.
Se sul terminale 1 e' presente tensione negativa e sul 2 positiva, si eccitera' il rele R2 (R1 rimarra' in posizione di riposo) quindi al motore arrivera' tensione positiva sul terminale "b" e negativa sul terminale "a".
A questo punto il motore girera' in senso antiorario.
Ho fatto tutto quello che potevo per aiutarti e spero che con le spiegazione date, riuscirai finalmente a capire come funziona il tutto.
Se poi, per la fretta, ho compiuto qualche errore spero che altri lo correggano perche', come ti ho detto, in questi giorni non ho tempo da dedicarti.
