Un saluti al forum questo è il primo post che scrivo su questo forum, quindi mi presento.
Mi chiamo Giovanni e da poco sto iniziando a studiacchiare qualcosa di elettronica. Sto leggendo il libro "Make: electronics" che offre un'introduzione all'elettronica tramite esempi concreti.
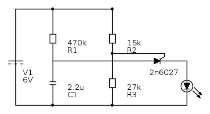
Vi posto il mio problema. A pag. 85 del libro si affronta la costruzione di un circuito il cui scopo è quello di far lampeggiare un led. Per tale scopo viene usato un Transistor bipolare unigiunzione 2N6027. Questo transistor da quello che ho capito dovrebbe far passare corrente nel momento in cui all'anodo del transistor si ha un potenziale superiore ad un certo livello che è dettato da quello presente al ghate. Il lampeggiamento dovrebbe essere garantito dal capacitore che mentre si carica fa salire il valore del potenziale che superando il livello si scarica e poi riprende il ciclo. Posto lo sche ma in fidocadj anche se non ho trovato il simbolo del 2n6027:
Ho simulato con Multisim ma non riesco as individuare la salita del potenziale, tramite il multimetro, e non c'è lampeggiamento.
Naturalmente l'errore può essere annidato in qualunque cosa che io ignoro per questo chiedo aiuto. Grazie.
ps: appena mi arrivano i componenti lo provo su bradboard.
Neofita: led lampeggiante.
Moderatori:
carloc,
g.schgor,
BrunoValente,
IsidoroKZ
8 messaggi
• Pagina 1 di 1
0
voti
Ho scoperto che fabbricano ancora i transistori unigiunzione, credevo fossero estinti da decenni! Dove lo hai trovato?
Non so perche' non veda l'oscillazione. Devi usare una simulazione in transitorio eventualmente facendo saltare il calcolo della polarizzazione, qualcosa tipo UIC... dipende dal dialetto psice che parla quel simulatore che non credo di aver mai usato.
E poi vale il vecchio consiglio: prima di usare un simulatore bisogna conoscere l'elettronica meglio di lui!
Non so perche' non veda l'oscillazione. Devi usare una simulazione in transitorio eventualmente facendo saltare il calcolo della polarizzazione, qualcosa tipo UIC... dipende dal dialetto psice che parla quel simulatore che non credo di aver mai usato.
E poi vale il vecchio consiglio: prima di usare un simulatore bisogna conoscere l'elettronica meglio di lui!
Per usare proficuamente un simulatore, bisogna sapere molta più elettronica di lui
Plug it in - it works better!
Il 555 sta all'elettronica come Arduino all'informatica! (entrambi loro malgrado)
Se volete risposte rispondete a tutte le mie domande
Plug it in - it works better!
Il 555 sta all'elettronica come Arduino all'informatica! (entrambi loro malgrado)
Se volete risposte rispondete a tutte le mie domande
0
voti
! Dove lo hai trovato?
Li ho trovati da rs-online.
Per la questione posta spero solo che sia la conoscenza non approfondita di Multisim.
Mi confermate però che il circuito dovrebbe funzionare così come descritto?
-

gammarayburst
15 4 - Messaggi: 28
- Iscritto il: 11 giu 2011, 23:43
0
voti
Mi chiarite se il circuito fa per quello che è stato ideato? Alla fine lampeggia o no il led?
Grazie ancora.
Grazie ancora.
-

gammarayburst
15 4 - Messaggi: 28
- Iscritto il: 11 giu 2011, 23:43
0
voti
Dovrebbe lampeggiare con brevi lampi. Tieni presente che la simulazione di diac, triac, scr e ujt e` sempre critica.
Alle volte per fare funzionare la simulazione con questi componenti che non sono "nativi" di spice bisogna aggiungere qualche resistenza o capacita` qua e la` per convincere il simulatore a funzionare :).
Alle volte per fare funzionare la simulazione con questi componenti che non sono "nativi" di spice bisogna aggiungere qualche resistenza o capacita` qua e la` per convincere il simulatore a funzionare :).
Per usare proficuamente un simulatore, bisogna sapere molta più elettronica di lui
Plug it in - it works better!
Il 555 sta all'elettronica come Arduino all'informatica! (entrambi loro malgrado)
Se volete risposte rispondete a tutte le mie domande
Plug it in - it works better!
Il 555 sta all'elettronica come Arduino all'informatica! (entrambi loro malgrado)
Se volete risposte rispondete a tutte le mie domande
0
voti
Ho risolto variando il valore del resistore R2 portandolo da 15k a 20k.
Questo problema mi è servito per avere un primo contatto con Multisim e capire come lavora un oscilloscopio.
Anche se ancora alcune cose non mi sono chiare.
Grazie.
Questo problema mi è servito per avere un primo contatto con Multisim e capire come lavora un oscilloscopio.
Anche se ancora alcune cose non mi sono chiare.
Grazie.
-

gammarayburst
15 4 - Messaggi: 28
- Iscritto il: 11 giu 2011, 23:43
0
voti
Arrivato l'unigiunzione? Oscilla il circuito?
Per usare proficuamente un simulatore, bisogna sapere molta più elettronica di lui
Plug it in - it works better!
Il 555 sta all'elettronica come Arduino all'informatica! (entrambi loro malgrado)
Se volete risposte rispondete a tutte le mie domande
Plug it in - it works better!
Il 555 sta all'elettronica come Arduino all'informatica! (entrambi loro malgrado)
Se volete risposte rispondete a tutte le mie domande
0
voti
Rieccomi e scusami per la prolungata assenza.
Allora ho messo su il circuitino su breadboard ed ha fatto il suo lavoro sia con condensatore da 2.2 uF che con quello da 22 uF.
Ho effettuato due video:
http://www.youtube.com/watch?v=47kC8wB3BgI
http://www.youtube.com/watch?v=saLZt8URlVE
Ciao
Allora ho messo su il circuitino su breadboard ed ha fatto il suo lavoro sia con condensatore da 2.2 uF che con quello da 22 uF.
Ho effettuato due video:
http://www.youtube.com/watch?v=47kC8wB3BgI
http://www.youtube.com/watch?v=saLZt8URlVE
Ciao
-

gammarayburst
15 4 - Messaggi: 28
- Iscritto il: 11 giu 2011, 23:43
8 messaggi
• Pagina 1 di 1
Chi c’è in linea
Visitano il forum: Google Adsense [Bot] e 67 ospiti

Elettrotecnica e non solo (admin)
Un gatto tra gli elettroni (IsidoroKZ)
Esperienza e simulazioni (g.schgor)
Moleskine di un idraulico (RenzoDF)
Il Blog di ElectroYou (webmaster)
Idee microcontrollate (TardoFreak)
PICcoli grandi PICMicro (Paolino)
Il blog elettrico di carloc (carloc)
DirtEYblooog (dirtydeeds)
Di tutto... un po' (jordan20)
AK47 (lillo)
Esperienze elettroniche (marco438)
Telecomunicazioni musicali (clavicordo)
Automazione ed Elettronica (gustavo)
Direttive per la sicurezza (ErnestoCappelletti)
EYnfo dall'Alaska (mir)
Apriamo il quadro! (attilio)
H7-25 (asdf)
Passione Elettrica (massimob)
Elettroni a spasso (guidob)
Bloguerra (guerra)

