una curiosità...
Perché in circuiti come questo
C'è sempre quella resistenza prima dei diodi?
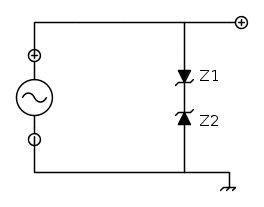
Che succederebbe se io utilizzassi il ciruito seguente, senza resistenza?
Curiosità su ruolo della resistenza
Moderatori:
carloc,
g.schgor,
BrunoValente,
IsidoroKZ
2 messaggi
• Pagina 1 di 1
0
voti
0
voti
In pratica un bel cortocircuito quando la tensione del generatore supera la somma fra Vz e Vd, anche se la corrente circolante dipende dalla resistenza interna dei diodi, che la limita; di sicuro da non provare per non trovarsi con uno o con due Zener in meno.
Il circuito perderebbe comunque la sua funzione, anche se i diodi riuscissero a "sopportare" detta corrente in quanto in uscita sarebbe presente la tensione del generatore.
E' chiaro che un'analisi rigorosa del problema sarebbe complessa e dovrebbe considerare anche l'impedenza interna del generatore.
BTW i diodi Zener vanno nel "secco" ?.
Il circuito perderebbe comunque la sua funzione, anche se i diodi riuscissero a "sopportare" detta corrente in quanto in uscita sarebbe presente la tensione del generatore.
E' chiaro che un'analisi rigorosa del problema sarebbe complessa e dovrebbe considerare anche l'impedenza interna del generatore.
BTW i diodi Zener vanno nel "secco" ?.
"Il circuito ha sempre ragione" (Luigi Malesani)
2 messaggi
• Pagina 1 di 1
Chi c’è in linea
Visitano il forum: Nessuno e 112 ospiti

Elettrotecnica e non solo (admin)
Un gatto tra gli elettroni (IsidoroKZ)
Esperienza e simulazioni (g.schgor)
Moleskine di un idraulico (RenzoDF)
Il Blog di ElectroYou (webmaster)
Idee microcontrollate (TardoFreak)
PICcoli grandi PICMicro (Paolino)
Il blog elettrico di carloc (carloc)
DirtEYblooog (dirtydeeds)
Di tutto... un po' (jordan20)
AK47 (lillo)
Esperienze elettroniche (marco438)
Telecomunicazioni musicali (clavicordo)
Automazione ed Elettronica (gustavo)
Direttive per la sicurezza (ErnestoCappelletti)
EYnfo dall'Alaska (mir)
Apriamo il quadro! (attilio)
H7-25 (asdf)
Passione Elettrica (massimob)
Elettroni a spasso (guidob)
Bloguerra (guerra)




