da
admin » 14 nov 2012, 12:53
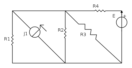
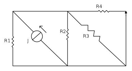
Londoneye ha scritto:[..]Devo calcolare la

e la

?
Dovrei fare (credo):

=

e analogamente per

Credi male e non si capisce cosa intendi di preciso con "analogamente".
Comunque

=

=

NB: non usare l'asterisco per la moltiplicazione
A parole: la corrente su una resistenza si trova dividendo la corrente totale per la somma delle resistenze e moltiplicando il risultato per l'altra resistenza.
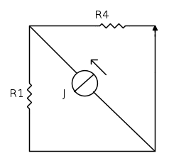
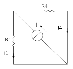
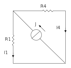
E se non si ha memoria per ricordare le formule, queste si ricavano immediatamente. Trovi la tensione ai capi del parallelo e dividi per la resistenza che ti interessa. Se non ci si ricorda della forma del parallelo, si applicano i principi di Kirchhoff e si risolve il sistema. Preso positivo il verso delle due correnti verso il basso, nel tuo disegno, così (negli schemi occorre sempre mettere tutte le indicazioni necessarie)
avrai

Insomma non c'è bisogno di ricordare sempre tutte le formule.
Qualcosa comunque occorre ricordare: almeno che esistono i principi di Kirchhoff.