Ciao a tutti, sto pensando di eliminare le puntine meccaniche in un cinquantino 2 tempi di vecchia data, per eliminare il problema della loro usura e della scarsa efficienza ad alti regimi di rotazione.
Inoltre sostituisco la bobina che genera l'AT con una di una vecchia fiat500 o altro che può funzionare con 12v di una semplice batteria.
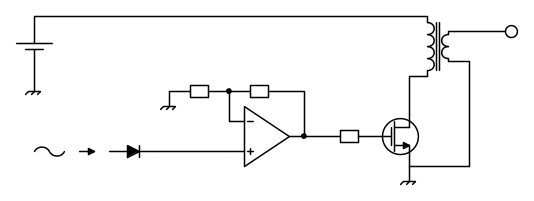
questo è il principio:
Allora, uso il pick-up di una accensione elettronica per scooter per ricevere il trigger per far avvenire la scintilla. il pick-up è rappresentato dal segnale alternato di cui tengo solo la semionda positiva. Tale semionda viene amplificata dall'op-amp che pilota un MOS il quale funge da "contatto elettrico" e non più meccanico, che quindi eccita la bobina AT solo quando il pick-up da segnale (come accadeva nelle vecchie auto la bobina veniva alimentata dalla batteria solo quando le puntine ci aprivano).
Però vorrei sapere da voi se ci potrebbe essere qualcosa che non va. Io collego il "meno" della batteria sia all'opamp che al motore, mentre il positivo va alla bobina e all'opamp. Quindi il circuito ha come massa il
motore e questo riguarda anche si secondario della bobina perché la candela ha massa nel motore.
Ci possono essere problemi di spike di tensione che possono infastidire l'opamp?
Controllo bobina AT motore 2 tempi
Moderatore:
Franco012
0
voti
Il circutio di accensione della candela non funziona così. Si usa un scr per scaricare un condensatore (caricato con un survoltore) sulla bobina. Quel circuito, così com'è è, come minimo, inutile.
E poi non funziona.
E poi non funziona.
"La follia sta nel fare sempre la stessa cosa aspettandosi risultati diversi".
"Parla soltanto quando sei sicuro che quello che dirai è più bello del silenzio".
Rispondere è cortesia, ma lasciare l'ultima parola ai cretini è arte.
"Parla soltanto quando sei sicuro che quello che dirai è più bello del silenzio".
Rispondere è cortesia, ma lasciare l'ultima parola ai cretini è arte.
-

TardoFreak
73,9k 8 12 13 - -EY Legend-

- Messaggi: 15754
- Iscritto il: 16 dic 2009, 11:10
- Località: Torino - 3° pianeta del Sistema Solare
1
voti
Alla bobina deve arrivare solo un impulso, come già ti ha detto diversamente
TardoFreak. L'uso di SCR e condensatore garantisce la durata costante dell'impulso alle varie frequenze di lavoro, senza usare elettroniche complesse.
Il circuito da te rappresentato, oltre a non funzionare, manderebbe in saturazione la bobina, se non del tutto in corto.
L'innesco deve essere ad impulso di durata costante. Tipicamente un millisecondo. Poi, come ottenerlo, se vuoi allontanarti dai circuiti usati fino ad oggi, è un altro problema.
Le correnti in gioco, sul lato 12 V non sono uno scherzo. Occorrono mosfet e diodi di spegnimento ben dimensionati e dissipati. L'alimentazione della logica deve essere indubbiamente filtrata bene, almeno con delle reti CRC e condensatori adeguati.
Il circuito da te rappresentato, oltre a non funzionare, manderebbe in saturazione la bobina, se non del tutto in corto.
L'innesco deve essere ad impulso di durata costante. Tipicamente un millisecondo. Poi, come ottenerlo, se vuoi allontanarti dai circuiti usati fino ad oggi, è un altro problema.
Le correnti in gioco, sul lato 12 V non sono uno scherzo. Occorrono mosfet e diodi di spegnimento ben dimensionati e dissipati. L'alimentazione della logica deve essere indubbiamente filtrata bene, almeno con delle reti CRC e condensatori adeguati.
-

Candy
32,5k 7 10 13 - CRU - Account cancellato su Richiesta utente
- Messaggi: 10123
- Iscritto il: 14 giu 2010, 22:54
0
voti
Conosco il funzionamento di una centralina cdi, ma non potendo adattarla devo ricorrere ad una alternativa, quindi cerchiamo allora di rendere questo schema utilizzabile o di vedere uno schema più furbo.
Innanzitutto vi posto lo schema così potete aiutarmi a risolvere le problematiche.
io ricevo un impulso dal pick-up e devo generare sempre un impulso di accensione del MOS di 1ms se non ho capito male. Come fare?
E per i diodi di spegnimento lato 12v?
Innanzitutto vi posto lo schema così potete aiutarmi a risolvere le problematiche.
io ricevo un impulso dal pick-up e devo generare sempre un impulso di accensione del MOS di 1ms se non ho capito male. Come fare?
E per i diodi di spegnimento lato 12v?
-

elektrojack
16 6 - Frequentatore

- Messaggi: 198
- Iscritto il: 11 mar 2011, 11:34
0
voti
Per quanto ne so io il diodo volano non ci deve essere altrimenti niente scintilla.
Nell' accensione tradizionale, quella con le puntine, c'è un condensatore in parallelo alla bobina che crea un circuito LC che oscilla. Questo genera diversi piccoli archi.
Se ci metti il diodo volano smorzi l' extratensione.
Nell' accensione tradizionale, quella con le puntine, c'è un condensatore in parallelo alla bobina che crea un circuito LC che oscilla. Questo genera diversi piccoli archi.
Se ci metti il diodo volano smorzi l' extratensione.
"La follia sta nel fare sempre la stessa cosa aspettandosi risultati diversi".
"Parla soltanto quando sei sicuro che quello che dirai è più bello del silenzio".
Rispondere è cortesia, ma lasciare l'ultima parola ai cretini è arte.
"Parla soltanto quando sei sicuro che quello che dirai è più bello del silenzio".
Rispondere è cortesia, ma lasciare l'ultima parola ai cretini è arte.
-

TardoFreak
73,9k 8 12 13 - -EY Legend-

- Messaggi: 15754
- Iscritto il: 16 dic 2009, 11:10
- Località: Torino - 3° pianeta del Sistema Solare
1
voti
Procediamo per passi.
1. le puntine hanno il condensatore in parallelo che serve per evitare che tra loro scocchi la scintilla e per far si che l'arco si verifichi al secondario della bobina.
2. in un accensione di tipo induttivo (come quella che ho) solo quando si apre il contatto tra le puntine ho l'arco nella candela, questo perché mentre loro sono chiuse il campo magnetico del volano induce una corrente nella bobina at (situata nello statore) e quando si aprono la corrente viene trasferita al secondario della bobina che scocca la scintilla. Se non ci fosse il condesatore la scintilla si avrebbe tra i contatti delle puntine.
3.Primo problema: ho un pick-up che mi da una sinusoide giusto? allora prendo solo la semionda positiva, poi la amplifico un po' e la squadro con un comparatore.
4.Devo ottenere degli impulsi di 1ms di durata costante ad ogni impulso del pick-up e questo lo potrei fare con un timer 555 che riceve il trigger sul fronte di discesa della quadra generata dal pick-up. Quindi ad ogni impulso di trigger ho il mio impulso di 1ms di durata che "segue" i giri del motore.
5. Questo impulso lo posso amplificare per pilotare magari un MOS di potenza che mi fa da interruttore per una bobina at di questo tipo che funziona a 12v, quindi non ha bisogno di essere survoltata:
6.Quindi avrei il problema analogo della scintilla nelle puntine se non metto un condensatore sul MOS?
Inoltre il MOS lo dovrei far lavorare sempre chiuso e aprirlo quando arriva il segnale di pick-up per emulare il comportamento delle puntine (questo non è un problema, basta lavorare in logica inversa).
7.Vorrei capire di quale diodo stavi parlando?
Grazie dell'attenzione
1. le puntine hanno il condensatore in parallelo che serve per evitare che tra loro scocchi la scintilla e per far si che l'arco si verifichi al secondario della bobina.
2. in un accensione di tipo induttivo (come quella che ho) solo quando si apre il contatto tra le puntine ho l'arco nella candela, questo perché mentre loro sono chiuse il campo magnetico del volano induce una corrente nella bobina at (situata nello statore) e quando si aprono la corrente viene trasferita al secondario della bobina che scocca la scintilla. Se non ci fosse il condesatore la scintilla si avrebbe tra i contatti delle puntine.
3.Primo problema: ho un pick-up che mi da una sinusoide giusto? allora prendo solo la semionda positiva, poi la amplifico un po' e la squadro con un comparatore.
4.Devo ottenere degli impulsi di 1ms di durata costante ad ogni impulso del pick-up e questo lo potrei fare con un timer 555 che riceve il trigger sul fronte di discesa della quadra generata dal pick-up. Quindi ad ogni impulso di trigger ho il mio impulso di 1ms di durata che "segue" i giri del motore.
5. Questo impulso lo posso amplificare per pilotare magari un MOS di potenza che mi fa da interruttore per una bobina at di questo tipo che funziona a 12v, quindi non ha bisogno di essere survoltata:
6.Quindi avrei il problema analogo della scintilla nelle puntine se non metto un condensatore sul MOS?
Inoltre il MOS lo dovrei far lavorare sempre chiuso e aprirlo quando arriva il segnale di pick-up per emulare il comportamento delle puntine (questo non è un problema, basta lavorare in logica inversa).
7.Vorrei capire di quale diodo stavi parlando?
Grazie dell'attenzione
-

elektrojack
16 6 - Frequentatore

- Messaggi: 198
- Iscritto il: 11 mar 2011, 11:34
0
voti
elektrojack ha scritto:...E per i diodi di spegnimento lato 12v?
"La follia sta nel fare sempre la stessa cosa aspettandosi risultati diversi".
"Parla soltanto quando sei sicuro che quello che dirai è più bello del silenzio".
Rispondere è cortesia, ma lasciare l'ultima parola ai cretini è arte.
"Parla soltanto quando sei sicuro che quello che dirai è più bello del silenzio".
Rispondere è cortesia, ma lasciare l'ultima parola ai cretini è arte.
-

TardoFreak
73,9k 8 12 13 - -EY Legend-

- Messaggi: 15754
- Iscritto il: 16 dic 2009, 11:10
- Località: Torino - 3° pianeta del Sistema Solare
0
voti
Ora non ho tempo di fare lo schema, ma seguendo i tuoi passi, potrebbe funzionare.
Così facendo andresti a sostituire le puntine con un mosfet. Mosfet che dovrà essere abbondandemente sovradimensionato, (non per nulla si è scelto di usare lo SCR).
Mosfet che nache dovrà essere ben pilotato, e non è facile, con due fronti ripidissimi.
L'uso del condensatore, in parallelo al mosfet, fa si che quando questi si apre, si apre su un temporaneo ponticello, e quindi non si accorge di nulla. (Sempre che, appunto, il fronte di discesa del segnale di gate sia di durata nulla. Quindi, attenzione a non caricare il gate con una tensione troppo elevata, inutile per la sua buona conduzione, ma dannosa per effettuare una rapida apertura.
Allora è chiaro che, con questo schema, il diodo di spegnimento non serve più.
Però: il mosfet si troverebbe a lavorare quasi sempre in conduzione e, anche se lo trovi con una Rds bassissima, la corrente ha un valore importante, e quindi la dissipazione di calore è rilevante. Negli schemi con SCR questo non accade perché si lavora in logica "positiva".
Poi resta la macchinostià è complessità del circuito di innesco: da fasare bene e da limitare nel tempo, con impulso di durata controllata... un elettronica molto complessa.
E' una strada in salita, costosa.
Così facendo andresti a sostituire le puntine con un mosfet. Mosfet che dovrà essere abbondandemente sovradimensionato, (non per nulla si è scelto di usare lo SCR).
Mosfet che nache dovrà essere ben pilotato, e non è facile, con due fronti ripidissimi.
L'uso del condensatore, in parallelo al mosfet, fa si che quando questi si apre, si apre su un temporaneo ponticello, e quindi non si accorge di nulla. (Sempre che, appunto, il fronte di discesa del segnale di gate sia di durata nulla. Quindi, attenzione a non caricare il gate con una tensione troppo elevata, inutile per la sua buona conduzione, ma dannosa per effettuare una rapida apertura.
Allora è chiaro che, con questo schema, il diodo di spegnimento non serve più.
Però: il mosfet si troverebbe a lavorare quasi sempre in conduzione e, anche se lo trovi con una Rds bassissima, la corrente ha un valore importante, e quindi la dissipazione di calore è rilevante. Negli schemi con SCR questo non accade perché si lavora in logica "positiva".
Poi resta la macchinostià è complessità del circuito di innesco: da fasare bene e da limitare nel tempo, con impulso di durata controllata... un elettronica molto complessa.
E' una strada in salita, costosa.
-

Candy
32,5k 7 10 13 - CRU - Account cancellato su Richiesta utente
- Messaggi: 10123
- Iscritto il: 14 giu 2010, 22:54
0
voti
candy ha scritto:Però: il mosfet si troverebbe a lavorare quasi sempre in conduzione e, anche se lo trovi con una Rds bassissima, la corrente ha un valore importante, e quindi la dissipazione di calore è rilevante. Negli schemi con SCR questo non accade perché si lavora in logica "positiva".
Il MOS dovrà lavorare in regime alternato (impulsivo) quindi non dovrei avere problemi di dissipazione di calore (problema comunque risolvibile).
candy ha scritto:Poi resta la macchinostià è complessità del circuito di innesco: da fasare bene e da limitare nel tempo, con impulso di durata controllata... un elettronica molto complessa.
E' una strada in salita, costosa.
Con il timer 555 riesco a generare gli impulsi che voglio, della durata di 1ms con grande precisione ad ogni impulso del pick-up quindi dove sta il problema?
Appena riesci puoi postare uno schema?
-

elektrojack
16 6 - Frequentatore

- Messaggi: 198
- Iscritto il: 11 mar 2011, 11:34
Torna a Autovetture, motori endotermici ed elettronica relativa
Chi c’è in linea
Visitano il forum: Nessuno e 13 ospiti

Elettrotecnica e non solo (admin)
Un gatto tra gli elettroni (IsidoroKZ)
Esperienza e simulazioni (g.schgor)
Moleskine di un idraulico (RenzoDF)
Il Blog di ElectroYou (webmaster)
Idee microcontrollate (TardoFreak)
PICcoli grandi PICMicro (Paolino)
Il blog elettrico di carloc (carloc)
DirtEYblooog (dirtydeeds)
Di tutto... un po' (jordan20)
AK47 (lillo)
Esperienze elettroniche (marco438)
Telecomunicazioni musicali (clavicordo)
Automazione ed Elettronica (gustavo)
Direttive per la sicurezza (ErnestoCappelletti)
EYnfo dall'Alaska (mir)
Apriamo il quadro! (attilio)
H7-25 (asdf)
Passione Elettrica (massimob)
Elettroni a spasso (guidob)
Bloguerra (guerra)