Cos'è ElectroYou | Login Iscriviti

ElectroYou - la comunità dei professionisti del mondo elettrico

Controllo bobina AT motore 2 tempi

Allestimenti, motori, impianti elettrici ed elettronici sulle automobili

Moderatore: Foto UtenteFranco012

0
voti

[51] Re: Controllo bobina AT motore 2 tempi

Messaggioda Foto Utenteelektrojack » 6 ago 2011, 13:50

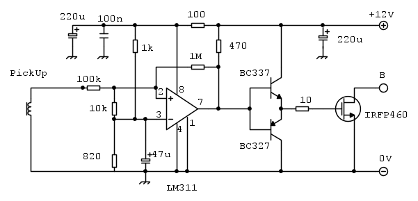
carloc ha scritto:Beh quello schema oltre alle rifiniture/dubbi già menzionati dovrebbe funzionare circa come le puntine meccaniche... ma direi che una volta fatte queste rifiniture si dovrebbe montarlo e provarlo per "vedere che succede" e poi eventualmente fare un tuning finale...

per il pickup se ha un polo a massa basta isolare per la DC l'ingresso "caldo" del circuito e usare solo quello (condensatore in serie)


così?

Ultima modifica di Foto Utenteelektrojack il 6 ago 2011, 14:04, modificato 2 volte in totale.
Avatar utente
Foto Utenteelektrojack
16 6
Frequentatore
Frequentatore
 
Messaggi: 198
Iscritto il: 11 mar 2011, 11:34

0
voti

[52] Re: Controllo bobina AT motore 2 tempi

Messaggioda Foto Utentealev » 6 ago 2011, 13:56

No.

Così:



Devi mettere tutto tra i tag [fcd]

PS:Non sono io l'autore dello schema
Avatar utente
Foto Utentealev
5.990 2 9 12
free expert
 
Messaggi: 6283
Iscritto il: 19 lug 2010, 14:38
Località: Altrove

0
voti

[53] Re: Controllo bobina AT motore 2 tempi

Messaggioda Foto Utenteelektrojack » 6 ago 2011, 14:10

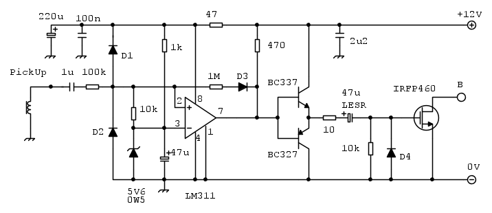
Ok grazie, ho provveduto anche a correggere lo schema, avevo dimenticato il condensatore.

Con questo comparatore si ha che quando l'impulso di pu è <0 l'uscita è bassa, invece quando l'impulso di pu è >0 l'uscita è alta; allora all'aumentare della freq dato che l'impulso di pu si restringe avrò una scintilla di minore intensità perché caricherò la bobina con un impulso di durata minore.
A questo punto allora, potrei ricavare il fronte di salita della uscita del comparatore ed usarlo come segnale di trigger per il 555 che mi da un impulso sempre di durata di 1 o 2ms indip. dal regime.
Aspetto notizie da carloc per eventuali miglioramenti.

Grazie
Avatar utente
Foto Utenteelektrojack
16 6
Frequentatore
Frequentatore
 
Messaggi: 198
Iscritto il: 11 mar 2011, 11:34

0
voti

[54] Re: Controllo bobina AT motore 2 tempi

Messaggioda Foto Utenteelektrojack » 6 ago 2011, 15:27

elektrojack ha scritto:A questo punto allora, potrei ricavare il fronte di salita della uscita del comparatore ed usarlo come segnale di trigger per il 555 che mi da un impulso sempre di durata di 1 o 2ms indip. dal regime.


Mi auto cito perché non riuscivo più ad editare.
Volevo sottolineare il fatto che se come dico uso un monostabile dopo il comparatore, a causa della riduzione della durata del picco positivo di pu con aumento di rpm, ovviamente il trigger arriverà posticipato al mono, ma forse non è un grosso problema in quanto io vorrei ridurre l'anticipo all'aumentare dei giri (posticiparlo); non so di quanto si posticiperà però potrò vederlo con una pistola stroboscopica quando proverò il tutto.
Avatar utente
Foto Utenteelektrojack
16 6
Frequentatore
Frequentatore
 
Messaggi: 198
Iscritto il: 11 mar 2011, 11:34

0
voti

[55] Re: Controllo bobina AT motore 2 tempi

Messaggioda Foto UtenteTardoFreak » 6 ago 2011, 16:33

elektrojack ha scritto:... io vorrei ridurre l'anticipo all'aumentare dei giri (posticiparlo)...


E perché mai?
Sono solo curioso.
"La follia sta nel fare sempre la stessa cosa aspettandosi risultati diversi".
"Parla soltanto quando sei sicuro che quello che dirai è più bello del silenzio".
Rispondere è cortesia, ma lasciare l'ultima parola ai cretini è arte.
Avatar utente
Foto UtenteTardoFreak
73,9k 8 12 13
-EY Legend-
-EY Legend-
 
Messaggi: 15754
Iscritto il: 16 dic 2009, 11:10
Località: Torino - 3° pianeta del Sistema Solare

2
voti

[56] Re: Controllo bobina AT motore 2 tempi

Messaggioda Foto Utentecarloc » 6 ago 2011, 16:58

modifiche...


* il C in serie all'ingresso isola la DC
* ora che l'ingresso è riferito a massa mi piace diminuire l'inpedenza vista nella massa fittizia a Vcc/2... sostituito R con zener
* D1 e D2 (tutti i diodi sono 1N4148 o simili) protezione sovratensioni dal pu
* D3 rende l'isteresi asimmetrica, le soglia sarà sempre 0V in discesa ma la puoi un po' variare in salita variando la R 1M ... forse (dipende dalla forma d'onda dal pu) tende un po' ad allungare la carica agli alti regimi complice la dipendenza della tensione del pu dai giri appunto (sperimentare)
* cambiato la R di filtro sull'alimentazione a 47..ci passano sui 10mA... cadeva troppo...
* cambiato C di filtro... non serviva così grande ma è più importante l'impedenza.. niente elettrolici..
* il C in serie al gate del MOS ed accessori impediscono la conduzione continuativa... mi sarebbe piaciuto non metterlo elettrolitico ma a bassi regimi ci vuole così grande.... comunque ci va un buon elettrolitico a bassa ESR/ESL 1A di corrente di ripple, se nò non dura.
* L'uscita dalla conduzione è lenta e quindi dissipativa... ho stimato un 15W per 1s.. comunque anche la dissipazione statica in conduzione è lì intorno... ci va un dissipatore generoso!
La dissipazione dinamica è una di quelle -poche- cose per cui forse conviene tirar fuori il simulatore se si hanno dei buoni modelli
* resta irrisolta la protezione extratensioni sul drain.. ho un paio di idee ma ho paura di far peggio...tipo instabilità e ancora più extratensioni...


elektrojack ha scritto:[...] non so di quanto si posticiperà [...]

io sì :D
ma la Legge oraria di un moto circolare uniforme non ti dice niente?
Se ti serve il valore di beta: hai sbagliato il progetto!
Avatar utente
Foto Utentecarloc
33,8k 6 11 13
G.Master EY
G.Master EY
 
Messaggi: 2153
Iscritto il: 7 set 2010, 19:23

0
voti

[57] Re: Controllo bobina AT motore 2 tempi

Messaggioda Foto Utentealev » 6 ago 2011, 17:24

TardoFreak ha scritto:
elektrojack ha scritto:... io vorrei ridurre l'anticipo all'aumentare dei giri (posticiparlo)...


E perché mai?
Sono solo curioso.


Anche io vorrei capire meglio.
poiché l'anticipo di un'accensione comandata per un motore a pistoni si misura e si regola in gradi sessagesimali, va da sè che 10000 giri/1' un anticipo di 15° viene coperto in meno tempo rispetto a 5000 gir/1'.

Tuttavia, aumentando i giri, l'anticipo viene di solito aumentato (ed anche considerevolmente) per compensare il tempo necessario alla combustione affinchè si determini correttamente l'istante, rispetto al PMS, di massima spinta sul pistone (ossia con lieve ritardo, quando il pistone ha appena iniziato a scendere).
Avatar utente
Foto Utentealev
5.990 2 9 12
free expert
 
Messaggi: 6283
Iscritto il: 19 lug 2010, 14:38
Località: Altrove

0
voti

[58] Re: Controllo bobina AT motore 2 tempi

Messaggioda Foto Utenteelektrojack » 6 ago 2011, 18:26

carloc ha scritto:* D3 rende l'isteresi asimmetrica, le soglia sarà sempre 0V in discesa ma la puoi un po' variare in salita variando la R 1M ... forse (dipende dalla forma d'onda dal pu) tende un po' ad allungare la carica agli alti regimi complice la dipendenza della tensione del pu dai giri appunto (sperimentare)
* cambiato la R di filtro sull'alimentazione a 47..ci passano sui 10mA... cadeva troppo...
* cambiato C di filtro... non serviva così grande ma è più importante l'impedenza.. niente elettrolici..
* il C in serie al gate del MOS ed accessori impediscono la conduzione continuativa... mi sarebbe piaciuto non metterlo elettrolitico ma a bassi regimi ci vuole così grande.... comunque ci va un buon elettrolitico a bassa ESR/ESL 1A di corrente di ripple, se nò non dura.


Senza C in serie al gate quali supponi sarebbero gli effetti? non capisco bene questa scelta.

* L'uscita dalla conduzione è lenta e quindi dissipativa... ho stimato un 15W per 1s.. comunque anche la dissipazione statica in conduzione è lì intorno... ci va un dissipatore generoso!
La dissipazione dinamica è una di quelle -poche- cose per cui forse conviene tirar fuori il simulatore se si hanno dei buoni modelli
carloc ha scritto:* resta irrisolta la protezione extratensioni sul drain.. ho un paio di idee ma ho paura di far peggio...tipo instabilità e ancora più extratensioni...

Il diodo di protezione tra drain e source va in conduzione se riceve una corrente inversa? se per caso (come per le puntine) quando si apre il contatto scocca la scintilla tra le puntine se non vi è un condensatore, in questo caso lo zener nel MOS conduce portando a massa la scintilla, quindi se la tensione ai suoi capi è troppo elevata si brucia. Non si può optare per un MOS che non abbia diodo di protezione e gli si pone tra drain e source un condensatore?

carloc ha scritto:io sì :D
ma la Legge oraria di un moto circolare uniforme non ti dice niente?


\Delta\alpha=\omega\, \Delta t

ma se non si sa di quanto delta t si riduce al max dei giri il segnale di pu come si fa a dire di quanto l'impulso del comparatore sarà ritardato?
Avatar utente
Foto Utenteelektrojack
16 6
Frequentatore
Frequentatore
 
Messaggi: 198
Iscritto il: 11 mar 2011, 11:34

1
voti

[59] Re: Controllo bobina AT motore 2 tempi

Messaggioda Foto Utenteelektrojack » 6 ago 2011, 18:34

Cita solo quando serve, altrimenti usa il tasto RISPONDI

L'anticipo viene diminuito nei motori 2 tempi e aumentato nei motori 4 tempi all'aumentare di rpm
Avatar utente
Foto Utenteelektrojack
16 6
Frequentatore
Frequentatore
 
Messaggi: 198
Iscritto il: 11 mar 2011, 11:34

0
voti

[60] Re: Controllo bobina AT motore 2 tempi

Messaggioda Foto Utenteelektrojack » 6 ago 2011, 18:50

Per carloc:
Se invece di utilizzare un pick-up utilizzassi un sensore hall avrei una quadra bella e di ampiezza costante ad ogni regime. Quelli che si trovano nei negozi di elettronca mi sa che sono troppo influenzabili dalla temperatura, o si possono utilizzare?
In casa ho sue sensori di posizione per albero motore da auto, dovrebbero essere ad effetto hall perché uno ha 3 pin e l'altro 4. Domanda: come posso riconoscere che sono ad effetto hall? dovrei avere il datasheet ma in rete non trovo le sigle e quindi non so niente, nemmeno fino a che freq arrivano.
Avatar utente
Foto Utenteelektrojack
16 6
Frequentatore
Frequentatore
 
Messaggi: 198
Iscritto il: 11 mar 2011, 11:34

PrecedenteProssimo

Torna a Autovetture, motori endotermici ed elettronica relativa

Chi c’è in linea

Visitano il forum: Nessuno e 29 ospiti