Ho anche visto un controllo realizzato mediante componenti integrati MAX7219 oppure mediante l'uso di TLC5940.
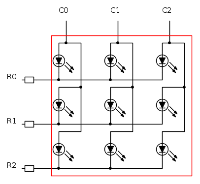
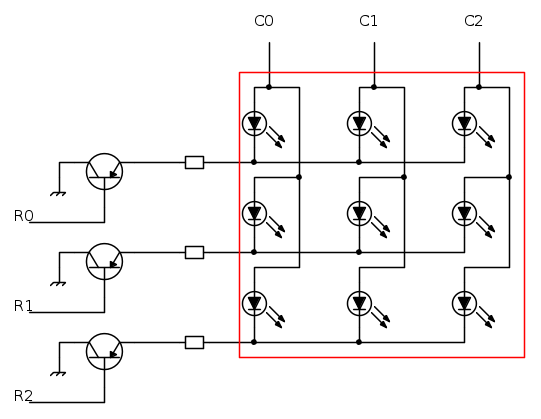
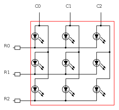
Usando un PIC (16F887) non dovrei avere problemi col controllo diretto giusto? Ha 35 porte I/O se non sbaglio.
Ad ogni modo la mia intenzione sarebbe quella di realizzare un controllo in grado di generare una "coreografia" (scritta via sw) e che permetta di cambiarla alla pressione di un pulsante. La luminosità è un fattore - chiamiamolo - secondario perché l'unica cosa che mi interessa è che aumentando il numero di LEDs accesi non succeda che la luminosità diminuisca. Per la variazione della luminosità ci posso lavorare anche successivamente, per ora faccio le cose facili facili e man mano alzo il livello di difficoltà.
Alla fine di questo progetto dovrò farne un altro in cui la coreografia cambia in maniera coerente con la musica ed infine un controllo mediante protocollo DMX512. Step by step.

Elettrotecnica e non solo (admin)
Un gatto tra gli elettroni (IsidoroKZ)
Esperienza e simulazioni (g.schgor)
Moleskine di un idraulico (RenzoDF)
Il Blog di ElectroYou (webmaster)
Idee microcontrollate (TardoFreak)
PICcoli grandi PICMicro (Paolino)
Il blog elettrico di carloc (carloc)
DirtEYblooog (dirtydeeds)
Di tutto... un po' (jordan20)
AK47 (lillo)
Esperienze elettroniche (marco438)
Telecomunicazioni musicali (clavicordo)
Automazione ed Elettronica (gustavo)
Direttive per la sicurezza (ErnestoCappelletti)
EYnfo dall'Alaska (mir)
Apriamo il quadro! (attilio)
H7-25 (asdf)
Passione Elettrica (massimob)
Elettroni a spasso (guidob)
Bloguerra (guerra)






