[PROGETTO] Controllo per matrice RGB 8x8
Moderatori:
carloc,
g.schgor,
BrunoValente,
IsidoroKZ
45 messaggi
• Pagina 3 di 5 • 1, 2, 3, 4, 5
0
voti
Invece serve.
Era giusto lo schema di prima.
Era giusto lo schema di prima.
"La follia sta nel fare sempre la stessa cosa aspettandosi risultati diversi".
"Parla soltanto quando sei sicuro che quello che dirai è più bello del silenzio".
Rispondere è cortesia, ma lasciare l'ultima parola ai cretini è arte.
"Parla soltanto quando sei sicuro che quello che dirai è più bello del silenzio".
Rispondere è cortesia, ma lasciare l'ultima parola ai cretini è arte.
-

TardoFreak
73,9k 8 12 13 - -EY Legend-

- Messaggi: 15754
- Iscritto il: 16 dic 2009, 11:10
- Località: Torino - 3° pianeta del Sistema Solare
0
voti
Veramente? Ho davvero dei problemi seri coi transistor allora. La resistenza di emettitore come va dimensionata?
Io credevo di dimensionare una resistenza standard per la base in maniera da far scorrere sempre la stessa corrente:
Considerando:
Vec = 0.6V
Vd = 0.6V (c.d.t. sul diodo)
Ie = 20mA
hFE = 50
Al fine di dimensionare Rb nel caso in cui Colonna sia a livello logico 1 (5V) e Riga sia a livello logico 0, risolvo la maglia per trovare la c.d.t. Vb sulla resistenza Rb
5 - Vd - Vec - Vb = 0; 5 - 0.6 - 0.6 - Vb = 0; Vb = 3.8V
Trovo la corrente necessaria su Ib affinchè sul collettore siano assicurati 20mA.

Quindi
In pratica io ho supposto che ci sia un solo carico, per quello ho fatto quell'errore. Che distratto!
Io credevo di dimensionare una resistenza standard per la base in maniera da far scorrere sempre la stessa corrente:
Considerando:
Vec = 0.6V
Vd = 0.6V (c.d.t. sul diodo)
Ie = 20mA
hFE = 50
Al fine di dimensionare Rb nel caso in cui Colonna sia a livello logico 1 (5V) e Riga sia a livello logico 0, risolvo la maglia per trovare la c.d.t. Vb sulla resistenza Rb
5 - Vd - Vec - Vb = 0; 5 - 0.6 - 0.6 - Vb = 0; Vb = 3.8V
Trovo la corrente necessaria su Ib affinchè sul collettore siano assicurati 20mA.

Quindi

In pratica io ho supposto che ci sia un solo carico, per quello ho fatto quell'errore. Che distratto!
0
voti
La Ic da comandare è 480mA se il multiplexing viene fatto sulle colonne.
Per quella corrente mi pare che il BC337 preveda una Vbe di 1 o 1,2V se non ricordo male.
Per quella corrente mi pare che il BC337 preveda una Vbe di 1 o 1,2V se non ricordo male.
"La follia sta nel fare sempre la stessa cosa aspettandosi risultati diversi".
"Parla soltanto quando sei sicuro che quello che dirai è più bello del silenzio".
Rispondere è cortesia, ma lasciare l'ultima parola ai cretini è arte.
"Parla soltanto quando sei sicuro che quello che dirai è più bello del silenzio".
Rispondere è cortesia, ma lasciare l'ultima parola ai cretini è arte.
-

TardoFreak
73,9k 8 12 13 - -EY Legend-

- Messaggi: 15754
- Iscritto il: 16 dic 2009, 11:10
- Località: Torino - 3° pianeta del Sistema Solare
0
voti
Esatto, io ho fatto l'errore di suppore che ci sia un unico carico (diodo LED) da comandare quindi ho usato lo schema sbagliato. Quello corretto, come mi hai detto poco fa, ha la resistenza sull'emettitore e non in base. Come la dimensiono la resistenza in questo caso?
0
voti
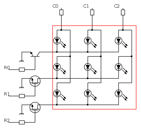
Alura,
Supponiamo che il multiplexing avvenga sulle colonne.
Le resistenze devono essere messe sulle righe che vengono collegate direttamente alle uscite del micro (se può erogare tale corrente) oppure al collettore di un transistor PNP che ha l' emettitore alla Vcc e la base che viene "tirata giù" dal micro per attivarlo.
Le colonne vengono collegate a massa de un NPN che deve sopportare la corrente di tutti i LED della colonna accesi contemporaneamente.
Se il micro può erogare corrente sufficiente per ogni uscita (20mA) si usa questo circuito dove la riga viene attivata da un 1 logico:
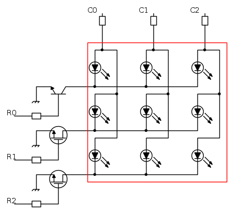
Se il micro ha le uscite deboli si usa quest' altro circuito ricordandosi che la riga viene attivata mandando uno 0 logico all' uscita del micro.
E, detto fra noi, sarebbe meglio mettere per tutti i due casi e per tutti i transistor una resistenza (basta anche da 100K) fra la base e l' emettitore.
Supponiamo che il multiplexing avvenga sulle colonne.
Le resistenze devono essere messe sulle righe che vengono collegate direttamente alle uscite del micro (se può erogare tale corrente) oppure al collettore di un transistor PNP che ha l' emettitore alla Vcc e la base che viene "tirata giù" dal micro per attivarlo.
Le colonne vengono collegate a massa de un NPN che deve sopportare la corrente di tutti i LED della colonna accesi contemporaneamente.
Se il micro può erogare corrente sufficiente per ogni uscita (20mA) si usa questo circuito dove la riga viene attivata da un 1 logico:
Se il micro ha le uscite deboli si usa quest' altro circuito ricordandosi che la riga viene attivata mandando uno 0 logico all' uscita del micro.
E, detto fra noi, sarebbe meglio mettere per tutti i due casi e per tutti i transistor una resistenza (basta anche da 100K) fra la base e l' emettitore.
"La follia sta nel fare sempre la stessa cosa aspettandosi risultati diversi".
"Parla soltanto quando sei sicuro che quello che dirai è più bello del silenzio".
Rispondere è cortesia, ma lasciare l'ultima parola ai cretini è arte.
"Parla soltanto quando sei sicuro che quello che dirai è più bello del silenzio".
Rispondere è cortesia, ma lasciare l'ultima parola ai cretini è arte.
-

TardoFreak
73,9k 8 12 13 - -EY Legend-

- Messaggi: 15754
- Iscritto il: 16 dic 2009, 11:10
- Località: Torino - 3° pianeta del Sistema Solare
0
voti
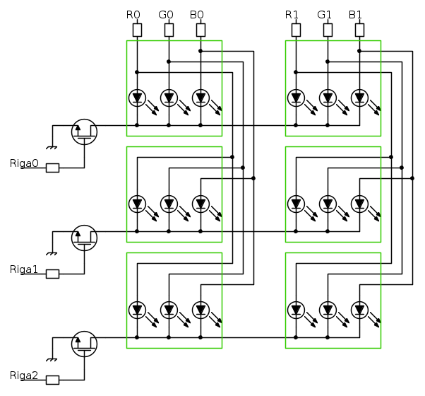
Questo e` il circuito che avevo in mente. Le R sulle colonne controllano la corrente di ogni singolo led, la R sulla base del transistore servirebbe a fornire la corrente necessaria per la saturazione senza sovraccaricare la parte logica.
Ma dato che la corrente puo` essere molto elevata e il beta forzato dei transistori in saturazione e` basso, conviene andare di MOS (logic level). Il primo transistor l'ho solo messo per fare vedere come sarebbe andato se la corrente fosse stata piu` piccola.
OOPS, avevo lo schema sbagliato, ora dovrebbe essere a posto.
Ma dato che la corrente puo` essere molto elevata e il beta forzato dei transistori in saturazione e` basso, conviene andare di MOS (logic level). Il primo transistor l'ho solo messo per fare vedere come sarebbe andato se la corrente fosse stata piu` piccola.
OOPS, avevo lo schema sbagliato, ora dovrebbe essere a posto.
Per usare proficuamente un simulatore, bisogna sapere molta più elettronica di lui
Plug it in - it works better!
Il 555 sta all'elettronica come Arduino all'informatica! (entrambi loro malgrado)
Se volete risposte rispondete a tutte le mie domande
Plug it in - it works better!
Il 555 sta all'elettronica come Arduino all'informatica! (entrambi loro malgrado)
Se volete risposte rispondete a tutte le mie domande
0
voti
mattyyy ha scritto:Quindo dato che la matrice RGB ha 24 colonne mi conviene comandare le righe, così metto solamente 8 transistor invece di 24. Faccio uno schema e lo metto!
Comandare le righe vuol dire fare multiplexing 1:24?
Scordatelo.

"La follia sta nel fare sempre la stessa cosa aspettandosi risultati diversi".
"Parla soltanto quando sei sicuro che quello che dirai è più bello del silenzio".
Rispondere è cortesia, ma lasciare l'ultima parola ai cretini è arte.
"Parla soltanto quando sei sicuro che quello che dirai è più bello del silenzio".
Rispondere è cortesia, ma lasciare l'ultima parola ai cretini è arte.
-

TardoFreak
73,9k 8 12 13 - -EY Legend-

- Messaggi: 15754
- Iscritto il: 16 dic 2009, 11:10
- Località: Torino - 3° pianeta del Sistema Solare
0
voti
il multiplexing deve avvenire per tutti e 3 i canali contemporaneamente.... altrimenti non può venire nulla di buono...
Cioè:
Che se poi vai a rivedere il tuo primo post è lo stesso schema con cui è costruita la matrice.
In pratica per ogni riga devi pilotare all'unisono tutti e 24 gli ingressi della matrice 8 per colore..
P.s. ma sarebbe possibile mettere una batteria (3 ic da 8 porte) di buffer anzichè usare altri 24 transistor per pilotare i led? ci sono problemi di lentezza del buffer che porta ritardi? costano di più?
Cioè:
Che se poi vai a rivedere il tuo primo post è lo stesso schema con cui è costruita la matrice.
In pratica per ogni riga devi pilotare all'unisono tutti e 24 gli ingressi della matrice 8 per colore..
P.s. ma sarebbe possibile mettere una batteria (3 ic da 8 porte) di buffer anzichè usare altri 24 transistor per pilotare i led? ci sono problemi di lentezza del buffer che porta ritardi? costano di più?
...:::Pivello allo sbaraglio:::...
MY WEBSITE! come and see... ;) <-- Di nuovo online... spiacente per i problemi tecnici!
MY WEBSITE! come and see... ;) <-- Di nuovo online... spiacente per i problemi tecnici!
-

crestus
1.295 2 7 13 - Expert EY

- Messaggi: 478
- Iscritto il: 3 ott 2008, 10:28
- Località: studente al politecnico di torino
0
voti
Quello che intendevo è esattamente ciò che ha postato
crestus, grazie! In questo modo non sono solamente necessari 8 transistor (uno per ogni riga)? Con quello schema, per attivare la singola riga, è necessario portala ad "1" mentre io qui avevo fatto in modo che si attivasse con uno "0" (mi va benissimo in entrambi i casi)
A questo punto però come faccio il dimensionamento delle resistenze (soprattutto quella di GATE)? Grazie allo schema messo da
crestus è possibile attivare più RIGHE contemporaneamente?
PS: già che ci sono vi chiederi gentilmente delle delucidazioni sui MOS perché non li ho mai affrontati - quali sono i vantaggi/svantaggi di questa tecnologia rispetto ai BJT? Quali le differenze sostanziali nell'applicazione in questo progetto?
Vorrei ringraziarvi per l'aiuto che mi state dando perché sarei veramente confuso se dovessi fare tutto da solo!
A questo punto però come faccio il dimensionamento delle resistenze (soprattutto quella di GATE)? Grazie allo schema messo da
PS: già che ci sono vi chiederi gentilmente delle delucidazioni sui MOS perché non li ho mai affrontati - quali sono i vantaggi/svantaggi di questa tecnologia rispetto ai BJT? Quali le differenze sostanziali nell'applicazione in questo progetto?
Vorrei ringraziarvi per l'aiuto che mi state dando perché sarei veramente confuso se dovessi fare tutto da solo!
45 messaggi
• Pagina 3 di 5 • 1, 2, 3, 4, 5
Chi c’è in linea
Visitano il forum: Nessuno e 63 ospiti

Elettrotecnica e non solo (admin)
Un gatto tra gli elettroni (IsidoroKZ)
Esperienza e simulazioni (g.schgor)
Moleskine di un idraulico (RenzoDF)
Il Blog di ElectroYou (webmaster)
Idee microcontrollate (TardoFreak)
PICcoli grandi PICMicro (Paolino)
Il blog elettrico di carloc (carloc)
DirtEYblooog (dirtydeeds)
Di tutto... un po' (jordan20)
AK47 (lillo)
Esperienze elettroniche (marco438)
Telecomunicazioni musicali (clavicordo)
Automazione ed Elettronica (gustavo)
Direttive per la sicurezza (ErnestoCappelletti)
EYnfo dall'Alaska (mir)
Apriamo il quadro! (attilio)
H7-25 (asdf)
Passione Elettrica (massimob)
Elettroni a spasso (guidob)
Bloguerra (guerra)






