Cos'è ElectroYou | Login Iscriviti

ElectroYou - la comunità dei professionisti del mondo elettrico

Controllo bobina AT motore 2 tempi

Allestimenti, motori, impianti elettrici ed elettronici sulle automobili

Moderatore: Foto UtenteFranco012

0
voti

[61] Re: Controllo bobina AT motore 2 tempi

Messaggioda Foto Utentealev » 6 ago 2011, 19:24

elektrojack ha scritto:L'anticipo viene diminuito nei motori 2 tempi e aumentato nei motori 4 tempi all'aumentare di rpm

Però non vedo le ragioni tecniche di questo, ammesso e non concesso che sia giusto quello che dici.

Visto che la variazione d'anticipo è necessaria per sincronizzare la combustione rispetto al PMS e che, all'aumentare dei giri, il tempo per la combustione diminuisce sempre di più, allora a prescindere dal ciclo termodinamico del motore, la scintilla della candela deve avvenire prima e quindi l'anticipo aumenta.
Avatar utente
Foto Utentealev
5.990 2 9 12
free expert
 
Messaggi: 6282
Iscritto il: 19 lug 2010, 14:38
Località: Altrove

0
voti

[62] Re: Controllo bobina AT motore 2 tempi

Messaggioda Foto Utenteelektrojack » 6 ago 2011, 19:43

in generale la scintilla deve avvenire prima del pms, ma per il 2 tempi l'anticipo va diminuito più si aumentano gli rpm.
ci sono tanti documenti in rete che spiegano questo e i motivi, non li ricordo tutti.
Avatar utente
Foto Utenteelektrojack
16 6
Frequentatore
Frequentatore
 
Messaggi: 198
Iscritto il: 11 mar 2011, 11:34

0
voti

[63] Re: Controllo bobina AT motore 2 tempi

Messaggioda Foto Utentealev » 6 ago 2011, 19:49

elektrojack ha scritto:ci sono tanti documenti in rete che spiegano questo e i motivi, non li ricordo tutti.


Io ho letto tanti anni fa il "Motori endotermici" di Dante Giacosa e questo non lo ricordo, anche se lì non si parlava di motori a 2t da 15000 gir/1'.

Puoi mettere un link?
Avatar utente
Foto Utentealev
5.990 2 9 12
free expert
 
Messaggi: 6282
Iscritto il: 19 lug 2010, 14:38
Località: Altrove

0
voti

[64] Re: Controllo bobina AT motore 2 tempi

Messaggioda Foto Utenteelektrojack » 6 ago 2011, 20:24

Avatar utente
Foto Utenteelektrojack
16 6
Frequentatore
Frequentatore
 
Messaggi: 198
Iscritto il: 11 mar 2011, 11:34

0
voti

[65] Re: Controllo bobina AT motore 2 tempi

Messaggioda Foto Utentealev » 6 ago 2011, 20:49

Si, nel frattempo l'avevo trovato anche io, grazie comunque.
Avatar utente
Foto Utentealev
5.990 2 9 12
free expert
 
Messaggi: 6282
Iscritto il: 19 lug 2010, 14:38
Località: Altrove

2
voti

[66] Re: Controllo bobina AT motore 2 tempi

Messaggioda Foto Utentecarloc » 7 ago 2011, 9:55

Il C serie al gate serve solo ad evitare che a motore fermo, ma quadro acceso, il MOS rimanga in conduzione, corrente nella bobina e possibilità di farla arrosto
Che rimanga accesa è probabile che avvenga, il trigger di Smith ha due stati stabili se l'ingresso è tra le soglie.
La dissipazione alta si applica solo al caso dell'intervento di questa protezione -una tantum- e dopo circa 1s è finito tutto.
Comunque -di nuovo- le puntine meccaniche non avevano questa accortezza.... puoi anche tornare al primo schema... ma la 10k tra G ed S lasciala, ci stà bene comunque.

Il darlington nel datasheet dell'IC ha il diodo integrato e il condensatore non è disegnato.... sono un po' perplesso... ma mi atterrei a questi dati.

La fase del segnale dal pickup è sostanzialmente indipendente dal regime di rotazione... altrimenti non ci si potrebbe fare le accensioni....

Lo zero-crossing in discesa si ha quando pu e riferimento sono perfettamente allineati.

Quello in salita circa 180° prima/dopo. Dipende dalla costruzione meccanica del volano che influenza la riluttanza del circuito magnetico e quindi la distribuzione del flusso di B, e magari in misura minore anche da quello che c'è intorno.
Ma fosse anche da un'altra parte rimane lì indipendente dal numero di giri/min

I sensori di Hall rispondono al flusso di B, invece il pickup fornisce una tensione proporzionale derivata del flusso di B e questo fatto assicura un passaggio per lo zero esattamente quando riferimento e pickup sono allineati.
Se usi un Hall analogico poi devi trovare l'istante del massimo dell'uscita... se ne usi uno digitale avrai una soglia critica, variabile ed anticipata....
Senza considerare l'infuenza della variabilità del campo, tempi di risposta, derive...
Se ti serve il valore di beta: hai sbagliato il progetto!
Avatar utente
Foto Utentecarloc
33,8k 6 11 13
G.Master EY
G.Master EY
 
Messaggi: 2153
Iscritto il: 7 set 2010, 19:23

0
voti

[67] Re: Controllo bobina AT motore 2 tempi

Messaggioda Foto Utenteelektrojack » 7 ago 2011, 23:59

Ottima argomentazione.
Ma se usassi un hall digitale come questo: https://www.distrelec.it/sensore-digita ... 3-a/245210

Se vedi la scheda tecnica forse si averebbero alcuni vantaggi in termini di condizionamento e gestione del segnale.
avrei una quadra di ampiezza costante ad ogni regime e potrei ricavare il fronte di salita per dare un impulso con monostabile sempre della stessa durata e quindi tunabile a piacere (entro limiti) no?
perché alla fine a noi interessa che la scintilla abbia la stessa durata sempre.

Non ho capito bene quando hai parlato del darlington riguardo il diodo di protezione e la capacità di cui ti ho chiesto in riferimento ad accensione a puntine.

Comunque già il circuito con pu che hai fatto non è male, mi rimane solo il dubbio del fatto di ottenere impulsi della stessa durata per ogni regime.
Avatar utente
Foto Utenteelektrojack
16 6
Frequentatore
Frequentatore
 
Messaggi: 198
Iscritto il: 11 mar 2011, 11:34

0
voti

[68] Re: Controllo bobina AT motore 2 tempi

Messaggioda Foto Utenteelektrojack » 9 ago 2011, 13:29

Domande: la resistenza da 10k che fa parte del partitore in ingresso non dovrebbe essere posta tra il + del comparatore e massa invece che tra + e -?
Se a 1000rpm il pu da 3v di picco positivo, con il partitore avrò in ingresso 0.3v che mi darà sempre un uscita bassa dal comparatore perché il pin - è fissato a 5,6v e quindi non riesco nemmeno ad accendere il motore..


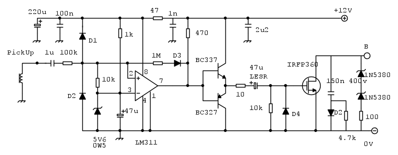
Posto alcune modifiche allo schema di carloc



Ho posto un condensatore da 1n sull'alimentazione.
Inoltre vi è una limitazione di sovratensione per proteggere il MOS (ora è irfp360 perché ha rds 0.2 ohm più bassa di prima) composta da 2 diodi zener e una resistenza che limitano la tensione a quasi 400v.
Dato che la bobina at (come nel caso delle puntine) ha bisogno di un condesatore che innalza la tensione al monento dello spegnimento del MOS, ho posto un condensatore da 150n 400v per elevare la tensione al primario.

Rimane sempre il problema di riduzione della durata della scintilla agli alti regimi causata dal restringimento del segnale positivo di pu. Forse utilizzando un sensore hall digitale come quello del link precedente, che non varia la sua ampiezza con i giri, si riesce ad avere una durata costante dell'impulso di accensione.
Avatar utente
Foto Utenteelektrojack
16 6
Frequentatore
Frequentatore
 
Messaggi: 198
Iscritto il: 11 mar 2011, 11:34

2
voti

[69] Re: Controllo bobina AT motore 2 tempi

Messaggioda Foto Utentecarloc » 10 ago 2011, 0:21

elektrojack ha scritto:[...]con il partitore avrò in ingresso 0.3v che mi darà sempre un uscita bassa dal comparatore [...]

questo succede se metti la R 10k verso massa... il riferimento per l'ingresso è circa metà alimentazione che c'è sull'invertente del comparatore.. ed il C 1u all'ingresso si carica giusto a quel valore e poi trasla l'ingresso verso l'alto... il classico accoppiamento AC di un qualsiasi circuito che ha necessità di un bias DC... per le variazioni l'invertente del comparatore è massa...

elektrojack ha scritto:[...]Ho posto un condensatore da 1n sull'alimentazione.

:?: :?: :?:

IRFP360 ha rdson più bassa... ma anche Vdsmax più bassa...

per lo stadio di uscita non saprei...bisognerebbe fare un po' di prove.. non conosco l'induttanza della bobina... non saprei come modellare la scintilla ed il suo effetto sul primario
Lo schema proposto era solo copiato dal datasheet dell'IC niente C e diodo nel darlington che ha Vcemax di 500V.

Forse lo snubber non ci stà male... come hai calcolato i valori?
...ma i due zener (che sono da 120V l'uno ?) credo smorzino poco... i 100 ohm in serie sono veramente tanti considerato la corrente nella bobina nell'ordine degli ampere e d'altra parte abbassandola si potrebbe farli arrosto superando la surge current... di nuovo snza un modello della bobina si tira ad indovinare...
Se ti serve il valore di beta: hai sbagliato il progetto!
Avatar utente
Foto Utentecarloc
33,8k 6 11 13
G.Master EY
G.Master EY
 
Messaggi: 2153
Iscritto il: 7 set 2010, 19:23

0
voti

[70] Re: Controllo bobina AT motore 2 tempi

Messaggioda Foto Utenteelektrojack » 10 ago 2011, 13:39

Il cond 1n serve per i disturbi ad altissima freq.
Mettendo irfp360 ho vdsmax 100v minore dell'irfp460 però è verò che ho anche un protezione con gli zener che mi limita la tensione massima. Si ho tirato un po' a caso perché non sapendo l'induttanza della bobina.....
Comunque sono prove che farò anche riguardo il fatto del condensatore da 150n e la resistenza da 4.7k.
Per il discorso invece del sensore ad effetto hall https://www.distrelec.it/sensore-digita ... 3-a/245210

cosa mi dici? potrei avere impulso di durata costante prestabilito (con monos) ad ogni fronte di salita che lui mi da?
Avatar utente
Foto Utenteelektrojack
16 6
Frequentatore
Frequentatore
 
Messaggi: 198
Iscritto il: 11 mar 2011, 11:34

PrecedenteProssimo

Torna a Autovetture, motori endotermici ed elettronica relativa

Chi c’è in linea

Visitano il forum: Nessuno e 20 ospiti