Cos'è ElectroYou | Login Iscriviti

ElectroYou - la comunità dei professionisti del mondo elettrico

Orologio a led

Elettronica lineare e digitale: didattica ed applicazioni

Moderatori: Foto Utentecarloc, Foto Utenteg.schgor, Foto UtenteBrunoValente, Foto UtenteIsidoroKZ

1
voti

[241] Re: Orologio a led

Messaggioda Foto Utentemarco438 » 21 ago 2011, 11:04

Dalla tua ultima risposta, credo che tu non abbia capito bene come funziona la cosa. :-)
Guarda le serigrafie che seguono (qui si tratta di due piccoli PCB di un volmetro digitale con solo due connettori da 5 pin l'uno) per renderti meglio conto di quello che dovrai fare.
002.jpg
una delle parti con i connettori
002.jpg (176.94 KiB) Osservato 15041 volte

003.jpg
la seconda parte con gli altri connettori
003.jpg (95.01 KiB) Osservato 15040 volte

004.jpg
le due parti "unite a sandwich"
004.jpg (85.86 KiB) Osservato 15041 volte

Mi farebbe inoltre piacere sapere quali sono le tue esperienze nel campo delle costruzioni elettroniche:
hai mai fatto il layout di un circuito complesso partendo dallo schema elettrico?
La domanda sorge dal fatto che stamattina ho riguardato tutti gli schemi inerenti il progetto rendendomi conto che, riportarli su due/tre millefori, non e' affatto una passeggiata. #-o
O_/
marco
Avatar utente
Foto Utentemarco438
37,1k 7 11 13
-EY Legend-
-EY Legend-
 
Messaggi: 16323
Iscritto il: 24 mar 2010, 15:09
Località: Versilia

0
voti

[242] Re: Orologio a led

Messaggioda Foto Utentegiorjevic » 21 ago 2011, 13:48

Questo è il primo progetto complesso che sto realizzando quindi non ho esperienze in altre costruzioni che richiedano competenze e analisi come questo.
L'utilizzare più millefori non sarebbe un problema perché su ogni millfori ho intezione di riportare sempre le linee di alimentazione positiva e negativa e poi quei due (massimo tre) segnali che servono per mandare avanti il circuito. Premetto che il voler utilizzare più di una millefori nasce dal fatto che avevo fatto un layout in cui nel lato rame della millefori i fili li spellavo tutti e creavo delle piste. Poi Isidoro mi ha consigliato di lasciare i fili integri con le loro guaine isolanti in maniera da semplificare la cosa senza creare piste e risparmiare spazio.

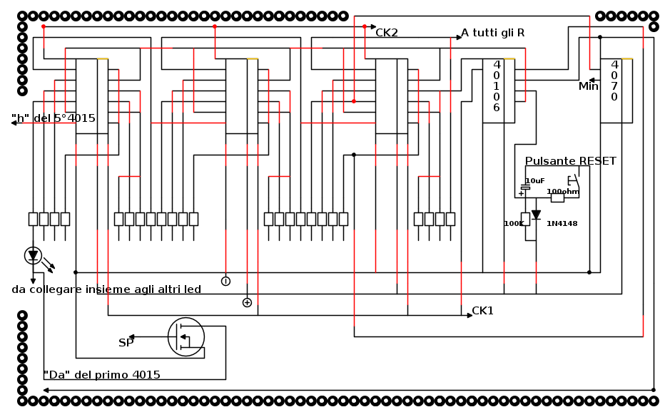
Questi sono i primi due layout che ho creato il terzo ancora non lo porto a termine perché alcuni collegamenti ancora devo verificarli con Isidoro. In nero sono riportate le piste sul lato rame e con il rosso la pista eseguita sul lato componenti e con il giallo il filo che passa sotto l'integrato



questo è invece il secondo layout cioè il seguito del primo




Il segnale CK1 è da collegare al CK2 per tutti i CD4015 tranne per l'ultimo CD4015.Tale collegamento manca ma volontariamente mi serviva per tenere più a mente dove passavano i due segnali CK1 e CK2.

I led non li ho inseriti nel layout perché non andranno sulla millefori e quindi avrebbero occupato spazio inutilmente. Le resistenze sono però collegate ai singoli anodi dei led mentre il catodo è comune per tutti ed è collegato al transitor che si vede in basso a sinistra nel secondo layout



Marco438 posso chiederti un favore? cioè se è possibile vedere non delle serigrafie ma delle foto reali di questi connettori in cui magari vengono inseriti dei fili perché il tutto non mi è ancora chiaro. La domanda principale è: come faccio a collegare l'anodo dei led ai connettori? come sono collegati i connettori alle resistenze?
Penso che dei fili volanti saranno usati necessariamente andranno saldati sui connettori oppure sulla millefori?

faccio uno schizzo per farti capire meglio il mio problema




Potresti darmi una mano partendo da questo schizzo e spiegarmi passo dopo passo che movimenti devo fare con i connettori? Dallo schizzo che ho fatto è evidente che avrei utilizzato dei fili per collegare anodo e catodo dei led sui connettori. Cosa devo fare?
Avatar utente
Foto Utentegiorjevic
10 4 8
Frequentatore
Frequentatore
 
Messaggi: 279
Iscritto il: 3 apr 2011, 15:30

0
voti

[243] Re: Orologio a led

Messaggioda Foto Utentegiorjevic » 21 ago 2011, 17:09

Per Isidoro: Questa è la visione prospettica d'insieme che mi avevi chiesto. La profondità è ancora da definire secondo te come spazio va bene? considerando poi che i display occuperanno complessivamente in lunghezza 19.2cm e in altezza 7cm mentre i led saranno disposti lungo una circonferenza di raggio 14cm alla distanza di un angolo pario a 6°

Ecco il disegno
Avatar utente
Foto Utentegiorjevic
10 4 8
Frequentatore
Frequentatore
 
Messaggi: 279
Iscritto il: 3 apr 2011, 15:30

0
voti

[244] Re: Orologio a led

Messaggioda Foto Utentemarco438 » 22 ago 2011, 18:30

Ho visto i tuoi ultimi disegni e, in effetti, almeno per quanto riguarda i led, la soluzione che ti avevo proposto non e' attuabile; non avevo capito che intendi montarli direttamente sul quadrante (pensavo fossero montati su millefori).
Non ti resta quindi che la connessione tramite fili saldandoli sui reofori dei led stessi.
Adopererei per l'operazione, della guaina termorestringente che, oltre all'isolamento, da un po' piu' di solidita' alla connessione. Dalla parte opposta pero' il discorso dei connettori, se pur volanti , resta valido.
O_/
marco
Avatar utente
Foto Utentemarco438
37,1k 7 11 13
-EY Legend-
-EY Legend-
 
Messaggi: 16323
Iscritto il: 24 mar 2010, 15:09
Località: Versilia

0
voti

[245] Re: Orologio a led

Messaggioda Foto Utentegiorjevic » 22 ago 2011, 18:42

Perfetto in definitiva quindi arriveremo ad una soluzione di compromesso :-)

Una curiosità,visto che adesso i connettori non sono più utili per i led per cosa posso adoperarli? mi conviene acquistarli?
L'idea di disporre le millefori in verticale è una valida proposta ma poi come faccio a "saldare" la millefori tenendola sospesa nel vuoto? devo utilizzare i connettori in maniera tale che il loro scopo sia unicamente quello di punto d'attacco alla parete in plexiglass?
I consigli li ascolto molto volentieri mi fanno piacere ;-)

La guaina termorestringente seppur da più solidità al filo non la dà alla saldatura,ho bisogno invece di un filo che sia durevole e che sia resistente allo stress perché ho paura che durante il montaggio finale dentro la scatola qualcosa possa andare storto.


Per Foto UtenteIsidoroKZ ho appena comprato l'alimentatore stabilizzato. Ha uno switching da 5 a 15V e passa pure 13,5V. Per quanto riguarda gli Ampere riesce a tirarne fuori 3A fino a 12V mentre da 13,5V a 15V ne riesce a tirare fuori 2,4A. Con 15V di tensione è ancora necessario l'utilizzo del regolatore LM317?


Nel caso in cui i regolatori non dovessi più utilizzarli potrei omettere i fori sulla scatola per non perdere dal punto di vista estetico?
Avatar utente
Foto Utentegiorjevic
10 4 8
Frequentatore
Frequentatore
 
Messaggi: 279
Iscritto il: 3 apr 2011, 15:30

1
voti

[246] Re: Orologio a led

Messaggioda Foto Utentemarco438 » 22 ago 2011, 18:54

Dai un'occhiata a questa vecchia mia realizzazione.
Se guardi attentamente vedrai che tutti i fili "volanti" sono connessi alle rispettive basette tramite connettori maschi e femmine.
foto orologio.jpg
foto orologio.jpg (124.8 KiB) Osservato 14981 volte

Allora, purtroppo, non esisteva la guaina termorestringente e si doveva adoperare del volgare nastro isolante che poi, regolarmente, si staccava.
Per le saldature sui reofori dei led perche' siano durevoli, oltre ad un buon filo, le farei "lunghe" (unendo 5/6mm di reoforo ad altrettanto filo, sovrapposti); dopo, la termorestringente.
O_/
marco
Avatar utente
Foto Utentemarco438
37,1k 7 11 13
-EY Legend-
-EY Legend-
 
Messaggi: 16323
Iscritto il: 24 mar 2010, 15:09
Località: Versilia

0
voti

[247] Re: Orologio a led

Messaggioda Foto Utentegiorjevic » 22 ago 2011, 21:41

Perfetto allora comprerò anche dei connettori maschi e femmine :D

Già che ci sono domani compro anche la guaina termorestringente in modo da rendere più stabile e isolata la saldatura.

I miei fili volanti sarebbero solo quelli dei led per i quali abbiamo risolto con il termorestringente mentre gli altri fili volanti sono quelli che dalla basetta vanno ai display. Per quei fili cosa mi consigli di fare? di comprare dei connettori?


Come le collego due basette millefori insieme?

Come le attacco alla parete in plexiglass le due millefori?
Avatar utente
Foto Utentegiorjevic
10 4 8
Frequentatore
Frequentatore
 
Messaggi: 279
Iscritto il: 3 apr 2011, 15:30

0
voti

[248] Re: Orologio a led

Messaggioda Foto Utentemarco438 » 22 ago 2011, 22:09

Le due basette possono essere collegate (insieme) alla parete posteriore mediante due barre filettate, dadi e rondelle (sopra e sotto entrambe le basette), come indicato in figura:

Per il collegamento dei display adopererei del nastro multipolare ed idonei connettori.
O_/
marco
Avatar utente
Foto Utentemarco438
37,1k 7 11 13
-EY Legend-
-EY Legend-
 
Messaggi: 16323
Iscritto il: 24 mar 2010, 15:09
Località: Versilia

0
voti

[249] Re: Orologio a led

Messaggioda Foto Utentegiorjevic » 26 ago 2011, 1:17

Questi sono i layout

Layout 1


Layout 2



Layout 3


Layout 4


Isidoro non so come fare per riuscire a far in modo da creare due file di connettori strip line per i led potresti aiutarmi?


L'idea di adottare degli strip line da 5 poli nel layout dei contatori e dei display è valido oppure mi consigli un altro metodo?


Potresti darmi anche un consiglio su come realizzare le piste di alimentazione positiva e negativa?


I connettori li ho comprati sul sito consigliato da Foto Utentemarco438 ne ho comprati alcuni ad angolo(solo maschi) e dritti(maschi e femmine)
Avatar utente
Foto Utentegiorjevic
10 4 8
Frequentatore
Frequentatore
 
Messaggi: 279
Iscritto il: 3 apr 2011, 15:30

0
voti

[250] Re: Orologio a led

Messaggioda Foto Utentemarco438 » 26 ago 2011, 7:28

Vedo che hai recepito l'importanza di adoperare i connettori e cio' ti permette di evitare un sacco di fili volanti.
Nella foto di qualche giorno fa ti ho fatto vedere una vecchia realizzazione di orologio; qui, hai quella di una costruzione attuale, non ancora terminata che sto' facendo per un amico.
Snapshot_20110821.jpg
Snapshot_20110821.jpg (66.73 KiB) Osservato 14911 volte

Come puoi vedere, ho compattato tutte le parti (che nell'altro erano separate) e, ad orologio terminato ci sara' da cablare solo il trasformatore e due/tre fili per i comandi.
Snapshot_20110821_4.jpg
Snapshot_20110821_4.jpg (52.43 KiB) Osservato 14911 volte

Questa, la vista di fronte con i display.
Spero che le immagini possano servirti per farti un'idea dei diversi metodi di costruzione.
O_/

P.S. Mi scuso per la qualita' delle foto ma, in mancanza di macchinetta digitale (che si e' fregata mia figlia andando in ferie) ho dovuto farle con lo schermo del computer.
marco
Avatar utente
Foto Utentemarco438
37,1k 7 11 13
-EY Legend-
-EY Legend-
 
Messaggi: 16323
Iscritto il: 24 mar 2010, 15:09
Località: Versilia

PrecedenteProssimo

Torna a Elettronica generale

Chi c’è in linea

Visitano il forum: Nessuno e 58 ospiti