Cos'è ElectroYou | Login Iscriviti

ElectroYou - la comunità dei professionisti del mondo elettrico

Progetto Bromografo

Elettronica lineare e digitale: didattica ed applicazioni

Moderatori: Foto Utentecarloc, Foto Utenteg.schgor, Foto UtenteBrunoValente, Foto UtenteIsidoroKZ

0
voti

[131] Re: Progetto Bromografo

Messaggioda Foto UtenteTONYSTARK » 29 ago 2011, 23:31

Beh, un paio di motivi ci sono:
1 - Vorrei evitare di lavorare, per principio, con una tensione del genere, in somma metterci una mano non mi sembra il massimo.

2 - con 220 V vanno circa 62 led, quindi dovrei fare 6 paralleli e un po per mettere i miei 400 led; a me quel po non piace affatto; o fai un enorme caduta di potenziale su di una resistenza o comunque ti metti a ridurre la tensione per altre vie.

3 - e poi dovrò pur riutilizzarlo il trasformatore dello scanner, che faccio lo butto :D
C. America: Sei grosso con l'armatura; senza quella cosa sei?
Tony Stark: Un genio, miliardario playboy filantropo

Sfodera un autocompiacimento da manuale... Concordo

Se i miei calcoli non sono errati, e non lo sono mai, 3 Giga Joule al secondo
Avatar utente
Foto UtenteTONYSTARK
3.760 5 11 13
Expert EY
Expert EY
 
Messaggi: 2022
Iscritto il: 24 mag 2010, 21:00
Località: Roma

1
voti

[132] Re: Progetto Bromografo

Messaggioda Foto UtenteBrunoValente » 30 ago 2011, 9:14

TONYSTARK ha scritto:Beh, un paio di motivi ci sono:
1 - Vorrei evitare di lavorare, per principio, con una tensione del genere, in somma metterci una mano non mi sembra il massimo.

Be', se avessi scelto di utilizzare lampade UV credo non ti saresti posto il problema.

TONYSTARK ha scritto:2 - con 220 V vanno circa 62 led, quindi dovrei fare 6 paralleli e un po per mettere i miei 400 led; a me quel po non piace affatto; o fai un enorme caduta di potenziale su di una resistenza o comunque ti metti a ridurre la tensione per altre vie.

Da dove esce 62,...? forse 220/3.5? Tieni conto che 220 è alternata, quindi quel conto non ha senso, inoltre non puoi alimentare i led in tensione, occorre regolare la corrente almeno con un resistore.
Io ho realizzato quattro gruppi di 48 led in serie come dallo schema che ti ho fatto vedere e vanno benissimo
Avatar utente
Foto UtenteBrunoValente
39,6k 7 11 13
G.Master EY
G.Master EY
 
Messaggi: 7796
Iscritto il: 8 mag 2007, 14:48

0
voti

[133] Re: Progetto Bromografo

Messaggioda Foto UtenteTONYSTARK » 30 ago 2011, 14:07

BrunoValente ha scritto:Be', se avessi scelto di utilizzare lampade UV credo non ti saresti posto il problema.


Si ma non mi sarei messo a fare una mille fori con 800 piedini saldati :D, ogni filo avrebbe avuto il suo connettore ben isolato ecc...

Comunque sono scelte, e poi se no che ce l'ho a fare la 12V in giro per casa :mrgreen:
C. America: Sei grosso con l'armatura; senza quella cosa sei?
Tony Stark: Un genio, miliardario playboy filantropo

Sfodera un autocompiacimento da manuale... Concordo

Se i miei calcoli non sono errati, e non lo sono mai, 3 Giga Joule al secondo
Avatar utente
Foto UtenteTONYSTARK
3.760 5 11 13
Expert EY
Expert EY
 
Messaggi: 2022
Iscritto il: 24 mag 2010, 21:00
Località: Roma

0
voti

[134] Re: Progetto Bromografo

Messaggioda Foto UtenteSlomo » 31 ago 2011, 20:01

TONYSTARK ha scritto: e poi dovrò pur riutilizzarlo il trasformatore dello scanner, che faccio lo butto :D


mai......... sacrilegiooooooo. :mrgreen: :mrgreen: :mrgreen: :mrgreen: :ok:
Avatar utente
Foto UtenteSlomo
8 3
New entry
New entry
 
Messaggi: 71
Iscritto il: 11 ago 2011, 2:24

0
voti

[135] Re: Progetto Bromografo

Messaggioda Foto UtenteTONYSTARK » 10 set 2011, 16:24

Posto il link ad una discussione un passo avanti a questa magari, ma comunque collegata;
Maledetta fotoincisione
C. America: Sei grosso con l'armatura; senza quella cosa sei?
Tony Stark: Un genio, miliardario playboy filantropo

Sfodera un autocompiacimento da manuale... Concordo

Se i miei calcoli non sono errati, e non lo sono mai, 3 Giga Joule al secondo
Avatar utente
Foto UtenteTONYSTARK
3.760 5 11 13
Expert EY
Expert EY
 
Messaggi: 2022
Iscritto il: 24 mag 2010, 21:00
Località: Roma

0
voti

[136] Re: Progetto Bromografo

Messaggioda Foto UtenteTONYSTARK » 5 ott 2011, 21:41

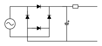
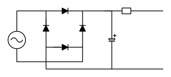
Nessuno degli alimentatori che ho porta una corrente sufficiente ad alimentare tutti e 400 i led...
Credo proprio che dovrò riprendere lo schema di Foto UtenteBrunoValente, mi dispiace non avervi dato retta dall'inizio, ma come al solito devo arrovellarmici un po altrimenti non mi diverto... :mrgreen:

Domanda idiota...

Con questo intendete un normale ponte di diodi, o tutto un apparato del tipo

ecc...?
C. America: Sei grosso con l'armatura; senza quella cosa sei?
Tony Stark: Un genio, miliardario playboy filantropo

Sfodera un autocompiacimento da manuale... Concordo

Se i miei calcoli non sono errati, e non lo sono mai, 3 Giga Joule al secondo
Avatar utente
Foto UtenteTONYSTARK
3.760 5 11 13
Expert EY
Expert EY
 
Messaggi: 2022
Iscritto il: 24 mag 2010, 21:00
Località: Roma

0
voti

[137] Re: Progetto Bromografo

Messaggioda Foto Utentealev » 5 ott 2011, 21:46

Il simbolo del ponte a diodi sono abituato a vederlo con i 4 diodi classici ma quello che hai messo ha 4 connessioni due in alternata e due in continua, per me va bene anche se detta così può essere di tutto :mrgreen:
Avatar utente
Foto Utentealev
5.990 2 9 12
free expert
 
Messaggi: 6283
Iscritto il: 19 lug 2010, 14:38
Località: Altrove

0
voti

[138] Re: Progetto Bromografo

Messaggioda Foto UtenteTONYSTARK » 5 ott 2011, 21:54

anche io l'ho sempre visto con i diodi, non vorrei che magari intendono anche condensatori zener e compagnia bella...

PS mille grazie per il consiglio del negozio, è fornitissimo okts
C. America: Sei grosso con l'armatura; senza quella cosa sei?
Tony Stark: Un genio, miliardario playboy filantropo

Sfodera un autocompiacimento da manuale... Concordo

Se i miei calcoli non sono errati, e non lo sono mai, 3 Giga Joule al secondo
Avatar utente
Foto UtenteTONYSTARK
3.760 5 11 13
Expert EY
Expert EY
 
Messaggi: 2022
Iscritto il: 24 mag 2010, 21:00
Località: Roma

0
voti

[139] Re: Progetto Bromografo

Messaggioda Foto UtenteBrunoValente » 6 ott 2011, 19:47

Se ti stai riferendo al mio schema quello è un semplice ponte di quattro diodi

Avatar utente
Foto UtenteBrunoValente
39,6k 7 11 13
G.Master EY
G.Master EY
 
Messaggi: 7796
Iscritto il: 8 mag 2007, 14:48

0
voti

[140] Re: Progetto Bromografo

Messaggioda Foto UtenteTONYSTARK » 6 ott 2011, 21:31

ne ho giusto comprati sei, di ponti intendo, proprio oggi :) ora butto giu uno schema
C. America: Sei grosso con l'armatura; senza quella cosa sei?
Tony Stark: Un genio, miliardario playboy filantropo

Sfodera un autocompiacimento da manuale... Concordo

Se i miei calcoli non sono errati, e non lo sono mai, 3 Giga Joule al secondo
Avatar utente
Foto UtenteTONYSTARK
3.760 5 11 13
Expert EY
Expert EY
 
Messaggi: 2022
Iscritto il: 24 mag 2010, 21:00
Località: Roma

PrecedenteProssimo

Torna a Elettronica generale

Chi c’è in linea

Visitano il forum: Nessuno e 132 ospiti