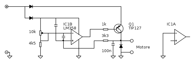
sembra invece un LM358, o suo cugino
Ora ne disegno lo schema, poi ci ragioniamo sopra.
Moderatori:
SandroCalligaro,
mario_maggi,
fpalone


candy ha scritto:P.S. Noto con piacere che mi ha dato molti voti di reputation... Grazie.
Solitamente ci sono delle stelline nel profilo utente... 


, o hfe, all'incirca la stessa cosa. Non bisogna allontarcisi troppo, anche se un certo margine c'è.
Visitano il forum: Nessuno e 6 ospiti