progetto in pspice
Moderatori:
carloc,
g.schgor,
BrunoValente,
IsidoroKZ
22 messaggi
• Pagina 2 di 3 • 1, 2, 3
0
voti
dopo che ho copiato lo schema su link http://davbucci.chez-alice.fr/index.php ... oreadj.inc che devo fare???
0
voti
sissoko consiglio di guardare bene questo post : http://www.electroyou.it/vis_resource.p ... P&id=74#p4
per Pspice invece qui trovi un'ottima guida: http://www.seas.upenn.edu/~jan/spice/PS ... eOrCAD.pdf
potrebbe esserti d'aiuto.
Saluti
ps. forse sarebbe meglio se ti fai consigliare da IsidoroKr magari puoi rispondergli in privato se una questione di privacy.
per Pspice invece qui trovi un'ottima guida: http://www.seas.upenn.edu/~jan/spice/PS ... eOrCAD.pdf
potrebbe esserti d'aiuto.
Saluti
ps. forse sarebbe meglio se ti fai consigliare da IsidoroKr magari puoi rispondergli in privato se una questione di privacy.
0
voti
argento ha scritto:Scusa se non ho parlato di FidoCadJ ma siccome uso questa procedura(quella che ho descritto prima) per postare gli schemi allora non ci ho pensato.
Per carità, nessun problema, ci mancherebbe
Mi sono solo permesso di completare l'informazione!
Follow me on Mastodon: @davbucci@mastodon.sdf.org
-

DarwinNE
31,0k 7 11 13 - G.Master EY

- Messaggi: 4420
- Iscritto il: 18 apr 2010, 9:32
- Località: Grenoble - France
0
voti
qualcuno può dirmi per cortesia come posso fare a contattare isidoroKR? non risponde più e non capisco il motivo
grazie mille...
0
voti
sissoko22 ha scritto:qualcuno può dirmi per cortesia come posso fare a contattare isidoroKR? non risponde più e non capisco il motivograzie mille...
e chi e' isidoroKR
"Il circuito ha sempre ragione" (Luigi Malesani)
0
voti
chiedo scusa volevo dire isidoroKZ, perché tutti ne parlano con ammirazione e credo quindi sia una persona molto competente...
0
voti
"Lo scienziato descrive ciò che esiste, l'ingegnere crea ciò che non era mai stato."
(T. von Kármán)
(T. von Kármán)
0
voti
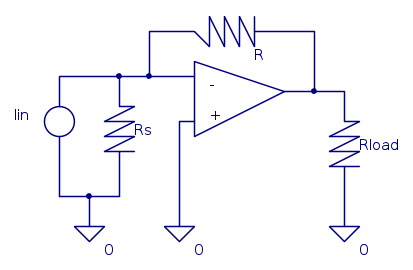
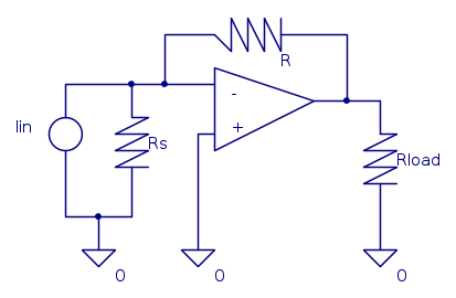
ok non credevo foste cosi puntigliosi, mi scuso. Allora frequento ingegneria elettronica all'unical, questo esame si chiama laboratorio di progettazione e libri di testo non ne aveva adottato il prof. se non sue slide e l'user's guide di pspice. La frequenza a cui vorrei lavorare siccome non sono molto ferrato vorrei che fosse bassa per ridurre al minimo effetti parassiti. Lo schema del circuito che avevo in mente di fare l'ho disegnato e l'ho mandato ieri. Le difficoltà che ho incontrato riguardano proprio le specifiche da rispettare che leggendo il file di output effettivamente non sono rispettate e non saprei sinceramente quali parametri modificare. Credo di essere stato molto chiaro ora...attendo vostre notizie cortesemente. saluti.
22 messaggi
• Pagina 2 di 3 • 1, 2, 3
Chi c’è in linea
Visitano il forum: Nessuno e 440 ospiti

Elettrotecnica e non solo (admin)
Un gatto tra gli elettroni (IsidoroKZ)
Esperienza e simulazioni (g.schgor)
Moleskine di un idraulico (RenzoDF)
Il Blog di ElectroYou (webmaster)
Idee microcontrollate (TardoFreak)
PICcoli grandi PICMicro (Paolino)
Il blog elettrico di carloc (carloc)
DirtEYblooog (dirtydeeds)
Di tutto... un po' (jordan20)
AK47 (lillo)
Esperienze elettroniche (marco438)
Telecomunicazioni musicali (clavicordo)
Automazione ed Elettronica (gustavo)
Direttive per la sicurezza (ErnestoCappelletti)
EYnfo dall'Alaska (mir)
Apriamo il quadro! (attilio)
H7-25 (asdf)
Passione Elettrica (massimob)
Elettroni a spasso (guidob)
Bloguerra (guerra)






