Cos'è ElectroYou | Login Iscriviti

ElectroYou - la comunità dei professionisti del mondo elettrico

regime aperiodico

Circuiti, campi elettromagnetici e teoria delle linee di trasmissione e distribuzione dell’energia elettrica

Moderatori: Foto Utenteg.schgor, Foto UtenteIsidoroKZ

0
voti

[1] regime aperiodico

Messaggioda Foto Utenteaglieglie007 » 10 set 2011, 15:39

Ciao a tutti, stavo facendo degli esercizi di elettrotecnica e mi sono imbattuto in uno che presenta un generatore di tensione con la seguente forma:
e(t)=[100sin(\omega t+2\pi /3 )]*u(-t+t_{x}) con tx=20ms e dice che il circuito è a regime per t< t_{x}
Quello che mi chiedo è come trattare la e(t) nel senso che so che u(t) è una funzione a gradino con tutto quello che ne consegue, l' introduzione di tx mi dice che questo gradino trasla nel tempo ma non so come trattare u(-t). Forse quel meno è dovuto al fatto che il circuito è a regime per t negativi? non m sembra sensato ma non ho altre spigazioni.Mi date una mano?? Grazie
Avatar utente
Foto Utenteaglieglie007
8 3
 
Messaggi: 38
Iscritto il: 5 gen 2010, 20:24

0
voti

[2] Re: regime aperiodico

Messaggioda Foto Utenteaglieglie007 » 10 set 2011, 15:52

Scusate sono alle prime armi con la scrittura delle formule, il generatore è il seguente
E(t)=[100sin(ωt+2π/3) u(-t+tx)
Avatar utente
Foto Utenteaglieglie007
8 3
 
Messaggi: 38
Iscritto il: 5 gen 2010, 20:24

0
voti

[3] Re: regime aperiodico

Messaggioda Foto Utenteasdf » 10 set 2011, 16:06

1. Per gli schemi dei circuiti usa FidocadJ, che puoi scaricare da qui:
http://davbucci.chez-alice.fr/index.php?argument=elettronica/fidocadj/fidocadj.inc&language=Italiano
Copi ed incolli nel messaggio qui sul forum il testo del circuito, lo selezioni e clicchi sul pusante fcd nella barra sovrastante.

2. Per le formule e tutte le varie espressioni matematiche usa Latex.
Questo è un editor esterno:
http://www.codecogs.com/latex/eqneditor.php
Puoi scrivere lì. Poi copi e incolli nel messaggio qui sul forum e poi selezioni e clicchi sul pulsante tex nella barra sovrastante.
Avatar utente
Foto Utenteasdf
25,3k 8 11 13
Master EY
Master EY
 
Messaggi: 4762
Iscritto il: 11 apr 2010, 9:19

0
voti

[4] Re: regime aperiodico

Messaggioda Foto UtenteRenzoDF » 10 set 2011, 16:18

aglieglie007 ha scritto:Quello che mi chiedo è come trattare la e(t) nel senso che so che u(t) è una funzione a gradino con tutto quello che ne consegue, l' introduzione di tx mi dice che questo gradino trasla nel tempo ma non so come trattare u(-t).

Vista la definizione di u(t), u(-t) sta a significare che per tempi negativi questa nuova funzione si comporta' come u(t) per tempi positivi e quindi non e' altro che la simmetrica alla funzione gradino unitario rispetto all'asse delle ordinate; molte volte invece di scrivere [1-u(t)] si usa u(-t) per indicare una funzione che assume valore unitario per t<0 e valore nullo per t>0.

u(-t+t_{x})=\left\{ \begin{align}
  & 1\quad -t+t_{x}\ge 0\to t\le t_{x} \\ 
 & 0\quad -t+t_{x}<0\to t>t_{x} \\ 
\end{align} \right.
"Il circuito ha sempre ragione" (Luigi Malesani)
Avatar utente
Foto UtenteRenzoDF
55,9k 8 12 13
G.Master EY
G.Master EY
 
Messaggi: 13189
Iscritto il: 4 ott 2008, 9:55

0
voti

[5] Re: regime aperiodico

Messaggioda Foto Utenteaglieglie007 » 10 set 2011, 16:38

Grazie. Capito. Però se utilizzo Laplace per risolvere l' esercizio non cade l' ipotesi che la funzione deve valere 0 per t≤0? Se non mi sbaglio quando antitrasformo l' equazione in s devo moltiplicare il tutto per u(t)per rendere vera l' ipotesi..come faccio in questo caso?
Avatar utente
Foto Utenteaglieglie007
8 3
 
Messaggi: 38
Iscritto il: 5 gen 2010, 20:24

0
voti

[6] Re: regime aperiodico

Messaggioda Foto UtenteRenzoDF » 10 set 2011, 16:54

aglieglie007 ha scritto:Grazie. Capito. Però se utilizzo Laplace per risolvere l' esercizio non cade l' ipotesi che la funzione deve valere 0 per t≤0? Se non mi sbaglio quando antitrasformo l' equazione in s devo moltiplicare il tutto per u(t)per rendere vera l' ipotesi..come faccio in questo caso?


Anche se sarebbe interessante vedere il testo di questo esercizio, perche' se ci pensi, stiamo parlando di un fantasma, visto che il testo afferma che per t<tx il circuito e' a regime, tu, con Laplace devi far partire il tuo cronometro a t=tx ovvero nell'istante nel quale il generatore "ci saluta e se ne va", da quell'istante in poi la rete avra' un'evoluzione, che tu determinerai a partire dai valori assunti dalle variabili di stato ricavate per t=tx (iLi(tx) ... vCi(tx)... i=1 to n) nella soluzione a regime per t<tx e che ora diventeranno, nel nuovo riferimento temporale t', le condizioni per t'=0; la scelta di un nuovo riferimento non e' indispensabile, ma e', a mio modesto parere, consigliabile !
"Il circuito ha sempre ragione" (Luigi Malesani)
Avatar utente
Foto UtenteRenzoDF
55,9k 8 12 13
G.Master EY
G.Master EY
 
Messaggi: 13189
Iscritto il: 4 ott 2008, 9:55

0
voti

[7] Re: regime aperiodico

Messaggioda Foto Utenteaglieglie007 » 10 set 2011, 17:10

Grazie per l' aiuto....provo a risolverlo ed eventualmente posto l' intero esercizio con i dubbi.
Avatar utente
Foto Utenteaglieglie007
8 3
 
Messaggi: 38
Iscritto il: 5 gen 2010, 20:24

0
voti

[8] Re: regime aperiodico

Messaggioda Foto Utenteaglieglie007 » 11 set 2011, 16:11

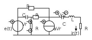
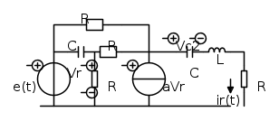
Allora, l' esercizio in questione non lo trovo più ma ne ho uno quasi uguale che ho provato a risolvere:


Il generatore di corrente aVr nel mezzo è un gene controllato(non ho trovato il simbolo giusto)

L=10mH
R=4Ω
C=50 10^(-6) F
a=1
f=60Hz
e(t)=[100sin(ωt+2π/3)] u(-t+tx)
Il testo dice:il sistema è a regime per -oo<t<tx , istante in cui la tensione Vc2(t) si annulla la prima volta dopo lo zero. determinare l' andamento temporale della corrente ir(t) per -oo<t<+oo.
Ho provato a risolverlo ma ho molti dubbi:veli elenco in cerca di aiuto
Avatar utente
Foto Utenteaglieglie007
8 3
 
Messaggi: 38
Iscritto il: 5 gen 2010, 20:24

0
voti

[9] Re: regime aperiodico

Messaggioda Foto Utenteaglieglie007 » 11 set 2011, 16:41

Allora:
prima di tutto ricavo tx studiando il circuito a regime portandolo ne dominio dei fasori, ricavando Vc2(fasore) e portandolo nel dom del tempo Vc2(t)=√2 5.7 sin (ωt+π/2+0.366) da cui tx=3.2ms e qui c dovremmo essere.
Poi scompongo il gene u(-t+tx)=u’(t)+u’’(t)


Con u’(t) studio il circiuto che è il solito di quello usato per ricare tx e trovo
ir(t)=√2 sin (ωt-1.53)
Con u’’(t) studio il circuito in Laplace:
condizioni iniziali nulle
trovo E(s)=Eo (ω cosβ + s sinβ )/(s^2+ω^2)=(s 86.6-6000π)/(s^2+(120π)^2)
In Laplace avrò che agisce E(s)/s per via del gradino....
Ricavo ir(s) e qui c è qualcosa che proprio nn va: quando vado a ricavare le costanti con il teorema dei residui per portare ir nel dom del tempo mi vengono tutte nulle (nell' ordine di 10^-7) e quindi ir(t)=0 mha!!!
Aiuti?? Grazie
Avatar utente
Foto Utenteaglieglie007
8 3
 
Messaggi: 38
Iscritto il: 5 gen 2010, 20:24

0
voti

[10] Re: regime aperiodico

Messaggioda Foto UtenteRenzoDF » 11 set 2011, 20:18

Non capisco il tuo ragionamento.
Se come dicevamo concordi su quanto ti ho detto in precedenza su u(-t+tx):
a) il generatore indipendente per t=tx si "spegne", e invece se non erro tu lo dai ancora per "acceso"
b) la risoluzione fasoriale per t<tx ci serve per ricavare la condizioni iniziali della rete per t=tx
c) tx che in questo esercizio non e' un dato come nel precedente problema ma e' ricavabile dall'informazione "istante in cui la tensione Vc2(t) si annulla la prima volta dopo lo zero" e per calcolarlo basta quindi la frequenza, tx=T/2=1/(2f)
d) per t>tx l'evoluzione dipendera' dalle condizioni iniziali nei due condensatori e nell' induttore: per il condensatore di destra e' noto che vC2(0)=vC2(tx)=0 (t'=0 nel nuovo riferimento temporale corrisponde a t=tx nel vecchio) mentre per quello di sinistra vC1 bisogna calcolarla cosi' come la corrente nell'induttore iL
...
k) scriverai a questo punto una equazione differenziale in ir(t) e la risolverai grazie anche alle condizioni iniziali derivabili dei valori delle grandezze di stato suddette.
...
z) per quanto riguarda lo schema FidoCad ok :ok: cerca solo di stare un po' piu' "largo" e per posizionare il testo disabilita lo snap a griglia ;-)



BTW un'ultima cosa, come hai visto con FidocadJ non puoi usare l'apice " ' " (e nemmeno "’") altrimenti ti trovi dei 39 e "cancelletti" nello schema ... puoi comunque usare un "`" :-)
"Il circuito ha sempre ragione" (Luigi Malesani)
Avatar utente
Foto UtenteRenzoDF
55,9k 8 12 13
G.Master EY
G.Master EY
 
Messaggi: 13189
Iscritto il: 4 ott 2008, 9:55

Prossimo

Torna a Elettrotecnica generale

Chi c’è in linea

Visitano il forum: Nessuno e 76 ospiti