Progetto__Nuovo Alimentatore 1.2-18 V 5-6 A
Moderatori:
carloc,
g.schgor,
BrunoValente,
IsidoroKZ
1
voti
Con quel circuito non le hai, per quello che sconsigliavo quel tipo di schemi.
I progetti si fanno dando prima le specifiche, poi cercando di soddisfarle. Se aggiungi una specifica importante come questa a meta` progetto, rischi di dover buttare quanto gia` fatto e di dover ricominciare da capo
In un messaggio di tre mesi fa circa mi sembra che avessi fatto un "accrokware" a transistori per aggiungere una limitazione di corrente (ahime` di prestazioni abbastanza scadenti) a un circuito analogo. Non so se possa essere adattato a questo caso, qui la corrente e` parecchio piu` alta.
I progetti si fanno dando prima le specifiche, poi cercando di soddisfarle. Se aggiungi una specifica importante come questa a meta` progetto, rischi di dover buttare quanto gia` fatto e di dover ricominciare da capo
In un messaggio di tre mesi fa circa mi sembra che avessi fatto un "accrokware" a transistori per aggiungere una limitazione di corrente (ahime` di prestazioni abbastanza scadenti) a un circuito analogo. Non so se possa essere adattato a questo caso, qui la corrente e` parecchio piu` alta.
Per usare proficuamente un simulatore, bisogna sapere molta più elettronica di lui
Plug it in - it works better!
Il 555 sta all'elettronica come Arduino all'informatica! (entrambi loro malgrado)
Se volete risposte rispondete a tutte le mie domande
Plug it in - it works better!
Il 555 sta all'elettronica come Arduino all'informatica! (entrambi loro malgrado)
Se volete risposte rispondete a tutte le mie domande
2
voti
uboss ha scritto:Per quanto riguarda protezioni da cortocircuiti?
Su alcuni alimentatori commerciali che ho avuto modo di riparare, come protezione per i cortocitcuiti ho visto spesso adottare questa soluzione:
Non avendola pero' mai provata personalmente non so dire quanto sia efficace.
Sentiamo cosa ne pensano gli altri.
alev ha scritto:Scusa, ma perché non usare lo stesso contenitore tipo ATX (di cui disponi) come elemento dissipativo? Molti alimentatori lineari da banco hanno contenitore metallico che fa da dissipatore per i transistor di potenza.
Per quanto riguarda la dissipazione del calore in alimentatori di una certa potenza, visto che le idee in proposito non mi sembrano molto chiare, ho pensato di dare un'idea visiva mostrandovi un mio alimentatore che usavo "qualche" anno fa quando mi dilettavo di CB.
Questo eroga effettivamente 9.5/10A a 13.5V e vi assicuro che quando lavorava a piena potenza, il dissipatore, nonostante la mole, arrivava a temperature oltre i 60/70°.
Il circuito e' quello che ho postato in precedenza, con un trimmer interno che limita la tensione.
Le misure del dissipatore sono 280x160x85 mm. e pesa circa 2.5Kg.

marco
4
voti
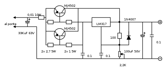
marco438 ha scritto:...Viste le tensioni e le correnti in gioco, mi sento anche di segnalarti lo schema che segue che ho, per anni, personalmente sperimentato.
Ho qualche dubbio sull'utilità della resistenza da 0.01ohm 10W in serie all'ingresso. Poi non si giustificano neppure i 10W che, per raggiungerli, occorrerebbero 30A.
Invece penso sarebbe più salutare montare due resistenze in serie agli emettitori per far andare d'accordo i transistor: 0.22 - 0.33 ohm
-

BrunoValente
39,6k 7 11 13 - G.Master EY

- Messaggi: 7796
- Iscritto il: 8 mag 2007, 14:48
0
voti
Vi ringrazio per i tanti consigli che mi state fornendo.
Allora riguaro allo schema di
marco438 in caso di cortocircuito l'integrato dovrebbe andare in protezione.
Allora ci sarebbe una corrente ingentissima sui BJT e finirebbero per rompersi.
Mi chiedo: (una soluzione banale) non sarebbe utile mettere dei fusibili sugli emettitori dei due BJT così da preservarli?
Allora riguaro allo schema di
Allora ci sarebbe una corrente ingentissima sui BJT e finirebbero per rompersi.
Mi chiedo: (una soluzione banale) non sarebbe utile mettere dei fusibili sugli emettitori dei due BJT così da preservarli?
1
voti
BrunoValente ha scritto:Ho qualche dubbio sull'utilità della resistenza da 0.01ohm 10W in serie all'ingresso. Poi non si giustificano neppure i 10W che, per raggiungerli, occorrerebbero 30A.
Invece penso sarebbe più salutare montare due resistenze in serie agli emettitori per far andare d'accordo i transistor: 0.22 - 0.33 ohm
In effetti, il progetto originale prevedeva correnti massime di 20/25A.
Ti ringrazio per il suggerimento delle due resistenze che, qualora dovessi ancora adoperare quell'alimentatore, provero' ad adottare.

marco
2
voti
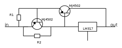
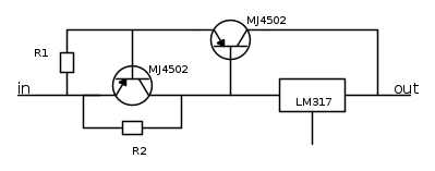
Ho usato finalmente Fidocadj
Allora partiamo da questo circuito che è figlio di tutti i vostri consigli.
Ovviamente questa è solo una parte del circuito il resto è quello standard del ponte+condensatori di livellamento.
Allora girovagando su Internet ho trovato una soluzione un po' spartana riguardo ai corto circuiti.
Dimensionando correttamente la resistenza R4 si gioca sullo switch ON_OFF di T1.
Quando la corrente su R4 è bassa T1 è interdetto.
Quando la corrente si alza, aumenta anche la tensiove Vbe con conseguente accensione del transistore che quindi mette a massa l'adj dell'integrato.
Allora a questo punto l'integrato abbassa la tensione a 1.25 V (come da datasheet).
all'uscita inoltre potrei inserire un resistore di carico idoneo per questi 1.25 V per limitare la corrente.
Che ne dite?
Resta da valutare il tempo di switch del Transistore.
0
voti
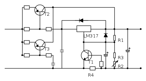
A prima vista mi pare che il circuito che hai suggerito serva a limitare la corrente d'uscita in funzione di R4.
Non mi sembra che queste fossero le tue intenzioni.

Non mi sembra che queste fossero le tue intenzioni.

marco
0
voti
qual è la funzione del transistore T1? Dovrebbe essere sempre spento. Nel datasheet ci sono esempi di polarizzazione, oppure di spegnimento o accensione a comando sulla base del transistore.
0
voti
gohan ha scritto:qual è la funzione del transistore T1?
In condizioni normali sarebbe sempre spento.
Supponiamo un corto circuito.
Dimensionando correttamente la resistenza R4 possiamo giocare sul punto di accensione di T1.
Se per esempio voglio far accendere T1 quando vi sono 6 A su un carico (o un corto) basterà dimensionare R4 in modo che la tensione base-emettitore raggiunga gli 0.7 V tali da mandare in conduzione T1.
In questo modo l'integrato avrebbe il suo pin di regolazione a massa e quindi di conseguenza abbasserà la tensione al minimo, ovvero 1.25 V.
Chi c’è in linea
Visitano il forum: Nessuno e 69 ospiti

Elettrotecnica e non solo (admin)
Un gatto tra gli elettroni (IsidoroKZ)
Esperienza e simulazioni (g.schgor)
Moleskine di un idraulico (RenzoDF)
Il Blog di ElectroYou (webmaster)
Idee microcontrollate (TardoFreak)
PICcoli grandi PICMicro (Paolino)
Il blog elettrico di carloc (carloc)
DirtEYblooog (dirtydeeds)
Di tutto... un po' (jordan20)
AK47 (lillo)
Esperienze elettroniche (marco438)
Telecomunicazioni musicali (clavicordo)
Automazione ed Elettronica (gustavo)
Direttive per la sicurezza (ErnestoCappelletti)
EYnfo dall'Alaska (mir)
Apriamo il quadro! (attilio)
H7-25 (asdf)
Passione Elettrica (massimob)
Elettroni a spasso (guidob)
Bloguerra (guerra)







