ok ho letto molto bene le tue spiegazioni e il post che mi suggerivi per il partitore compensato.
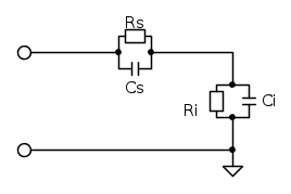
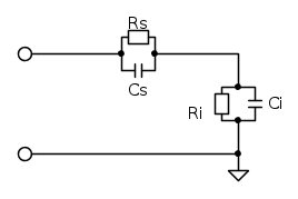
Quindi il partitore compensato è formato dal parallelo Rs Cs e Ri Ci giusto?
e affinche il segnale dalla sonda all’oscilloscopio non arrivi distorto deve verificarsi che RsCs = RiCi giusto?
e l’ attenuazione 10 x è data da Ri / (Ri + Rs) ?
Oscilloscopio
37 messaggi
• Pagina 3 di 4 • 1, 2, 3, 4
5
voti
[22] Re: Oscilloscopio
Sì,
il discorso si può sintetizzare molto semplicemente come segue: è un partitore resistivo costituito dalle due resistenze Rs e Ri dove in parallelo alle resistenze vi sono le piccole capacità Cs e Ci.
Alle frequenze basse le capacità sono trascurabili quindi il partitore è solo resistivo e l'attenuazione è data da Ri / (Ri + Rs).
Alle frequenze alte le resistenze sono trascurabili quindi il partitore è solo capacitivo e l'attenuazione è data da Cs /(Cs+Ci).
Per fare in modo che il comportamento in frequenza sia piatto è necessario che i due partitori , quello resistivo e quello capacitivo, considerati indipendentemente, producano la stessa attenuazione...da cui RiCi=RsCs.
...Ma alle alte frequenze il cavo non è modellizzabile solo con una capacità e poi vi sono altri fatti che vanno considerati.
Se ti va di approfondire ti invito di nuovo a consultare il file di Tektronix che ho postato al messaggio [3]
il discorso si può sintetizzare molto semplicemente come segue: è un partitore resistivo costituito dalle due resistenze Rs e Ri dove in parallelo alle resistenze vi sono le piccole capacità Cs e Ci.
Alle frequenze basse le capacità sono trascurabili quindi il partitore è solo resistivo e l'attenuazione è data da Ri / (Ri + Rs).
Alle frequenze alte le resistenze sono trascurabili quindi il partitore è solo capacitivo e l'attenuazione è data da Cs /(Cs+Ci).
Per fare in modo che il comportamento in frequenza sia piatto è necessario che i due partitori , quello resistivo e quello capacitivo, considerati indipendentemente, producano la stessa attenuazione...da cui RiCi=RsCs.
...Ma alle alte frequenze il cavo non è modellizzabile solo con una capacità e poi vi sono altri fatti che vanno considerati.
Se ti va di approfondire ti invito di nuovo a consultare il file di Tektronix che ho postato al messaggio [3]
-

BrunoValente
39,6k 7 11 13 - G.Master EY

- Messaggi: 7796
- Iscritto il: 8 mag 2007, 14:48
0
voti
[24] Re: Oscilloscopio
No, attenzione: in parallelo a
non c'è solo
, ma
e l'attenuazione è data da
.
non c'è solo
, ma
e l'attenuazione è data da
.It's a sin to write
instead of
(Anonimo).
...'cos you know that
ain't
, right?
You won't get a sexy tan if you write
in lieu of
.
Take a log for a fireplace, but don't take
for
arithm.
instead of
(Anonimo)....'cos you know that
ain't
, right?You won't get a sexy tan if you write
in lieu of
.Take a log for a fireplace, but don't take
for
arithm.-

DirtyDeeds
55,9k 7 11 13 - G.Master EY

- Messaggi: 7012
- Iscritto il: 13 apr 2010, 16:13
- Località: Somewhere in nowhere
0
voti
[25] Re: Oscilloscopio
DirtyDeeds ha scritto:No, attenzione: in parallelo anon c'è solo
, ma
e l'attenuazione è data da
.
Sì certamente, forse non sono stato sufficientemente preciso: nel mio tentativo di sintesi io con Ci intendevo il parallelo di tutte le capacità che insistono sull'ingresso dell'oscilloscopio.
-

BrunoValente
39,6k 7 11 13 - G.Master EY

- Messaggi: 7796
- Iscritto il: 8 mag 2007, 14:48
0
voti
[26] Re: Oscilloscopio
scusate se tiro su un thread vecchio ma ho comprato un oscilloscopio ed anche se a 500 khz ed utilizzato su basse frequenze un'ondina quadra ogni tanto capita, e per ora uso solo spezzoni di cavo come sonde (l'ho comprato ieri a 10 euro a portraportese è un hp 1205 B da armadio rack del 72). Avevo trovato un link che mi dava i valori di C ed R per una generica sonda ad attenuazione 10, ma lo ho perso. In ogni caso se volessi costruirmene una a tempo perso da quale parametro dovrei iniziare? cioè il partitore compensato lo conoscevo e lo conosco ma non riesco a capire come calcolare l attenuazione
4
voti
[27] Re: Oscilloscopio
isd88 ha scritto:... il partitore compensato lo conoscevo e lo conosco ma non riesco a capire come calcolare l attenuazione
E' un po' come dire "so fare le addizioni ma non so calcolare quanto fa 2+2"...
Nei messaggi precedenti vi sono tutte le informazioni necessarie, comunque, per farla breve, ti conviene aquistarla bella e pronta: per bande passanti sotto i 10MHz si trovano su Ebay a due soldi.
Se proprio vuoi provare a fartela non devi far altro che preparare uno spezzone di cavo coassiale lungo quanto ti serve (1-1.5 m) e porre in serie all'ingresso una resistenza da 9 Mohm con in parallelo alla resistenza un compensatore da una ventina di pF.
Il tuo oscilloscopio ha una impedenza di ingresso di 1Mohm con in parallelo una ventina di pF che, considerando quella del cavo in parallelo, sale grosso modo ad un centinaio di pF: se vuoi attenuare 10 e se conosci i partitori, dovrebbe esserti chiaro che Rs+Ri = 10Ri e quindi Rs = 9 Mohm e analogamente 1/Cs+1/Ci = 10/Ci e quindi Cs = 10-15pF. In pratica si rende Cs variabile e si aggiusta il tiro sperimentalmente.
Per Cs puoi utilizzare un compensatore che abbia una regolazione da 5 pF a 25 pF
Per aggiustare Cs si deve disporre di un generatore di onda quadra e si deve regolare per ottenere una buona forma sullo schermo.
Ti consiglio anzitutto di scaricare il manuale del tuo oscilloscopio
-

BrunoValente
39,6k 7 11 13 - G.Master EY

- Messaggi: 7796
- Iscritto il: 8 mag 2007, 14:48
0
voti
[28] Re: Oscilloscopio
grazie mile spiegazione perfetta!!! il problema era che mi ero perso nelle formule e volevo piu o meno sapere come fare una sonda che non attenuasse il segnale.... cioè per la parte resistiva avevo capito tutto ma non se era possibile compensare una sonda non attenuante. Comunque ieri sera ho connesso un cavo coassiale eh ho notato un incredibile miglioramento nel trasferimento delle onde quadre che ora sono PERFETTE! quindi direi che la sonda 1x la faccio con uno spezzone di cavo e via, e la 10x come mi ha iconsigliato te.
grazie anche per il manuale non lo avevo trovato e non mi sarei mai aspettato che agilent tenesse in archivio anche la roba anni 60 della HP!!!
ps: comunque intendevo dire che so partire ma non so calcolare il condensatore, ci ho provato e mi sono perso piu e piu volte con formule e unita di misura...
Per certe rispioste dovrebbero mettere il tasto +1000 di reputazione non ho parole grazie mille!
grazie anche per il manuale non lo avevo trovato e non mi sarei mai aspettato che agilent tenesse in archivio anche la roba anni 60 della HP!!!
ps: comunque intendevo dire che so partire ma non so calcolare il condensatore, ci ho provato e mi sono perso piu e piu volte con formule e unita di misura...
Per certe rispioste dovrebbero mettere il tasto +1000 di reputazione non ho parole grazie mille!
0
voti
[29] Re: Oscilloscopio
vediamo se ho fatto bene i compiti a casa:
ingresso oscilloscopio 1 Mohm 45 pF
cavo generico da 100 pF al metro
Ci = 145 pF
Ri=1 Mohm
sonda 10x (fattibile) 9 Mohm 16 pf (naturalmente trimmabile quindi come giustamente mi hai anche consigliato 5 - 25 pf va benissimo)
sonda 100x (ne dubito) 100 Mohm 1,45 pF (un trimmer 0-5 pf o roba del genere, non lo trovo manco per intercessione divina dal mio spacciatore a piramide)
giusto? nel calcolo mi ero perso con i condensatori in ingresso, avevo fatto un casino grazie mille delle preziose spiegazioni!
ingresso oscilloscopio 1 Mohm 45 pF
cavo generico da 100 pF al metro
Ci = 145 pF
Ri=1 Mohm
sonda 10x (fattibile) 9 Mohm 16 pf (naturalmente trimmabile quindi come giustamente mi hai anche consigliato 5 - 25 pf va benissimo)
sonda 100x (ne dubito) 100 Mohm 1,45 pF (un trimmer 0-5 pf o roba del genere, non lo trovo manco per intercessione divina dal mio spacciatore a piramide)
giusto? nel calcolo mi ero perso con i condensatori in ingresso, avevo fatto un casino grazie mille delle preziose spiegazioni!
1
voti
[30] Re: Oscilloscopio
isd88 ha scritto:...Comunque ieri sera ho connesso un cavo coassiale eh ho notato un incredibile miglioramento nel trasferimento delle onde quadre che ora sono PERFETTE! quindi direi che la sonda 1x la faccio con uno spezzone di cavo e via, e la 10x come mi ha iconsigliato te.
Diciamo che è una soluzione di ripiego che in bassa frequenza può anche andare bene ma una vera sonda offre alcuni vantaggi: è meccanicamente più robusta e più pratica di quella fatta in casa perché, avendo il minimo ingombro, ha la conformazione giusta per poter essere infilata comodamente tra i componenti e con il suo sistema di aggancio ai conduttori (che sono sotto tensione) garantisce la possibilità di operare con una certa tranquillità senza provocare cortocircuiti.
Le sonde che non attenuano solitamente presentano una capacità di ingresso di una sessantina di pF, quelle fatte in casa sicuramente ne presentano una più alta. In bassa frequenza potrebbe essere irrilevante ma se le impedenze in gioco nei circuiti sotto test fossero alte potrebbe farsi sentire l'effetto indesiderato.
isd88 ha scritto:...sonda 100x (ne dubito) 100 Mohm 1,45 pF (un trimmer 0-5 pf o roba del genere, non lo trovo manco per intercessione divina dal mio spacciatore a piramide)
La sonda 100x ritengo anzitutto sia inutile per i tuoi scopi: il tuo oscilloscopio ha una portata max di 20V per divisione che con una sonda 10x diventano 200...non credo convenga andare oltre.
Compensatori da 0.5pF sono normalmente in uso in UHF e si trovano facilmente (cercando nei posti giusti) però sarebbe difficoltoso l'uso di una resistenza da 99Mohm, soprattutto perché la capacità parassita di cui sarebbe affetta una resistenza di quel valore sarebbe già dell'ordine di grandezza di quella che occorrerebbe per la compensazione.
Se proprio ti occorre una sonda 100x ti conviene abbassare di 10 volte la resistenza di ingresso dell'oscilloscopio montando in parallelo all'ingresso una resistenza da 111kohm e montando poi in serie la stessa resistenza di prima (9Mohm)
-

BrunoValente
39,6k 7 11 13 - G.Master EY

- Messaggi: 7796
- Iscritto il: 8 mag 2007, 14:48
37 messaggi
• Pagina 3 di 4 • 1, 2, 3, 4
Chi c’è in linea
Visitano il forum: Nessuno e 10 ospiti

Elettrotecnica e non solo (admin)
Un gatto tra gli elettroni (IsidoroKZ)
Esperienza e simulazioni (g.schgor)
Moleskine di un idraulico (RenzoDF)
Il Blog di ElectroYou (webmaster)
Idee microcontrollate (TardoFreak)
PICcoli grandi PICMicro (Paolino)
Il blog elettrico di carloc (carloc)
DirtEYblooog (dirtydeeds)
Di tutto... un po' (jordan20)
AK47 (lillo)
Esperienze elettroniche (marco438)
Telecomunicazioni musicali (clavicordo)
Automazione ed Elettronica (gustavo)
Direttive per la sicurezza (ErnestoCappelletti)
EYnfo dall'Alaska (mir)
Apriamo il quadro! (attilio)
H7-25 (asdf)
Passione Elettrica (massimob)
Elettroni a spasso (guidob)
Bloguerra (guerra)




