Sensore audio a led
Moderatore:
IsidoroKZ
15 messaggi
• Pagina 2 di 2 • 1, 2
0
voti
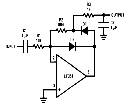
Ho trovato questo, secondo te va bene?
- Allegati
-
- Immagine.png (20.74 KiB) Osservato 1322 volte
0
voti
Deve essere alimentato in duale (credo). Spesso un circuito non e` OK o non OK da solo, dipende anche in che circuito piu` grande deve andare a finire. Ho guardato il data sheet e mi pare che non parli di alimentazione dell'operazionale, che mi sembra brutto.
Il data sheet dice anche che si puo` andare direttamente con il segnale alternato sull'ingresso, a patto di tirare un po' la corrente nei led. Direi che si debba provare, dipende anche da che livello di segnale che hai a disposizione.
Il data sheet dice anche che si puo` andare direttamente con il segnale alternato sull'ingresso, a patto di tirare un po' la corrente nei led. Direi che si debba provare, dipende anche da che livello di segnale che hai a disposizione.
Per usare proficuamente un simulatore, bisogna sapere molta più elettronica di lui
Plug it in - it works better!
Il 555 sta all'elettronica come Arduino all'informatica! (entrambi loro malgrado)
Se volete risposte rispondete a tutte le mie domande
Plug it in - it works better!
Il 555 sta all'elettronica come Arduino all'informatica! (entrambi loro malgrado)
Se volete risposte rispondete a tutte le mie domande
0
voti
LukeTSC ha scritto: ma non riesco a trovare esempi di raddrizzatori attivi
http://www.analog-innovations.com/SED/FullWaveRectifier.pdf
0
voti
Quindi mi consigli di provare prima senza raddrizzatore, e poi ,se non funziona, provare con il raddrizzatore.
Invece mi puoi far capire come prendere il segnale? basta un jack da 3,5"?
Invece mi puoi far capire come prendere il segnale? basta un jack da 3,5"?
0
voti
Salve ragazzi,a questo vu meter vorrei implementare un piccolo amplificatore per delle cuffie stereo con in uscita 1000mW e 32 ohm. Potete consigliarmi qualche circuitino o qualche integrato?
15 messaggi
• Pagina 2 di 2 • 1, 2
Torna a Elettronica e spettacolo
Chi c’è in linea
Visitano il forum: Nessuno e 7 ospiti

Elettrotecnica e non solo (admin)
Un gatto tra gli elettroni (IsidoroKZ)
Esperienza e simulazioni (g.schgor)
Moleskine di un idraulico (RenzoDF)
Il Blog di ElectroYou (webmaster)
Idee microcontrollate (TardoFreak)
PICcoli grandi PICMicro (Paolino)
Il blog elettrico di carloc (carloc)
DirtEYblooog (dirtydeeds)
Di tutto... un po' (jordan20)
AK47 (lillo)
Esperienze elettroniche (marco438)
Telecomunicazioni musicali (clavicordo)
Automazione ed Elettronica (gustavo)
Direttive per la sicurezza (ErnestoCappelletti)
EYnfo dall'Alaska (mir)
Apriamo il quadro! (attilio)
H7-25 (asdf)
Passione Elettrica (massimob)
Elettroni a spasso (guidob)
Bloguerra (guerra)


