Calcolo parametri di Thevenin
Moderatori:
g.schgor,
IsidoroKZ
0
voti
Senz'altro quella di
dlbp sarà migliore, ma ti faccio notare,
AnnamariaCircuiti che in [33] ed in[36] l'esercizio è stato risolto con il mtodo delle correnti di maglia.
0
voti
AnnamariaCircuiti ha scritto:RenzoDF io ho capito quello che dici.Ora però voglio imparare il metodo delle correnti di maglia perché è davvero molto più rapido della sovrapposizione.
Se scrivi che e' piu' rapido mi sa che non hai capito quello che ho detto.
"Il circuito ha sempre ragione" (Luigi Malesani)
0
voti
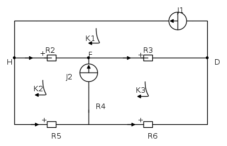
è la corrente di maglia J1-R2-R3 mentre
è la corrente di maglia R2-J2-R5,
è la corrente della maglia J2-R3-R6Ora per definizione (dal metodo delle correnti di maglia) so che le correnti di ogni lato saranno uguali alla somma algebrica delle correnti di maglia che lambiscono quel lato, prese col segno positivo se hanno verso concorde alla corrente di maglia, altrimenti con verso negativo.
Quindi scrivo:
. Allora
è nota e vale
.Poi:




. (a)A questo punto ho due incognite (
e
visto che
è nota).Scrivo la legge di Kirchhoff alle tensioni alla maglia R2-R3-R5-R6 che sarebbe:

Devo avere due equazioni (perché le incognite sono 2).
Sfrutto come seconda equazione l'equazione (a) (quella del generatore di corrente in funzione delle correnti di maglia).
Risolvo questo sistema e trovo
e
.Quindi a questo punto torno ad analizzare il circuito iniziale e l'unica corrente, precisamente
, di cui non conoscevo il valore è ora nota. A questo punto calcolo la ddp ai morsetti e l'esercizio è finito.Spero di non aver fatto errori
0
voti
Vi ringrazio tutti. Rifarò l'esercizio con questo metodo 
-

AnnamariaCircuiti
2 3 - New entry

- Messaggi: 69
- Iscritto il: 11 lug 2011, 11:43
0
voti
io lo sto rifacendo questa mattina
AnnamariaCircuiti. perché non lo rifai anche tu così ci confrontiamo?
4
voti
Vorrei solo dire che....
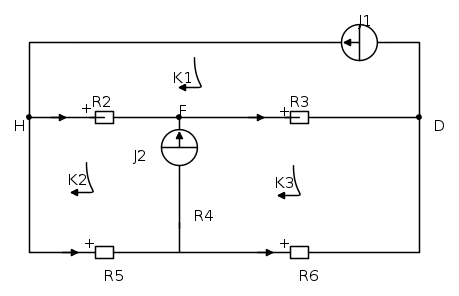
il bello del metodo delle correnti di maglia quando ci sono dei rami costituiti da generatori di corrente è che scegliendo opportunamente (*) le maglie tolgono un'incognita al sistema risolutivo...
nell'esempio ci sono tre maglie ma due generatori di corrente....
3-2=1 resta una sola incognita, non serve un sistema, si risolve con una singola equazione...
se ad esempio
la sola incognita è K e si può scrivere direttamente KVL alla sua maglia

che risolve il circuito in un colpo!
(*) opportunamente: una ed una sola corrente di maglia passa per ciascun generatore di corrente
il bello del metodo delle correnti di maglia quando ci sono dei rami costituiti da generatori di corrente è che scegliendo opportunamente (*) le maglie tolgono un'incognita al sistema risolutivo...
nell'esempio ci sono tre maglie ma due generatori di corrente....
3-2=1 resta una sola incognita, non serve un sistema, si risolve con una singola equazione...
se ad esempio
la sola incognita è K e si può scrivere direttamente KVL alla sua maglia

che risolve il circuito in un colpo!
(*) opportunamente: una ed una sola corrente di maglia passa per ciascun generatore di corrente
Se ti serve il valore di beta: hai sbagliato il progetto!
1
voti
perché mi faceva comodo 
una maglia è un insieme di due o più rami che formano un percorso chiuso quindi anche quella che ho disegnato io è una maglia e quindi anche per lei vale KVL
Se parti dall'idea di avere una ed una sola corrente di maglia in ogni generatore di corrente -in questo caso- hai una certa libertà di scelta per J1 e J2....
ad esempio si poteva fare anche così
ma se dico una e una sola corrente di maglia in ogni generatore di corrente... vuole anche dire che K non deve passare per i generatori di corrente e se provi ad eliminarli mentalmente dal circuito vedi che l'unica ulteriore maglia rimanente è quella che ho segnato.
le maglie si possono scegliere come fa comodo
.... basta che siano in numero giusto -tre in questo caso- e che "coprano" l'intero circuito, cioè non ci siano rami non percorsi da almeno una corrente di maglia
una maglia è un insieme di due o più rami che formano un percorso chiuso quindi anche quella che ho disegnato io è una maglia e quindi anche per lei vale KVL
Se parti dall'idea di avere una ed una sola corrente di maglia in ogni generatore di corrente -in questo caso- hai una certa libertà di scelta per J1 e J2....
ad esempio si poteva fare anche così
ma se dico una e una sola corrente di maglia in ogni generatore di corrente... vuole anche dire che K non deve passare per i generatori di corrente e se provi ad eliminarli mentalmente dal circuito vedi che l'unica ulteriore maglia rimanente è quella che ho segnato.
le maglie si possono scegliere come fa comodo
Se ti serve il valore di beta: hai sbagliato il progetto!
0
voti
sei stato chiarissimo
carloc, ti ringrazio tanto!
solo un'ultima cosa; quando dici:
come si fa a capire il numero giusto?
solo un'ultima cosa; quando dici: le maglie si possono scegliere come fa comodo .... basta che siano in numero giusto -tre in questo caso-
come si fa a capire il numero giusto?
Torna a Elettrotecnica generale
Chi c’è in linea
Visitano il forum: Google Adsense [Bot] e 21 ospiti

Elettrotecnica e non solo (admin)
Un gatto tra gli elettroni (IsidoroKZ)
Esperienza e simulazioni (g.schgor)
Moleskine di un idraulico (RenzoDF)
Il Blog di ElectroYou (webmaster)
Idee microcontrollate (TardoFreak)
PICcoli grandi PICMicro (Paolino)
Il blog elettrico di carloc (carloc)
DirtEYblooog (dirtydeeds)
Di tutto... un po' (jordan20)
AK47 (lillo)
Esperienze elettroniche (marco438)
Telecomunicazioni musicali (clavicordo)
Automazione ed Elettronica (gustavo)
Direttive per la sicurezza (ErnestoCappelletti)
EYnfo dall'Alaska (mir)
Apriamo il quadro! (attilio)
H7-25 (asdf)
Passione Elettrica (massimob)
Elettroni a spasso (guidob)
Bloguerra (guerra)










