Cos'è ElectroYou | Login Iscriviti

ElectroYou - la comunità dei professionisti del mondo elettrico

Trasformatore? Si, ma avrei preferito di no :D

Circuiti, campi elettromagnetici e teoria delle linee di trasmissione e distribuzione dell’energia elettrica

Moderatori: Foto Utenteg.schgor, Foto UtenteIsidoroKZ

1
voti

[51] Re: Trasformatore? Si, ma avrei preferito di no :D

Messaggioda Foto Utentemasomaso90 » 18 set 2011, 10:24

ahahhahahaha

Conoscete l'espressione?:

"Mamma, Ciccio mi tocca! Toccami Ciccio che la mamma vuole" :D

ahahahhahahha

Vorrà dire che mi puoi distrarre, con tanto di autorizzazione scritta :D

Tieniti pronta perche io ho già un esercizio sotto mano, appena lo posto ti taggo :mrgreen:


Ps, intanto ti chiedo se è corretto scrivere cosi per i circuiti, con transitorio, del 2° ordine :

i(t)=\left ( i_0 \right -i_\infty)e^{-\frac{t}{\tau _c}}+\left ( i_0 \right -i_\infty)e^{-\frac{t}{\tau _L}}+i_\infty
Avatar utente
Foto Utentemasomaso90
109 4 7
Frequentatore
Frequentatore
 
Messaggi: 294
Iscritto il: 10 dic 2010, 21:52

0
voti

[52] Re: Trasformatore? Si, ma avrei preferito di no :D

Messaggioda Foto Utentepinklady » 18 set 2011, 10:37

masomaso90 ha scritto:Vorrà dire che mi puoi distrarre, con tanto di autorizzazione scritta :D


ahah mitico!!! :D

Per quanto riguarda la tua domanda sull'equazione per il circuito del secondo ordine, formalmente mi sembra giusta, nel senso che noi usavamo una forma simile, però non ricordo di aver lavorato con la condizione in 0 e in infinito. Scusa, praticamente ci facevano lavorare sempre con circuiti del primo ordine... :(
Ultima modifica di Foto Utentepinklady il 18 set 2011, 10:39, modificato 1 volta in totale.
Avatar utente
Foto Utentepinklady
2.508 5 11
Expert EY
Expert EY
 
Messaggi: 241
Iscritto il: 16 set 2010, 16:27
Località: Sardegna

0
voti

[53] Re: Trasformatore? Si, ma avrei preferito di no :D

Messaggioda Foto UtenteRenzoDF » 18 set 2011, 10:38

... Foto Utentemasomaso90 spiega pero' cosa rappresentano i vari parametri dell'espressione :!:
"Il circuito ha sempre ragione" (Luigi Malesani)
Avatar utente
Foto UtenteRenzoDF
55,9k 8 12 13
G.Master EY
G.Master EY
 
Messaggi: 13189
Iscritto il: 4 ott 2008, 9:55

0
voti

[54] Re: Trasformatore? Si, ma avrei preferito di no :D

Messaggioda Foto Utentemasomaso90 » 18 set 2011, 10:44

Io ho fatto un'estate sana di circuiti del 1° ordine, il second'ordine l'ho scoperto all'esame :D
(Il Prof aveva fissato gli orali per domani, ma ancora non ha messo i risultati degli scritti, cose da pazzi)

Comunque viene tutto da qui:

http://www.electroyou.it/phpBB2/viewtopic.php?f=2&t=28766&st=0&sk=t&sd=a&start=20

i_0 è la corrente che scorre nel circuito, prima che l'interruttore apra/chiuda.
i_\infty è la corrente che scorre nel circuito, dopo che l'interruttore abbia aperto/chiuso.
\tau sono le costanti di tempo, del condensatore e dell'induttore (in questo caso).

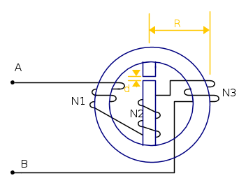
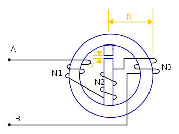
Ps, vi posto in anteprima lo schema del prossimo esercizio: :D


Avatar utente
Foto Utentemasomaso90
109 4 7
Frequentatore
Frequentatore
 
Messaggi: 294
Iscritto il: 10 dic 2010, 21:52

0
voti

[55] Re: Trasformatore? Si, ma avrei preferito di no :D

Messaggioda Foto UtenteRenzoDF » 18 set 2011, 11:03

Con riferimento a quella tua formula ti chiedo solo, che valore fornisce per t=0, ovvero quanto vale i(0) ? :-)
Siete davvero incredibili, vi inventate estensioni personalizzate di formule, per non andarvi a studiare l'argomento :?

BTW per il circuito magnetico direi che quell'R ha il riferimento destro errato, come per la L del precedente ;-)
"Il circuito ha sempre ragione" (Luigi Malesani)
Avatar utente
Foto UtenteRenzoDF
55,9k 8 12 13
G.Master EY
G.Master EY
 
Messaggi: 13189
Iscritto il: 4 ott 2008, 9:55

0
voti

[56] Re: Trasformatore? Si, ma avrei preferito di no :D

Messaggioda Foto Utenteasdf » 18 set 2011, 11:04

Il Prof aveva fissato gli orali per domani, ma ancora non ha messo i risultati degli scritti, cose da pazzi

Incredibile ! :shock:
Avatar utente
Foto Utenteasdf
25,3k 8 11 13
Master EY
Master EY
 
Messaggi: 4762
Iscritto il: 11 apr 2010, 9:19

-1
voti

[57] Re: Trasformatore? Si, ma avrei preferito di no :D

Messaggioda Foto Utentemasomaso90 » 18 set 2011, 11:06

Nel caso generale, avrà un suo valore..

Nel mio circuito (quello linkato), vale 0, perche è un circuito aperto :D

Edit,

quella formula, è vero l'ho inventata, come se fosse una sovrapposizione degli effetti :D

Ma la mia "teoria" si basava sulla formula, trovata su internet, che ho postato in [7].

Anche nel post [25] ti chiedevo se fosse corretta o meno..



Foto Utentepinklady, tu ancora non mi conosci, ma io lavoro solo di sovrapposizione :D

Mentre Foto Utenteasdf si diverte a fare trasformazioni Thevenin-Norton, vero Foto Utenteasdf? :D

ahahhahah
Avatar utente
Foto Utentemasomaso90
109 4 7
Frequentatore
Frequentatore
 
Messaggi: 294
Iscritto il: 10 dic 2010, 21:52

0
voti

[58] Re: Trasformatore? Si, ma avrei preferito di no :D

Messaggioda Foto Utentemasomaso90 » 18 set 2011, 11:17

Foto UtenteRenzoDF, ti faccio ridere:

DSCF3114.JPG
DSCF3114.JPG (177.44 KiB) Osservato 3467 volte


Osserva la qualità dei dettagli :D
Avatar utente
Foto Utentemasomaso90
109 4 7
Frequentatore
Frequentatore
 
Messaggi: 294
Iscritto il: 10 dic 2010, 21:52

0
voti

[59] Re: Trasformatore? Si, ma avrei preferito di no :D

Messaggioda Foto UtenteRenzoDF » 18 set 2011, 11:22

... direi che dovrebbero solo Vergognarsi :!:
"Il circuito ha sempre ragione" (Luigi Malesani)
Avatar utente
Foto UtenteRenzoDF
55,9k 8 12 13
G.Master EY
G.Master EY
 
Messaggi: 13189
Iscritto il: 4 ott 2008, 9:55

0
voti

[60] Re: Trasformatore? Si, ma avrei preferito di no :D

Messaggioda Foto Utentepinklady » 18 set 2011, 11:23

Foto Utentemasomaso90 in effetti non so bene come lavori, sto leggendo quell'esercizio sui circuiti del secondo ordine (solidarietà perché ti è capitato un argomento praticamente mai fatto... te lo dice una che l'esame scritto di elettrotecnica l'ha fatto diverse volte!!!)
Comunque ok per lavorare cone la sovrapposizione degli effetti, forse il problema del disegno è quella distanza un po' ambigua... e infatti vedo la risposta di Foto UtenteRenzoDF!!!
Avatar utente
Foto Utentepinklady
2.508 5 11
Expert EY
Expert EY
 
Messaggi: 241
Iscritto il: 16 set 2010, 16:27
Località: Sardegna

PrecedenteProssimo

Torna a Elettrotecnica generale

Chi c’è in linea

Visitano il forum: Nessuno e 15 ospiti