PIC + Trasmettitore AM
Moderatore:
jordan20
38 messaggi
• Pagina 3 di 4 • 1, 2, 3, 4
1
voti
mmmm...
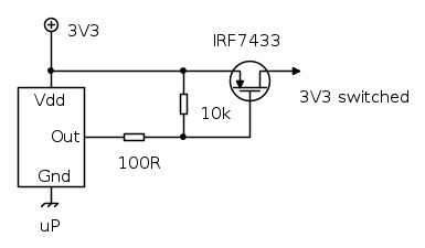
se vuoi spegnere ed accendere un carico sull'alimentazione positiva lo schema che avevi postato non va bene...
ti serve un P-MOS e che sia anche logici level... che altrimenti non ce la fai ad accenderlo con i 3V all'uscita del microprocessore...
qualcosa del genere
l'unica cosa che potrebbe essere un problema è che il MOS proposto è SMD... non so se se ne trova una versione thru-hole....
Altre soluzioni con NMOS e/o non logic level prevedono un survoltore, magari una charge pump, per elevare la tensione di gate ma credo proprio che il gioco non valga la candela sia in termini di complicazione circuitale che di consumo di corrente che poi è il nocciolo della questione.
Se proprio non trovi o non ti va il PMOS io andrei di bipolare...
Lavora pressappoco come il MOS, solo di perdi circa 200 mV di caduta di tensione verso l'uscita switched e ti perdi anche 2-3 mA per la base del transistor... ma in fondo non credo faccia tutta questa differenza...
P.S. in entrambi i casi l'uscita del uP deve essere bassa per alimentare il carico e alta per spegnerlo
se vuoi spegnere ed accendere un carico sull'alimentazione positiva lo schema che avevi postato non va bene...
ti serve un P-MOS e che sia anche logici level... che altrimenti non ce la fai ad accenderlo con i 3V all'uscita del microprocessore...
qualcosa del genere
l'unica cosa che potrebbe essere un problema è che il MOS proposto è SMD... non so se se ne trova una versione thru-hole....
Altre soluzioni con NMOS e/o non logic level prevedono un survoltore, magari una charge pump, per elevare la tensione di gate ma credo proprio che il gioco non valga la candela sia in termini di complicazione circuitale che di consumo di corrente che poi è il nocciolo della questione.
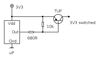
Se proprio non trovi o non ti va il PMOS io andrei di bipolare...
Lavora pressappoco come il MOS, solo di perdi circa 200 mV di caduta di tensione verso l'uscita switched e ti perdi anche 2-3 mA per la base del transistor... ma in fondo non credo faccia tutta questa differenza...
P.S. in entrambi i casi l'uscita del uP deve essere bassa per alimentare il carico e alta per spegnerlo
Se ti serve il valore di beta: hai sbagliato il progetto!
0
voti
Ok, in questo post che ho aperto mi dicono che posso erogare la corrente necessaria direttamente con il PIC, voi che dite?
1
voti
Io non ne dico niente
....
ma invece Microchip un'idea ce l'avrebbe...
e direi che con 2-3 mA di uscita già ti perdi circa 0.5V

ma invece Microchip un'idea ce l'avrebbe...
e direi che con 2-3 mA di uscita già ti perdi circa 0.5V
Se ti serve il valore di beta: hai sbagliato il progetto!
0
voti
Giusto! PMOS....non ci avevo riflettuto...si vede che non li ho ancora utilizzati....
io consigliavo il MOS per non avere la cauta di ensione del BJT.. che da 3.3 mangerebbe a 2.5V l'alimentazione...
no so se è suffuiente per l'antenna.
io consigliavo il MOS per non avere la cauta di ensione del BJT.. che da 3.3 mangerebbe a 2.5V l'alimentazione...
no so se è suffuiente per l'antenna.
...:::Pivello allo sbaraglio:::...
MY WEBSITE! come and see... ;) <-- Di nuovo online... spiacente per i problemi tecnici!
MY WEBSITE! come and see... ;) <-- Di nuovo online... spiacente per i problemi tecnici!
-

crestus
1.295 2 7 13 - Expert EY

- Messaggi: 478
- Iscritto il: 3 ott 2008, 10:28
- Località: studente al politecnico di torino
0
voti
La tensione di saturazione è intorno ai 200mV quindi, invece di ritrovarti 3,3V te ne ritrovi 3,1V.0,7 V è la Vbe.
"La follia sta nel fare sempre la stessa cosa aspettandosi risultati diversi".
"Parla soltanto quando sei sicuro che quello che dirai è più bello del silenzio".
Rispondere è cortesia, ma lasciare l'ultima parola ai cretini è arte.
"Parla soltanto quando sei sicuro che quello che dirai è più bello del silenzio".
Rispondere è cortesia, ma lasciare l'ultima parola ai cretini è arte.
-

TardoFreak
73,9k 8 12 13 - -EY Legend-

- Messaggi: 15754
- Iscritto il: 16 dic 2009, 11:10
- Località: Torino - 3° pianeta del Sistema Solare
0
voti
Il trasmettitore funziona da 1.5 a 5V, qui c'è il datasheet.
Mi viene un dubbio: posso alimentarlo con 2.8V (perché l'alimentazione non è 3.3V, ma 3V!) e mandargli i dati con un altro pin del PIC a 3V?
Mi viene un dubbio: posso alimentarlo con 2.8V (perché l'alimentazione non è 3.3V, ma 3V!) e mandargli i dati con un altro pin del PIC a 3V?
0
voti
Sul datasheet non ci sono indicazioni in merito ma non penso che 200mV in più possano creare problemi (normalmente non ne creano).
Per sicurezza mettici sull' ingresso una resistenza in serie da 1K e prova.
Per sicurezza mettici sull' ingresso una resistenza in serie da 1K e prova.
"La follia sta nel fare sempre la stessa cosa aspettandosi risultati diversi".
"Parla soltanto quando sei sicuro che quello che dirai è più bello del silenzio".
Rispondere è cortesia, ma lasciare l'ultima parola ai cretini è arte.
"Parla soltanto quando sei sicuro che quello che dirai è più bello del silenzio".
Rispondere è cortesia, ma lasciare l'ultima parola ai cretini è arte.
-

TardoFreak
73,9k 8 12 13 - -EY Legend-

- Messaggi: 15754
- Iscritto il: 16 dic 2009, 11:10
- Località: Torino - 3° pianeta del Sistema Solare
38 messaggi
• Pagina 3 di 4 • 1, 2, 3, 4
Chi c’è in linea
Visitano il forum: Nessuno e 5 ospiti

Elettrotecnica e non solo (admin)
Un gatto tra gli elettroni (IsidoroKZ)
Esperienza e simulazioni (g.schgor)
Moleskine di un idraulico (RenzoDF)
Il Blog di ElectroYou (webmaster)
Idee microcontrollate (TardoFreak)
PICcoli grandi PICMicro (Paolino)
Il blog elettrico di carloc (carloc)
DirtEYblooog (dirtydeeds)
Di tutto... un po' (jordan20)
AK47 (lillo)
Esperienze elettroniche (marco438)
Telecomunicazioni musicali (clavicordo)
Automazione ed Elettronica (gustavo)
Direttive per la sicurezza (ErnestoCappelletti)
EYnfo dall'Alaska (mir)
Apriamo il quadro! (attilio)
H7-25 (asdf)
Passione Elettrica (massimob)
Elettroni a spasso (guidob)
Bloguerra (guerra)



