Cos'è ElectroYou | Login Iscriviti

ElectroYou - la comunità dei professionisti del mondo elettrico

Orologio a led

Elettronica lineare e digitale: didattica ed applicazioni

Moderatori: Foto Utentecarloc, Foto Utenteg.schgor, Foto UtenteBrunoValente, Foto UtenteIsidoroKZ

0
voti

[251] Re: Orologio a led

Messaggioda Foto Utentegiorjevic » 26 ago 2011, 18:46

Grazie per le foto Foto Utentemarco438.

L'importanza dei connettori mi ha aiutata a capirla anche Foto UtenteIsidoroKZ. La tua è senza dubbio una bellissima idea quella di utilizzare dei connettori ad angolo anche se io ho deciso di utilizzare dei connettori verticali perché ho bisogno di guadagnare spazio in profondità.

Poi per riuscire ad ottenere maggiore stabilità farò forare le millefori in corrispondenza degli angoli e ci farò passare delle barre filettate su cui inserirò dadi e rondelle per ottenere un migliore fissaggio.


Durante il lavoro di saldatura connessione e montaggio farò delle foto così mostro chiaramente i processi eseguiti.

Per la qualità delle foto non devi scusarti le foto chiariscono benissimo le idee :ok:
Avatar utente
Foto Utentegiorjevic
10 4 8
Frequentatore
Frequentatore
 
Messaggi: 279
Iscritto il: 3 apr 2011, 15:30

0
voti

[252] Re: Orologio a led

Messaggioda Foto Utentemarco438 » 28 ago 2011, 21:17

Nel tuo caso e' giusto usare connettori normali e non a 90°.
Lo scopo delle foto era quello di farti vedere come, con i connettori, il lavoro finale sia molto piu' pulito, ordinato e sicuro.
O_/
marco
Avatar utente
Foto Utentemarco438
37,1k 7 11 13
-EY Legend-
-EY Legend-
 
Messaggi: 16323
Iscritto il: 24 mar 2010, 15:09
Località: Versilia

0
voti

[253] Re: Orologio a led

Messaggioda Foto Utenteuboss » 19 set 2011, 14:21

Ciao a tutti.
Sono molto interessato a questo progetto.
Ho già il necessario, ma ho un problema.
L'alimentazione!
Non dispongo di un alimentatore e non ho ancora trovato un piccolo trasformatore.
Quello che mi avevano proposta era fin troppo ingombrante per un orologio digitale e così non l'ho preso.
La mia domanda è: posso usare un alimentatore da cellulare per alimentare il mio circuito?
sull'etichetta c'è scritto:
INPUT 220-240 VAC 50-60 Hz ok!
OUTPUT 5 VDC 1.2 A
Sembra perfetto ma vorrei chiedere a voi.
Grazie dell'aiuto.
Avatar utente
Foto Utenteuboss
15 3 4
New entry
New entry
 
Messaggi: 99
Iscritto il: 10 set 2011, 0:35

0
voti

[254] Re: Orologio a led

Messaggioda Foto UtenteIsidoroKZ » 19 set 2011, 17:45

No, 5V per questo progetto non sono sufficienti, a meno di non cambiare gli integrati della serie 4000 con i (piu` o meno) corrispondenti della serie 74HC. Se ben ricordo gli integrati 4000 quando lavorano a 5V non riescono ad erogare abbastanza corrente per accendere bene i led. Credo risulterebbero un po' fiochi.

Che integrati hai? quelli del progetto della serie 4000? Che display e led vuoi usare?
Per usare proficuamente un simulatore, bisogna sapere molta più elettronica di lui
Plug it in - it works better!
Il 555 sta all'elettronica come Arduino all'informatica! (entrambi loro malgrado)
Se volete risposte rispondete a tutte le mie domande
Avatar utente
Foto UtenteIsidoroKZ
121,2k 1 3 8
G.Master EY
G.Master EY
 
Messaggi: 21059
Iscritto il: 17 ott 2009, 0:00

0
voti

[255] Re: Orologio a led

Messaggioda Foto Utenteuboss » 19 set 2011, 17:53

i display a led devo ancora acquistarli.
Possiedo:
4060
4013
decoder 4511
contatore 4518
Vorrei farlo in questo modo:
1)per la precisione vorrei utilizzare un quarzo
2)come alimentazione vorrei utilizzare quei alimentatori da PC o di qualsiasi altro tipo (dovrei trovarne uno ma se non lo trovassi ho tutto l'occorrente escluso il trasformatore)
3)sei display a led (esiste il fucsia?è un regalo :oops: ) hh:mm:ss
4)il tutto su basetta mllefori

P.s. esistono trasformatori da 1.5 A di dimensione contenuta?
Oggi sono passato alla gbc e mi hanno proposto un trasformatore da 2 A troppo grande e pesante per essere inserito in un orologio.
Avatar utente
Foto Utenteuboss
15 3 4
New entry
New entry
 
Messaggi: 99
Iscritto il: 10 set 2011, 0:35

0
voti

[256] Re: Orologio a led

Messaggioda Foto UtenteIsidoroKZ » 19 set 2011, 18:16

L'orologio fatto in questo thread non va bene, i secondi sono visualizzati con 60 led che si accendono e spengono in sequenza. Dai un'occhiata invece a questo progetto di Foto Utentemarco438 e ai suoi thread che lo spiegano altre varianti.

Nota di servizio: Foto Utentemarco438 nel secondo e terzo schema, quelli con il 4040, mi pare manchi una resistenza di pull up e l'alimentazione sia collegata direttamente alle uscite.
Per usare proficuamente un simulatore, bisogna sapere molta più elettronica di lui
Plug it in - it works better!
Il 555 sta all'elettronica come Arduino all'informatica! (entrambi loro malgrado)
Se volete risposte rispondete a tutte le mie domande
Avatar utente
Foto UtenteIsidoroKZ
121,2k 1 3 8
G.Master EY
G.Master EY
 
Messaggi: 21059
Iscritto il: 17 ott 2009, 0:00

0
voti

[257] Re: Orologio a led

Messaggioda Foto Utenteuboss » 19 set 2011, 18:23

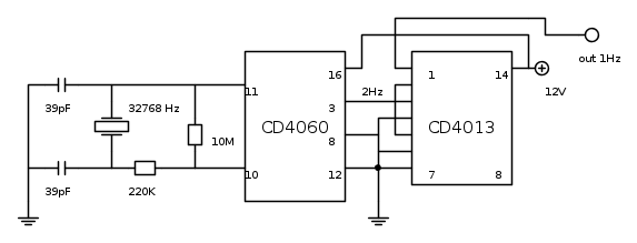
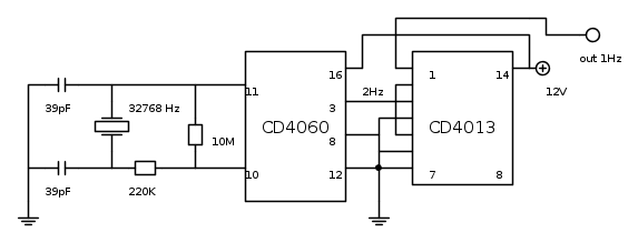
Il segnale da 1 Hz dovrebbe provenire da qui:

Grazie Foto UtenteIsidoroKZ è stato proprio da lì che ho preso ispirazione :D
Si mi sto documentando in vari topic.
Il problema è l'alimentazione.
Avatar utente
Foto Utenteuboss
15 3 4
New entry
New entry
 
Messaggi: 99
Iscritto il: 10 set 2011, 0:35

0
voti

[258] Re: Orologio a led

Messaggioda Foto Utentemarco438 » 19 set 2011, 18:30

IsidoroKZ ha scritto:Nota di servizio: Foto Utentemarco438 nel secondo e terzo schema, quelli con il 4040, mi pare manchi una resistenza di pull up e l'alimentazione sia collegata direttamente alle uscite.


Grazie per la segnalazione.
O_/
marco
Avatar utente
Foto Utentemarco438
37,1k 7 11 13
-EY Legend-
-EY Legend-
 
Messaggi: 16323
Iscritto il: 24 mar 2010, 15:09
Località: Versilia

1
voti

[259] Re: Orologio a led

Messaggioda Foto Utentemarco438 » 19 set 2011, 19:07

uboss ha scritto:Il problema è l'alimentazione.

Ti basta un trasformatore, un regolatore e qualche condensatore.
Adoperando trasformatori sul genere di questo http://it.rs-online.com/web/p/trasformatori-di-toroide/6719053/
non occupi poi tanto spazio. Sono soltanto 31x60mm e 320gr.
O_/

P.S. Sara' meglio che tu apra un altro thread per non creare confusione con questo che e' ancora attivo.
marco
Avatar utente
Foto Utentemarco438
37,1k 7 11 13
-EY Legend-
-EY Legend-
 
Messaggi: 16323
Iscritto il: 24 mar 2010, 15:09
Località: Versilia

0
voti

[260] Re: Orologio a led

Messaggioda Foto Utenteuboss » 20 set 2011, 1:10

Ma come mi ha detto Foto UtenteIsidoroKZ con una tensione in uscita dal trasformatore di 6 V non ho la corrente necessaria per pilotare i led.
avrò una tensione continua di:
1.4 V caduta ponte
3 V caduta regolatore
(6-1.4)*1.41-3=3.01 V disponibili stabilizzati
è giusto?
Grazie Foto Utentemarco438 per il consiglio.
Aprirò un thread domani.
Buona notte a tutti O_/
Avatar utente
Foto Utenteuboss
15 3 4
New entry
New entry
 
Messaggi: 99
Iscritto il: 10 set 2011, 0:35

PrecedenteProssimo

Torna a Elettronica generale

Chi c’è in linea

Visitano il forum: Nessuno e 105 ospiti