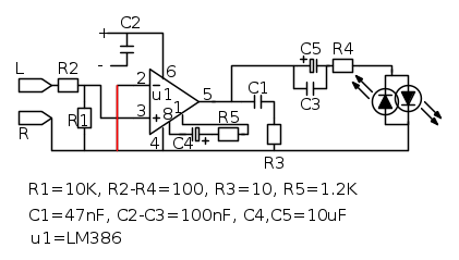
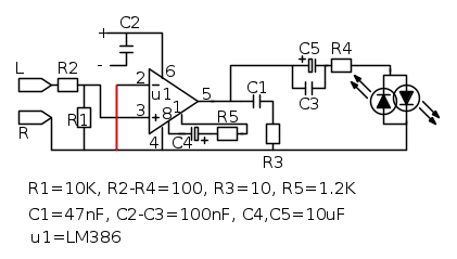
Salve a tutti vorrei realizzare questo circuito, si chiama irdroid e serve per usare un telefono cellulare come telecomando tv, solo che al momento il mio fornitore di componenti non dispone di lm386 volevo sapere se posso rimpiazzarlo con tda2320a, grazie.
o nel caso non fosse possibile modificare questo, affinchè si accendano due led al posto di uno ma con la convenzione che quando uno sia accende l'altro si spegne
quesito su IRdroid
Moderatori:
carloc,
g.schgor,
BrunoValente,
IsidoroKZ
3 messaggi
• Pagina 1 di 1
0
voti
0
voti
ho dimenticato di specificare che lo scopo del circuito è semplice usa il segnale dell'uscita cuffie per guidare i due led
0
voti
Ciao,
hai già provato a farlo senza amplificatore (diodi in controvase attestati sui pin L,R del jack audio stereo) semplicemente settando il volume delle cuffie al massimo?
Se l'audio è creato opportunamente, il livello risulterà sufficiente per illuminare gli emettitori IR.
Io lo uso regolarmente, anche a distanze superiori ai 4-5 metri; uso i LED IR TSUS4300.
Sul mio sito:
http://remotizeyoursmartphone.wordpress.com/
spiego bene la teoria che c'è sotto. Ho realizzato applicazioni di telecomando per iPhone e smartphone Android; lì trovi il link anche alle demo (gratuite, ma limitate ai soli pulstanti ON/OFF, VOL+, PROG+) sufficienti per vedere se funzionano con la tua TV o decoder SKY HD.
Il progetto semplificato, senza amplificazione:
http://remotizeyoursmartphone.wordpress ... -yourself/
(puoi omettere anche la resistenza)
applicazioni per iPhone disponibili sull' App Store:
due applicazioni (disponibili su App Store) per usare l'iPhone come telecomando SKY HD ma anche TV SAMSUNG, SONY, PHILIPS, PANASONIC, LG, SHARP
http://itunes.apple.com/it/app/infrared ... 55055?mt=8 (SKY HD + TV)
http://itunes.apple.com/it/app/infrared ... 30395?mt=8 (solo TV)
Ci sono anche versioni DEMO gratuite per testare se funzionano con la tua TV
applicazioni per Android:
https://market.android.com/details?id=a ... W1vdGUiXQ..
mentre la DEMO gratuita la trovi linkata sul sito:
http://remotizeyoursmartphone.wordpress ... r-android/
hai già provato a farlo senza amplificatore (diodi in controvase attestati sui pin L,R del jack audio stereo) semplicemente settando il volume delle cuffie al massimo?
Se l'audio è creato opportunamente, il livello risulterà sufficiente per illuminare gli emettitori IR.
Io lo uso regolarmente, anche a distanze superiori ai 4-5 metri; uso i LED IR TSUS4300.
Sul mio sito:
http://remotizeyoursmartphone.wordpress.com/
spiego bene la teoria che c'è sotto. Ho realizzato applicazioni di telecomando per iPhone e smartphone Android; lì trovi il link anche alle demo (gratuite, ma limitate ai soli pulstanti ON/OFF, VOL+, PROG+) sufficienti per vedere se funzionano con la tua TV o decoder SKY HD.
Il progetto semplificato, senza amplificazione:
http://remotizeyoursmartphone.wordpress ... -yourself/
(puoi omettere anche la resistenza)
applicazioni per iPhone disponibili sull' App Store:
due applicazioni (disponibili su App Store) per usare l'iPhone come telecomando SKY HD ma anche TV SAMSUNG, SONY, PHILIPS, PANASONIC, LG, SHARP
http://itunes.apple.com/it/app/infrared ... 55055?mt=8 (SKY HD + TV)
http://itunes.apple.com/it/app/infrared ... 30395?mt=8 (solo TV)
Ci sono anche versioni DEMO gratuite per testare se funzionano con la tua TV
applicazioni per Android:
https://market.android.com/details?id=a ... W1vdGUiXQ..
mentre la DEMO gratuita la trovi linkata sul sito:
http://remotizeyoursmartphone.wordpress ... r-android/
-

maxlarocca
0 1 - Messaggi: 1
- Iscritto il: 1 dic 2011, 11:32
3 messaggi
• Pagina 1 di 1
Chi c’è in linea
Visitano il forum: Nessuno e 76 ospiti

Elettrotecnica e non solo (admin)
Un gatto tra gli elettroni (IsidoroKZ)
Esperienza e simulazioni (g.schgor)
Moleskine di un idraulico (RenzoDF)
Il Blog di ElectroYou (webmaster)
Idee microcontrollate (TardoFreak)
PICcoli grandi PICMicro (Paolino)
Il blog elettrico di carloc (carloc)
DirtEYblooog (dirtydeeds)
Di tutto... un po' (jordan20)
AK47 (lillo)
Esperienze elettroniche (marco438)
Telecomunicazioni musicali (clavicordo)
Automazione ed Elettronica (gustavo)
Direttive per la sicurezza (ErnestoCappelletti)
EYnfo dall'Alaska (mir)
Apriamo il quadro! (attilio)
H7-25 (asdf)
Passione Elettrica (massimob)
Elettroni a spasso (guidob)
Bloguerra (guerra)


