Cos'è ElectroYou | Login Iscriviti

ElectroYou - la comunità dei professionisti del mondo elettrico

Frecce per bici

Elettronica lineare e digitale: didattica ed applicazioni

Moderatori: Foto Utentecarloc, Foto Utenteg.schgor, Foto UtenteBrunoValente, Foto UtenteIsidoroKZ

2
voti

[11] Re: Frecce per bici

Messaggioda Foto Utentesimo85 » 22 set 2011, 3:26

Allo schema manca solo il relè di protezione, un classico 1N4007 dovrebbe andare bene. Per l'ingrandimento con il link si vede bene :ok: .
Se ciascun carico (a LED) non consuma troppo, potresti valutare di usare un PNP ed un NPN al posto del relè, che già di suo consumerà i suoi \approx 30 - 60 \text{mA}, o perché no, collegare direttamente tutto all'uscita del 555, sempre dipendendo dal carico.
Se vuoi mettere le lampadine, probabilmente puoi usare i MOSFET.
Avatar utente
Foto Utentesimo85
30,9k 7 12 13
Disattivato su sua richiesta
 
Messaggi: 9927
Iscritto il: 30 ago 2010, 4:59

2
voti

[12] Re: Frecce per bici

Messaggioda Foto Utentemarco438 » 22 set 2011, 7:51

Se il carico consiste in 8 led di consumo standard che si accendono quattro alla volta, mi sembra inutile l'uso di BJT e rele'.
In definitiva possono essere direttamente collegati al 555 la cui uscita venga sdoppiata dal commutatore.
Ci sarebbe cosi' un "risparmio" di componenti notevole (anche per costo) nonche' minori possibilita' di guasti futuri.
In un circuito, meno componenti ci sono, meno se ne possono rompere.
O_/
marco
Avatar utente
Foto Utentemarco438
37,1k 7 11 13
-EY Legend-
-EY Legend-
 
Messaggi: 16323
Iscritto il: 24 mar 2010, 15:09
Località: Versilia

0
voti

[13] Re: Frecce per bici

Messaggioda Foto Utentelucbie » 22 set 2011, 9:07

futuredj95 ha scritto:2,2-3,5 volt 20mA è il classico led bianco o blu ...serve per ogni uscita un transistor

Ah sì, ora ci siamo! :?

Se deve fare delle frecce non servono led bianchi o blu: servono giallo-arancioni. E se hai intenzione di mettere i LED in serie, con il range di tensioni che hai indicato, hai un incertezza di qualche volt.

Possiamo ipotizzare che sul singolo LED cadano 2,5V e che siano fatti per un'alimentazione di corrente a 20mA, ma sono solo ipotesi.

Concordo sul fatto che il relé sia un po' eccessivo, se davvero si vorranno pilotare solo 16 LED. Una semplificazione del circuito di Foto Utentemarioursino è una soluzione più che valida.

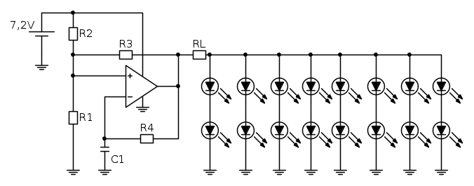
In alternativa puoi fare qualcosa di questo genere, con un operazionale che possa erogare abbastanza corrente da accendere i LED:



Cerca dei LED arancioni ad alta luminosità e fatti dire le informazioni fondamentali per la loro polarizzazione.
Altrimenti qui si va avanti per ipotesi...
Avatar utente
Foto Utentelucbie
85 1 3 7
Expert EY
Expert EY
 
Messaggi: 676
Iscritto il: 9 dic 2009, 21:18
Località: Brianza

0
voti

[14] Re: Frecce per bici

Messaggioda Foto Utentefuturedj95 » 22 set 2011, 15:57

I led gialli consumano di media sempre i 20 mA ma ad una tensione più bassa.. massimo 2,2 volt
Avatar utente
Foto Utentefuturedj95
11 1 5
New entry
New entry
 
Messaggi: 96
Iscritto il: 29 dic 2010, 22:04

0
voti

[15] Re: Frecce per bici

Messaggioda Foto Utentemir » 22 set 2011, 16:31

la tensione di polarizzazione diretta (Vf) di un diodo led giallo (5mm) è di 1,9 V e l'intensità di corrente di polarizzazione diretta (If) massima può essere in genere (vedere datasheet relativo) di 20 mA ma per prudenza ci si tiene sotto questo valore in genere intorno ai 15 mA così da allungare la vita al diodo led.
Avatar utente
Foto Utentemir
66,0k 9 12 13
G.Master EY
G.Master EY
 
Messaggi: 21870
Iscritto il: 19 ago 2004, 21:10

1
voti

[16] Re: Frecce per bici

Messaggioda Foto Utentemarco438 » 23 set 2011, 8:11

Purtroppo vedo che, a parte le molte ipotesi formulate, non si e' ancora stabilito quali siano i led da usare
e quale la tensione (quali batterie verranno usate?).
Senza questi parametri che Foto UtenteFede81 deve fornire, non si puo' concepire un progetto definitivo.
O_/
marco
Avatar utente
Foto Utentemarco438
37,1k 7 11 13
-EY Legend-
-EY Legend-
 
Messaggi: 16323
Iscritto il: 24 mar 2010, 15:09
Località: Versilia

1
voti

[17] Re: Frecce per bici

Messaggioda Foto Utentesimo85 » 23 set 2011, 11:35

futuredj95 ha scritto:I led gialli consumano...

I LED consumano la corrente a cui li alimenti.

@ Foto Utentemarco438
Per questo io avevo fatto cenno a bipolari o componenti esterni in caso servissero :-)
Avatar utente
Foto Utentesimo85
30,9k 7 12 13
Disattivato su sua richiesta
 
Messaggi: 9927
Iscritto il: 30 ago 2010, 4:59

0
voti

[18] Re: Frecce per bici

Messaggioda Foto Utentemarco438 » 23 set 2011, 11:39

Resta il fatto che e' inutile perdere tempo in supposizioni.
Foto UtenteFede81 deve decidere come procedere e fornire i dati richiesti; altrimenti non c'e' possibilita' di stilare un progetto utile al caso.
marco
Avatar utente
Foto Utentemarco438
37,1k 7 11 13
-EY Legend-
-EY Legend-
 
Messaggi: 16323
Iscritto il: 24 mar 2010, 15:09
Località: Versilia

0
voti

[19] Re: Frecce per bici

Messaggioda Foto UtenteFede81 » 26 set 2011, 19:56

La mia intenzione era di mettere dei led gialli,ed usare una betteria da 9volt :D
Avatar utente
Foto UtenteFede81
0 2
 
Messaggi: 7
Iscritto il: 21 set 2011, 14:28

1
voti

[20] Re: Frecce per bici

Messaggioda Foto Utentemarco438 » 26 set 2011, 20:28

Per risolvere il tuo problema avrei pensato ad un circuito del genere:


I "led gialli", quattro per parte, si suppone abbiano una tensione di esercizio di 2V con corrente di 20mA.
Quindi le resistenze - con tensione di alimentazione di 9V - dovranno essere da 270 ohm .
Certo e' che avendo come alimentazione una batteria "transistor" da 9V, non si andra' molto lontano e, a breve, la luminosira' tendera' a scendere con il consumo delle stesse.
Il potenziometro da 100K, regolato a circa 71K fa si che la frequenza in uscita dal pin 3 del 555, abbia una frequenza di circa 1Hz.
O_/
marco
Avatar utente
Foto Utentemarco438
37,1k 7 11 13
-EY Legend-
-EY Legend-
 
Messaggi: 16323
Iscritto il: 24 mar 2010, 15:09
Località: Versilia

PrecedenteProssimo

Torna a Elettronica generale

Chi c’è in linea

Visitano il forum: Nessuno e 240 ospiti