Circuito di acquisizione con fotodiodo
Moderatori:
carloc,
g.schgor,
BrunoValente,
IsidoroKZ
25 messaggi
• Pagina 1 di 3 • 1, 2, 3
0
voti
Salve a tutti!!!!sono nuovo del forum..l'elettronica è la mia passione ma sono proprio alle prime armi..a scuola mi hanno dato da fare un progettino ma ho un sacco di dubbi...perciò chiedo a voi che siete i miei miti!!il mio progetto è diviso in 2 parti: la prima parte di acquisizione e la seconda parte di pilotaggio di un led ad alta potenza. In pratica devo acquisire la luminosità che ho nella stanza e poi regolare l'intensità luminosa del led ad alta potenza.Concentrandomi sulla prima parte ho i seguenti dubbi: io sto pensando ad un circuito costituito da un fotodiodo più una resistenza in serie..come fotodiodo ho scelto di usare un fotodiodo dell'elcart art 19/6040.. anche se dal datasheet ci capisco poco. mi sapreste dire come dimensiono la resistenza in serie a questo tipo di fotodiodo??? E poi quali sono le info importanti a cui devo fare riferimento su questo datasheet????
0
voti
grazie mille per avermi risposto!!!ti passo il link da dove ho scaricato il datasheet: http://www.elcart.com/media/pdf/19_6040.pdf
0
voti
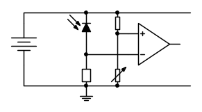
Consiglierei di provare con un circuito come questo:
L'amplificatore operazionle, in configurazione comparatore
dovrebbe fornire il comando per l'accensione del LED di potenza
(mediante appositi transistor o Mosfet)
Il resistore in serie al fotodiodo potrebbe essere da 10K.
PS: se non compare il circuito copia il sorgente e usa Fidocad
per vederlo.
L'amplificatore operazionle, in configurazione comparatore
dovrebbe fornire il comando per l'accensione del LED di potenza
(mediante appositi transistor o Mosfet)
Il resistore in serie al fotodiodo potrebbe essere da 10K.
PS: se non compare il circuito copia il sorgente e usa Fidocad
per vederlo.
0
voti
ho visto il circuito che mi ha inviato!nelle specifiche ho tralasciato l'informazione più importante ovvero che il pilotaggio lo devo fare tramite un microcontrollore!del microcontrollore dovrò usare l'adc e il PWM..comunque le volevo chiedere il valore di 10K come lo ha scelto?e poi dal datasheet del mio fotodiodo quali sono le informazioni che mi interessano?
0
voti
Letto!!tutto molto chiaro..ora mi vorrei concentrare sul circuito del driver per il power led..io avrei pensato ad una resistenza in serie al mio led e ad un BJT a cui mando il segnale PWM del micro..mi serve avere un valore di corrente max di 350mA..sapete consigliarmi come devo dimensionare la resistenza e quale BJT utilizzare?
0
voti
Puoi dimensionare la resistenza in modo che passino 350mA
con transistor in conduzione permanente e poi parzializzare
col PWM fino alla corrente (media) minima.
Come transistor dovrebbe andar bene un 2N2222A.
con transistor in conduzione permanente e poi parzializzare
col PWM fino alla corrente (media) minima.
Come transistor dovrebbe andar bene un 2N2222A.
0
voti
quando vado a calcolare il valore della resistenza al posto del led cosa considero?un generatore di tensione pari alla tensione nominale???poi altra domanda e se al posto del BJT volessi usare un power mosfet quale mi consiglierebbe???
0
voti
Il valore della resistenza in serie al LED va calcolato
considerando la tensione di alimentazione meno la caduta
(nominale) sul LED e meno la tensione di saturazione
del transistor (ad es. 0.3V). Attenzione però alla potenza
dissipata: la resistenza deve essere dimensionata anche
per questo.
A rigore, con un PWM si potrebbe non mettere alcuna
resistenza (sfruttando i parametri di flash per il LED),
ma consiglio un approccio più semplice e sicuro.
Circa il Mosfet direi che non è il caso per correnti al disotto
dell'amper (ci possono poi essere complicazioni per la bassa
tensione al Gate,per cui vanno scelti elementi adatti alla
bassa tensione)
considerando la tensione di alimentazione meno la caduta
(nominale) sul LED e meno la tensione di saturazione
del transistor (ad es. 0.3V). Attenzione però alla potenza
dissipata: la resistenza deve essere dimensionata anche
per questo.
A rigore, con un PWM si potrebbe non mettere alcuna
resistenza (sfruttando i parametri di flash per il LED),
ma consiglio un approccio più semplice e sicuro.
Circa il Mosfet direi che non è il caso per correnti al disotto
dell'amper (ci possono poi essere complicazioni per la bassa
tensione al Gate,per cui vanno scelti elementi adatti alla
bassa tensione)
25 messaggi
• Pagina 1 di 3 • 1, 2, 3
Chi c’è in linea
Visitano il forum: Nessuno e 186 ospiti

Elettrotecnica e non solo (admin)
Un gatto tra gli elettroni (IsidoroKZ)
Esperienza e simulazioni (g.schgor)
Moleskine di un idraulico (RenzoDF)
Il Blog di ElectroYou (webmaster)
Idee microcontrollate (TardoFreak)
PICcoli grandi PICMicro (Paolino)
Il blog elettrico di carloc (carloc)
DirtEYblooog (dirtydeeds)
Di tutto... un po' (jordan20)
AK47 (lillo)
Esperienze elettroniche (marco438)
Telecomunicazioni musicali (clavicordo)
Automazione ed Elettronica (gustavo)
Direttive per la sicurezza (ErnestoCappelletti)
EYnfo dall'Alaska (mir)
Apriamo il quadro! (attilio)
H7-25 (asdf)
Passione Elettrica (massimob)
Elettroni a spasso (guidob)
Bloguerra (guerra)


