Cos'è ElectroYou | Login Iscriviti

ElectroYou - la comunità dei professionisti del mondo elettrico

Domande da esame

Elettronica lineare e digitale: didattica ed applicazioni

Moderatori: Foto Utentecarloc, Foto Utenteg.schgor, Foto UtenteBrunoValente, Foto UtenteIsidoroKZ

0
voti

[1] Domande da esame

Messaggioda Foto Utenteiorfus » 27 set 2011, 16:14

Salve a tutti.
Sono nuovo nel forum...scrivo per avere un aiuto su argomenti di elettronica che devo conoscere per il mio esame di dopodomani; studio Fisica.
Credo che sto andando bene, mi piace anche l'elettronica. Ci sono un paio di cose che non riesco a capire però.

Premetto che non sono sicuro sia la sezione giusta per questa domanda. Però ho poco tempo per esaminare il forum(lo studio incombe). Mi sono avvicinato tramite google, che mi ha indirizzato a un paio eccellenti risposte del Prof. Furgani.

La domanda è:
che significa dire che l'impedenza d'ingresso di un amplificatore(anche di uno che in realtà ha guadagno unitario) deve essere alta per stabilizzare il segnale :?:
Stabilizzare in che senso :?: Vi assicuro che non riesco a capirlo dal libro, che ho cercaato di sfruttare al massimo. :roll:
Per tale motivo alcuni amplificatori common collector si possono usare come stadi intermedi?

Grazie per le eventuali risposte.
Ciao
Avatar utente
Foto Utenteiorfus
10 2
 
Messaggi: 10
Iscritto il: 27 set 2011, 16:00

4
voti

[2] Re: Domande da esame

Messaggioda Foto UtenteDirtyDeeds » 27 set 2011, 22:22

Sul tuo libro c'è scritto veramente stabilizzare? Che libro è?

Se scrive così, sbaglia. L'impedenza di ingresso che deve avere idealmente un amplificatore dipende dal tipo di amplificatore che si vuole fare. Grossolanamente, gli amplificatori vengono divisi in quattro categorie:

- Amplificatori di tensione
- Amplificatori di corrente
- Amplificatori di transresistenza/transimpedenza
- Amplificatori di transconduttanza/transammettenza

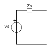
Per capire la differenza tra questi amplificatori, considera una generica sorgente di segnale che, sotto opportune ipotesi, possa essere rappresentata o con un circuito equivalente di Thévenin



oppure con un circuito equivalente di Norton



Allora:

- ad un amplificatore di tensione è richiesto di generare una tensione proporzionale alla tensione a vuoto V_\text{s}: V_\text{o} = A_vV_\text{s};
- ad un amplificatore di corrente è richiesto di generare una corrente proporzionale alla corrente di corto circuito I_\text{s}: I_\text{o} = A_iI_\text{s};
- ad un amplificatore di transconduttanza (transammettenza) è richiesto di generare una corrente proporzionale alla tensione a vuoto V_\text{s}: I_\text{o} = G_\text{m}V_\text{s} (I_\text{o} = Y_\text{m}V_\text{s});
- ad un amplificatore di transresistenza (transimpedenza) è richiesto di generare una tensione proporzionale alla corrente di corto circuito I_\text{s}: V_\text{o} = R_\text{m}I_\text{s} (V_\text{o} = Z_\text{m}I_\text{s}).

Come esempio, consideriamo l'amplificatore di tensione: la sua porta d'ingresso può essere modellata come un'impedenza d'ingresso Z_\text{i}; la sua porta d'uscita come un generatore pilotato A_vV_\text{i} con in serie l'impedenza d'uscita Z_\text{o}. Inoltre, immaginiamo che l'amplificatore sia connesso a un'impedenza di carico Z_\text{l}. Il circuito equivalente del collegamento è quello qua sotto:



Secondo te, quali condizioni devono soddisfare Z_\text{i} e Z_\text{o} perché:

i) la tensione di uscita dell'amplificatore sia indipendente da Z_\text{s}; e
ii) la tensione di uscita dell'amplificatore sia indipendente da Z_\text{l}?
It's a sin to write sin instead of \sin (Anonimo).
...'cos you know that cos ain't \cos, right?
You won't get a sexy tan if you write tan in lieu of \tan.
Take a log for a fireplace, but don't take log for \logarithm.
Avatar utente
Foto UtenteDirtyDeeds
55,9k 7 11 13
G.Master EY
G.Master EY
 
Messaggi: 7012
Iscritto il: 13 apr 2010, 16:13
Località: Somewhere in nowhere

1
voti

[3] Re: Domande da esame

Messaggioda Foto Utenteiorfus » 28 set 2011, 2:44

Grazie mille per la risposta. Veramente gentilissimo.

Purtroppo ti ho fatto perdere un po' di tempo, perché io mi riferivo solo agli amplificatori di tensione. Sono stato impreciso a causa dell'abitudine.

Sono felice di dirti che so rispondere alle tue domande e al perché :-), quindi ho capito almeno questo concetto fondamentale.
Ti ringrazio per il tempo e l'impegno profuso a formularle in maniera chiara e multimediale.

Ora, vorrei porti qualche altro quesito, sempre sugli amplificatori di tensione e in questi circuiti modellizzabili in maniera semplice; so che sono decisamente troppe, ma alcune sono solo richieste di conferma. Se pensi di poter evitare il disegno, così non perdi tempo, e vuoi spiegarlo a parole facendo prima, fai pure perché i disegni li tengo tutti a portata di mano.

1-Quindi l'importanza di Zi alta e Zo bassa è solo questa? Ho riletto, e il libro(Electronical Principles, Malvino) non parla di stabilizzazione. Però ho saputo che un mio collega ha risposto all' esame dicendo così(anche se non era convintissimo), quindi devo averlo attribuito al testo. Poteva forse riferirsi al fatto di proteggere il circuito ricevente il segnale da improvvise oscillazioni di quest'ultimo?

2-Perché per avere il massimo trasferimento in potenza la resistenza d'uscita(o di Thevenin) di uno stadio deve essere pari a quella d'ingresso del successivo? Si tratta di massimizzare la funzione R(i^2) con la condizione aggiuntiva che i=Vout/(Rin+Rout)? Proprio ora l'ho fatto e mi trovo, ma non vorrei che la ragione fosse un'altra.

3-Se uno stadio B è successivo a uno stadio A, il carico di A sarà l'impedenza d'ingresso di B?

4-Partendo da quanto chiesto nel punto 2, un amplificatore a bassa impedenza di uscita(seppur non amplifica in tensione) può essere utile quindi prima dello stadio finale, che di solito ha una bassa impedenza d'ingresso(es. altoparlante)?

5-Il guadagno a circuito aperto di un amplificatore operazionale si riferisce alla tensione che è presente in un punto del circuito in un punto posto PRIMA di un eventuale meccanismo retroattivo, cioè subito dopo la "punta" del dispositivo?

6-Amplificatori di corrente e di potenza sono la stessa cosa?

7-Se uno stadio è di buffer, significa che non agisce sul segnale, come se fosse uno stadio di passaggio che però apporta qualche vantaggio?

Un'ultima domanda, a cui penso da qualche giorno:
8-In riferimento agli amplificatori di tensione a transistor, common collector, common emitter...COSA SIGNIFICA questa frase del libro, e da cosa è motivata? :
"Quando la resistenza di carico è piccola confrontata alla resistenza di collettore, il guadagno in tensione di un common emitter diventa piccolo(fin qua ci sono) e l'amplificatore può andare in sovraccarico(è scritto: become overloaded). Uno dei modi di impedire ciò è usare un amplificatore common collector, o emitter follower. Questo tipo di amplificatore ha una grande impedenza d'ingresso(ho capito il perché) e può pilotare(drive) piccole resistenze di carico."

Ho dubbi sulla traduzione perché non ho mai sentito né letto in Italiano questi argomenti. Comunque, cosa s'intende per sovraccarico? Penso sia propedeutico a capire quella frase. Inoltre, ho l'impressione che padroneggiando le risposte alle domande precedenti potrei arrivare a capire l'ultima.

Scusa il tentativo di abusare della tua disponibilità, ma potrebbe essere l'esame più importante della mia vita fra quelli fatti finora, per cause circostanziali [-o< (in realtà ho velleità da fisico teorico, ma si sarà capito che non le ho da sperimentale)
Se potessi aiutarmi, anche in parte, mi sarebbe utilissimo. Ho chiesto al mio docente, ma non mi ha saputo rispondere all'ultima domanda sul momento, e aveva da fare; ciò mi ha lasciato senza risposta e mandato in confusione, creando altri dubbi.
Ciao e grazie :!: in ogni caso.
Avatar utente
Foto Utenteiorfus
10 2
 
Messaggi: 10
Iscritto il: 27 set 2011, 16:00

3
voti

[4] Re: Domande da esame

Messaggioda Foto UtenteDirtyDeeds » 28 set 2011, 9:23

iorfus ha scritto:Purtroppo ti ho fatto perdere un po' di tempo, perché io mi riferivo solo agli amplificatori di tensione.


Nessun tempo perso: avevo capito la tua domanda, ma ho allargato un po' il discorso perché potrebbe essere utile anche ad altri.

iorfus ha scritto:1-Quindi l'importanza di Zi alta e Zo bassa è solo questa?

Sì, proprio così. Per dirla in un altro modo, lo scopo è quello di ridurre l'errore di carico.

iorfus ha scritto:Poteva forse riferirsi al fatto di proteggere il circuito ricevente il segnale da improvvise oscillazioni di quest'ultimo?

No, non c'è nessun effetto di protezione. Per me la risposta del tuo collega è semplicemente sbagliata (in mancanza del suo pensiero).

iorfus ha scritto:2-Perché per avere il massimo trasferimento in potenza la resistenza d'uscita(o di Thevenin) di uno stadio deve essere pari a quella d'ingresso del successivo?


Per questa domanda ti rimando a questa lunga discussione sull'argomento, che è stato affrontato più volte nel forum. Qui voglio solo rimarcare che ciò che hai detto vale solo se la resistenza della sorgente è fissa, altrimenti il massimo trasferimento di potenza ce l'hai con una resistenza di sorgente nulla (vedi punto 4).

iorfus ha scritto:3-Se uno stadio B è successivo a uno stadio A, il carico di A sarà l'impedenza d'ingresso di B?


Sì.

iorfus ha scritto:4-Partendo da quanto chiesto nel punto 2, un amplificatore a bassa impedenza di uscita(seppur non amplifica in tensione) può essere utile quindi prima dello stadio finale, che di solito ha una bassa impedenza d'ingresso(es. altoparlante)?


Un altoparlante non è considerato uno stadio finale, ma un carico: lo stadio finale è quello che pilota l'altoparlante. Lo stadio finale ha una bassa resistenza di uscita, molto minore dei pochi ohm di un altoparlante, per avere la massima potenza sull'altoparlante, a parità di tensione di uscita.

Le altre risposte, appena ho tempo ;-)
It's a sin to write sin instead of \sin (Anonimo).
...'cos you know that cos ain't \cos, right?
You won't get a sexy tan if you write tan in lieu of \tan.
Take a log for a fireplace, but don't take log for \logarithm.
Avatar utente
Foto UtenteDirtyDeeds
55,9k 7 11 13
G.Master EY
G.Master EY
 
Messaggi: 7012
Iscritto il: 13 apr 2010, 16:13
Località: Somewhere in nowhere

0
voti

[5] Re: Domande da esame

Messaggioda Foto Utenteiorfus » 28 set 2011, 11:27

Grazie grazie...per ora tutto chiaro! :-)
Avatar utente
Foto Utenteiorfus
10 2
 
Messaggi: 10
Iscritto il: 27 set 2011, 16:00

2
voti

[6] Re: Domande da esame

Messaggioda Foto UtenteDirtyDeeds » 28 set 2011, 13:13

iorfus ha scritto:5-Il guadagno a circuito aperto di un amplificatore operazionale si riferisce alla tensione che è presente in un punto del circuito in un punto posto PRIMA di un eventuale meccanismo retroattivo, cioè subito dopo la "punta" del dispositivo?


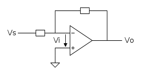
Questa domanda non mi è molto chiara: il guadagno ad anello aperto di un amplificatore operazionale è il rapporto tra la sua tensione di uscita e la sua tensione d'ingresso, cioè la tensione tra i due terminali invertente e non invertente. Per esempio, se guardi il circuito qua sotto (un semplice amplificatore invertente)



il guadagno ad anello aperto dell'opamp è

A_\text{OL} = \frac{V_\text{o}}{V_\text{i}}

iorfus ha scritto:6-Amplificatori di corrente e di potenza sono la stessa cosa?

Ni: un amplificatore di potenza è un amplificatore in cui la potenza erogata al carico è maggiore di quella assorbita dalla sorgente. Tutti gli amplificatori visti sopra possono essere di potenza ma, talvolta, le potenze di ingresso o di uscita potrebbero non essere significative (nel senso che potrebbero non essere parametri di interesse).

iorfus ha scritto:7-Se uno stadio è di buffer, significa che non agisce sul segnale, come se fosse uno stadio di passaggio che però apporta qualche vantaggio?


Un buffer, o inseguitore di tensione, è un amplificatore di tensione con amplificazione unitaria, cioè V_\text{o} = V_\text{i}. Il vantaggio che apporta, se ben progettato, è quello di avere un'impedenza di uscita molto più bassa dell'impedenza di sorgente.

iorfus ha scritto:8-In riferimento agli amplificatori di tensione a transistor, common collector, common emitter...COSA SIGNIFICA questa frase del libro


Riporta la frase originale, non tradotta, perché scritta così è opinabile in alcuni punti.

iorfus ha scritto:(in realtà ho velleità da fisico teorico, ma si sarà capito che non le ho da sperimentale)


Occhio che anche da fisico teorico è sempre bene avere i piedi ben piantati nella realtà, soprattutto cercando di rendersi conto di quali sono gli ordini di grandezza delle grandezze fisiche con cui uno ha a che fare ;-)
It's a sin to write sin instead of \sin (Anonimo).
...'cos you know that cos ain't \cos, right?
You won't get a sexy tan if you write tan in lieu of \tan.
Take a log for a fireplace, but don't take log for \logarithm.
Avatar utente
Foto UtenteDirtyDeeds
55,9k 7 11 13
G.Master EY
G.Master EY
 
Messaggi: 7012
Iscritto il: 13 apr 2010, 16:13
Località: Somewhere in nowhere

0
voti

[7] Re: Domande da esame

Messaggioda Foto Utenteiorfus » 28 set 2011, 14:02

Sì, infatti poi quando studio cose non teoriche mi applico sempre. Inoltre, so già che la Fisica Teorica è molto legata agli esperimenti(anche se magari non ne farò più io, casomai diventassi un fisico compiuto).

Allora...sul buffer mi torna. Anche sull'amplificatore di potenza.

Riguardo al guadagno a circuito aperto, il mio libro dice che è enorme per un amplificatore operazionale(infinito nel caso ideale). Invece, se c'è un feedback (come nel caso dell'amplificatore invertente che hai messo), si parla di guadagno a circuito chiuso, pari a -Rf/R(di sicuro intenderai i simboli).
Mi chiedevo, quindi, se in un punto del filo tra la punta del simbolo di amplificatore e il collegamento alla resistenza di feedback, la tensione è pari a Vin*Aol.

La frase originale è : "When the load resistance is small compared to the collector resistance, the voltage gain of a CE stage becomes small and the amplifier may become overloaded. One way to prevent overloading is to use a common-collector(CC) amplifier or emitter follower. This type of amplifier has a large input impedance and can drive samll load reistances".

Ma tu cosa sei? Un'ingegnere, un fisico, un vichingo, uno sciamano? :-)
Ciao, grazie ancora(le domande si stanno assottigliando, e anche i dubbi).
Avatar utente
Foto Utenteiorfus
10 2
 
Messaggi: 10
Iscritto il: 27 set 2011, 16:00

1
voti

[8] Re: Domande da esame

Messaggioda Foto UtenteDirtyDeeds » 28 set 2011, 14:37

iorfus ha scritto:Riguardo al guadagno a circuito aperto, il mio libro dice che è enorme per un amplificatore operazionale(infinito nel caso ideale).


Sì, il guadagno ad anello aperto in continua per gli opamp più comuni è compreso tra circa 10^4 e qualche 10^6.

iorfus ha scritto:Mi chiedevo, quindi, se in un punto del filo tra la punta del simbolo di amplificatore e il collegamento alla resistenza di feedback, la tensione è pari a Vin*Aol.


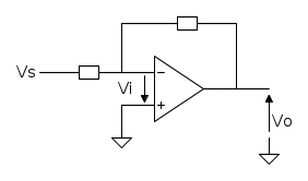
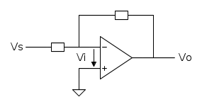
Piuttosto che queste descrizioni nebulose, usa FidocadJ per modificare il disegno che ti ho fatto e indicare chiaramente a quale tensione ti stai riferendo (e usa LaTeX per le formule, ché tanto se vuoi fare il fisico teorico di toccherà impararlo ;-) ). Nel circuito dell'amplificatore invertente, che riporto qui sotto, la tensione di uscita V_\text{o}, misurata rispetto al riferimento (denotato con il triangolino), è proprio uguale a A_\text{OL}V_\text{i}.



iorfus ha scritto:La frase originale è : "When the load resistance is small compared to the collector resistance, the voltage gain of a CE stage becomes small


Questo è OK

iorfus ha scritto:and the amplifier may become overloaded. One way to prevent overloading is to use a common-collector(CC) amplifier or emitter follower.


Questo dipende da cosa intende l'autore per overloaded: per me una condizione di sovraccarico è una condizione che potenzialmente può danneggiare il dispositivo, e con tale interpretazione un amplificatore CC non può prevenire il sovraccarico (però permette di pilotare il carico con una bassa impedenza). Qui mi dichiaro incompetente e giro la domanda a qualcun altro (uno a caso, per dire, Foto UtenteIsidoroKZ ;-) ).

iorfus ha scritto:Ma tu cosa sei? Un'ingegnere, un fisico, un vichingo, uno sciamano? :-)


Più che altro, uno sciamannato :mrgreen:
It's a sin to write sin instead of \sin (Anonimo).
...'cos you know that cos ain't \cos, right?
You won't get a sexy tan if you write tan in lieu of \tan.
Take a log for a fireplace, but don't take log for \logarithm.
Avatar utente
Foto UtenteDirtyDeeds
55,9k 7 11 13
G.Master EY
G.Master EY
 
Messaggi: 7012
Iscritto il: 13 apr 2010, 16:13
Località: Somewhere in nowhere

0
voti

[9] Re: Domande da esame

Messaggioda Foto Utenteiorfus » 28 set 2011, 15:46

Caspita...quella del guadagno a circuito aperto è una bella discrepanza col libro.
Il libro dice che la tensione che hai detto tu è pari a alla tensione d'ingresso per il guadagno a circuito chiuso, che è dato dal rapporto tra le due resistenze cambiato di segno(con quella di feedback al numeratore), per la configurazione invertente. Non ho capito niente?


Comunque l'altra domanda non fa niente a questo punto, dato che nemmeno il mio docente ha capito che significa la frase. Poteva servirmi per fare bella figura domani all'esame, però vabbè.
Un altro indizio è la seguente frase, trovata dopo:
"The step-up in impedance is the major advantage of an emitter follower. Small load resistences that would overload a CE amplifier can be used with an emitter follower because it steps up the impedance and prevents overloading".
Purtroppo ho cercato indietro e nell'indice analitico, ma pare voglia definire cos'è l'overloading precisamente :(

Imparerei volentieri ad usare i programmi che dici per rendere più chiare le mie domande, però meglio non ora. Avendo l'esame domani, tra un post e l'altro per togliermi questi dubbi, sto rivedendo anche tutto il resto #-o Comunque il LaTex lo imparerò per la mia tesi in Fisica Teorica.
Ciao, grazie ancora. Se sono stato incomprensibile, puoi anche lasciar stare: mi hai già aiutato un sacco.
Avatar utente
Foto Utenteiorfus
10 2
 
Messaggi: 10
Iscritto il: 27 set 2011, 16:00

1
voti

[10] Re: Domande da esame

Messaggioda Foto UtenteDirtyDeeds » 28 set 2011, 16:14

iorfus ha scritto:Caspita...quella del guadagno a circuito aperto è una bella discrepanza col libro.


Secondo me non c'è nessuna discrepanza, probabilmente devi solo guardare meglio che cosa denotano i vari simboli, potrebbe essere che ciò che io indico con V_\text{i} nel libro sia indicata con un altro simbolo e la V_\text{i} del libro sia ciò che in [8] ho indicato con V_\text{s}.

iorfus ha scritto:Anche se, in base alle cose che mi hai spiegato, io ho una mia idea: dato che per avere un'impedenza d'ingresso bassa con l'amplificatore a emettitore comune ci vuole una resistenza di collettore piccola


Uh?! Direi che la tua idea è sbagliata: l'impedenza d'ingresso di un amplificatore a emettitore comune è quasi indipendente dalla resistenza di carico. Ciò che dipende (quasi linearmente) dalla resistenza di carico è il guadagno dell'amplificatore a emettitore comune: per valori della resistenza di carico molto minori di quella di collettore si ha A_v\approx g_\text{m}R_\text{l}, dove g_\text{m} è la transconduttanza del transistor. Quando la resistenza di carico diminuisce, diminuisce anche il guadagno. L'inseguitore di emettitore si usa perché ha un'impedenza di uscita bassa e quindi un guadagno praticamente indipendente dalla resistenza di carico. Ma anche l'inseguitore di emettitore può danneggiarsi se il carico diventa troppo piccolo. Per evitare i danneggiamenti si mettono dei circuiti di protezione, tipicamente non basta mettere un collettore comune al posto di un emettitore comune.
It's a sin to write sin instead of \sin (Anonimo).
...'cos you know that cos ain't \cos, right?
You won't get a sexy tan if you write tan in lieu of \tan.
Take a log for a fireplace, but don't take log for \logarithm.
Avatar utente
Foto UtenteDirtyDeeds
55,9k 7 11 13
G.Master EY
G.Master EY
 
Messaggi: 7012
Iscritto il: 13 apr 2010, 16:13
Località: Somewhere in nowhere

Prossimo

Torna a Elettronica generale

Chi c’è in linea

Visitano il forum: Nessuno e 178 ospiti