vediamo se si riesce a fare qualcosa di costruttivo....
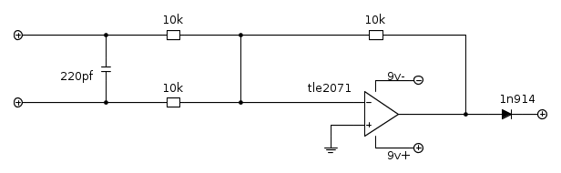
dato un segnale stereo esempio uscita di un lettore CD come faccio ad unire i due canali per mandarli in un vu-meter mono?
ovviamente il segnale del lettore deve essere collegato comunque in un aplificatore quindi deve rimanere pressoche invariato.
è il caso di utilizzare un sommatore con un operazionale?
è sufficente una resistenza su ogni ramo?
grazie per l'aiuto!
da segnale stereo a vu-meter mono
Moderatore:
IsidoroKZ
30 messaggi
• Pagina 1 di 3 • 1, 2, 3
0
voti
0
voti
gohan ha scritto:FidoCad, questo sconosciuto..
Non è sconosciuto, solo che ho speso dei soldi per avere un cad 1 milione di volte
più avanzato, ed utilizzare Fidocad mi sembra di tornare ai tempi della pietra,
comunque eccoti servito.
0
voti
[user]XStreme[/user], l'uso di FidoCadJ sul forum di EY è richiesto proprio considerata la sua semplicità ed essenzialità che lo pone alla portata di tutti gli utenti, anche i meno esperti.
Oltretutto non mi pare siano molti i forum di elettronica con un CAE integrato che consente a tutti gli utenti di apportare modifiche ad un medesimo schema in modo estremamente rapido.
Oltretutto non mi pare siano molti i forum di elettronica con un CAE integrato che consente a tutti gli utenti di apportare modifiche ad un medesimo schema in modo estremamente rapido.
-1
voti
alev ha scritto: che consente a tutti gli utenti di apportare modifiche
Le regole vanno rispettate, ma devono rispettarle tutti, quindi ho aggiunto
lo schema FidoCad; aggiungo che recentemente ho visto un individuo
chiudere thread senza nemmeno essere moderatore delle sezione,
e per motivi assolutamente infantili, retrogradi e altezzosi,
ripeto, le regole vanno rispettate, ma devono rispettarle tutti,
altrimenti fare moralisimi ed essere puntigliosi è solo questione
di restrizioni mentali inadeguate allo spirito di un forum sano.
PS
di schemi ripresi da altri utenti per modificare il progetto fatto con FidoCAD,
personalmente ne ho visti assai ben pochi comunque.
PSPS

0
voti
XStreme ha scritto:Le regole vanno rispettate, ma devono rispettarle tutti
Non è solo questione di regole di "convivenza civile" bensì di condivisione di contenuti e modificabilità ossia a vantaggio anche dell'utente che inserisce lo schema.
Personalmente, quando assisto ad episodi in cui l'utente inserisce uno schema (fatto da lui) senza usare FidoCadJ, faccio le seguenti deduzioni:
1. l'utente pensa che il suo schema non necessiti di modifiche circuitali
2. l'utente pensa che gli altri utenti siano in possesso di strumenti sofisticatissimi per modificare lo schema oppure all'utente non importa nulla di agevolare il compito a chi lo deve aiutare.
Alla fine, comunque, vedi un po' tu
0
voti
alev ha scritto:
Io non ho inserito nessuno schema di partenza, ho suggerito uno schema, se poi l'utente
è interessato lo porta in Fido Cad, oltretutto sono tre resistenze , un condensatore,
un diodo ed un integrato, non ci stà storia..... ALE.
30 messaggi
• Pagina 1 di 3 • 1, 2, 3
Torna a Elettronica e spettacolo
Chi c’è in linea
Visitano il forum: Nessuno e 6 ospiti

Elettrotecnica e non solo (admin)
Un gatto tra gli elettroni (IsidoroKZ)
Esperienza e simulazioni (g.schgor)
Moleskine di un idraulico (RenzoDF)
Il Blog di ElectroYou (webmaster)
Idee microcontrollate (TardoFreak)
PICcoli grandi PICMicro (Paolino)
Il blog elettrico di carloc (carloc)
DirtEYblooog (dirtydeeds)
Di tutto... un po' (jordan20)
AK47 (lillo)
Esperienze elettroniche (marco438)
Telecomunicazioni musicali (clavicordo)
Automazione ed Elettronica (gustavo)
Direttive per la sicurezza (ErnestoCappelletti)
EYnfo dall'Alaska (mir)
Apriamo il quadro! (attilio)
H7-25 (asdf)
Passione Elettrica (massimob)
Elettroni a spasso (guidob)
Bloguerra (guerra)





