filtro passa basso
Moderatore:
IsidoroKZ
14 messaggi
• Pagina 1 di 2 • 1, 2
0
voti
forse è un eresia quella che ho messa su ma ho preso spunto da un qualcosa di simile trovato in rete
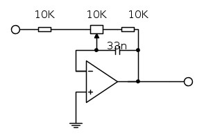
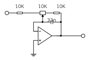
fin quanto il pot è messo al centro quindi 5K abbiamo un filtro passa basso che taglia sui 300hertz ma se lo ruoto credo che variando le resistenze varia anche la frequenza di taglio oltre al guadagno che ne dite?
fin quanto il pot è messo al centro quindi 5K abbiamo un filtro passa basso che taglia sui 300hertz ma se lo ruoto credo che variando le resistenze varia anche la frequenza di taglio oltre al guadagno che ne dite?
0
voti
ma forse facendo cosi non mi varia la frequenza di taglio del filtro
xxxn sarebbe il valore del condensatore che non ho calcolato anche perche non riesco a capire come farlo
xxxn sarebbe il valore del condensatore che non ho calcolato anche perche non riesco a capire come farlo
0
voti
per un passa basso primo ordine io metterei la R e la C della retroazione fisse che ti determinano il polo, poi la resistenza di ingresso un trimmer e quindi il rapporto Rf Ri può variare senza modificare il polo
chiaramente poi in realtà in serie al potenziometro metti una resistenza che ti blocca il valore minimo della Ri e di conseguenza il guadagno massimo dello stadio
edit: aggiungo che essendo roba per audio non so se questa soluzione può dare problemi riguardo la fase o altre cose ma non direi più di quanti possa introdurne un normale passa basso RC passivo
chiaramente poi in realtà in serie al potenziometro metti una resistenza che ti blocca il valore minimo della Ri e di conseguenza il guadagno massimo dello stadio
edit: aggiungo che essendo roba per audio non so se questa soluzione può dare problemi riguardo la fase o altre cose ma non direi più di quanti possa introdurne un normale passa basso RC passivo
0
voti
grazie anche se non riesco molto a segiurti perche dai dei nomi ai componenti e non so a quale effettivamente ti riferisci uno schemino forse sarebbe di aiuto
0
voti
Passabasso del primo ordine:
Dove la frequenza di taglio dipende da RC (costante di tempo formata) come in un normale filtro passabasso passivo, se ti serve del secondo ordine prova usa un SallenKey, con i filtri attivi di secondo ordine SallenKey non si può guadagnare più di 3 per la stabilità., se ti basta ad un polo solo puoi andare a modificare l'amplificatore (che è non invertente a differenza del tuo). Per variare "on-line" la frequena è un po' più complicatina la faccenda, ma esistono configurazioni di filtri apposite e con dovuti accorgimenti si può fare... i realtà anche questo che ho detto io è davvero molto molto molto in sintesi, sevuoi appronfondire cerca tra gli articoli di IsidoroKZ, ne ha fatti un paio mi sembra in merito ai filtri attivi.
Luca.
Dove la frequenza di taglio dipende da RC (costante di tempo formata) come in un normale filtro passabasso passivo, se ti serve del secondo ordine prova usa un SallenKey, con i filtri attivi di secondo ordine SallenKey non si può guadagnare più di 3 per la stabilità., se ti basta ad un polo solo puoi andare a modificare l'amplificatore (che è non invertente a differenza del tuo). Per variare "on-line" la frequena è un po' più complicatina la faccenda, ma esistono configurazioni di filtri apposite e con dovuti accorgimenti si può fare... i realtà anche questo che ho detto io è davvero molto molto molto in sintesi, sevuoi appronfondire cerca tra gli articoli di IsidoroKZ, ne ha fatti un paio mi sembra in merito ai filtri attivi.
Luca.0
voti
Beppe82 ha scritto:per un passa basso primo ordine io metterei la R e la C della retroazione fisse che ti determinano il polo, poi la resistenza di ingresso un trimmer e quindi il rapporto Rf Ri può variare senza modificare il polo
chiaramente poi in realtà in serie al potenziometro metti una resistenza che ti blocca il valore minimo della Ri e di conseguenza il guadagno massimo dello stadio
edit: aggiungo che essendo roba per audio non so se questa soluzione può dare problemi riguardo la fase o altre cose ma non direi più di quanti possa introdurne un normale passa basso RC passivo
forse intendevi una cosa del genere
0
voti
belva87 ha scritto:Passabasso del primo ordine:
Dove la frequenza di taglio dipende da RC (costante di tempo formata) come in un normale filtro passabasso passivo, se ti serve del secondo ordine prova usa un SallenKey, con i filtri attivi di secondo ordine SallenKey non si può guadagnare più di 3 per la stabilità., se ti basta ad un polo solo puoi andare a modificare l'amplificatore (che è non invertente a differenza del tuo). Per variare "on-line" la frequena è un po' più complicatina la faccenda, ma esistono configurazioni di filtri apposite e con dovuti accorgimenti si può fare... i realtà anche questo che ho detto io è davvero molto molto molto in sintesi, sevuoi appronfondire cerca tra gli articoli di IsidoroKZ, ne ha fatti un paio mi sembra in merito ai filtri attivi.
Luca.
grazie per l'intervento
sinceramente non so se è sufficente un polo solo secondo voi? l'applicazione è sempre per un controllo toni.
a variare deve essere il volume dello stesso ma ricordo il problema del pot messo all'uscita che dovrebbe essere logaritmico e non ne trovo come mi servono. quindi ho deciso di far variare il guadagno del opamp
0
voti
Mamma mia che roba bruttaa, ma per capire.. da dove li peschi questi schemi?
Spero non da libri o similari, tantomeno google (anche se di ca.... ce ne stanno èh).
Un filtro passabasso del primo ordine è come ti ho indicato al post prima, ne piu ne meno... del secondo ordine una possibile scelta è un filtro Sallen Key ne piu ne meno.. per completezza dell'intervento lo riporto:
La cui frequenza di corner vale 1/6.28*[sqrt(R1*R2*C1*C2)]
Luca
PS: per gli schemi, spero vivamente che li proponi tu di tua farina, perché almeno ci si può lavorare sopra, se hai buona volontà ecc... se invece li prendi da qualche parte.... beh che dire, non so che dire...
EDIT: quello postato da te è "+ o -" un integratore....
Spero non da libri o similari, tantomeno google (anche se di ca.... ce ne stanno èh).
Un filtro passabasso del primo ordine è come ti ho indicato al post prima, ne piu ne meno... del secondo ordine una possibile scelta è un filtro Sallen Key ne piu ne meno.. per completezza dell'intervento lo riporto:
La cui frequenza di corner vale 1/6.28*[sqrt(R1*R2*C1*C2)]
LucaPS: per gli schemi, spero vivamente che li proponi tu di tua farina, perché almeno ci si può lavorare sopra, se hai buona volontà ecc... se invece li prendi da qualche parte.... beh che dire, non so che dire...
EDIT: quello postato da te è "+ o -" un integratore....
0
voti
il problema qui non è molto capire come è fatto un filtro ma come renderlo variabile in guadagno... la frequenza di taglio deve essere fissa sui 300hertz
i miei schemi per lo + strani sono scaturiti dal tentativo di rendere il guadagno del filtro variabile da 0db a -40db
i miei schemi per lo + strani sono scaturiti dal tentativo di rendere il guadagno del filtro variabile da 0db a -40db
1
voti
Dire 0dB in guadagno significa "UNO"... parlare di valori negativi in dB, significa attenuare il segnale e non amplificare.
Un filtro attivo, come ti ho già detto... può guadagnare da 0dB
fino diciamo a +3dB ( che vuol dire raddoppiare la potenza del segnale...), ovviamente i valori inferiori a 0dB non li consideriamo degni del termine "guadagno"
ma sono ovviamente ammessi dai filtri attivi, ma come ogni altro filtro... l'attenuazione è intrinseca a se stesso
"intrinseca a se stesso si dice?
In ogni caso... se vuoi fare un filtro a frequenza di taglio fissa e guadagno variabilie.... io fare un filtro fisso, e guadagno fisso.... tanto per dirne una
... 0dB... e poi uno stadio amplificatore.... il perché? beh se ti sei letto gli articoli del buon IsidoroKZ... ne parliamo, io riassumo in una parola: STABILITA
EDIT: l'idea di fare un filtro e operare sul guadagno dell'operazionale per quello che vuoi fare è corretta, e l'uso di potenziometri lineari va bene.
EDIT2: il numero dei poli dipende da che pendenza desideri del filtro, quanto è selettivo diciamo... anche se non è il termine corretto per dirlo, se non hai capito cosa intendo dire fai un fischio e provo a essere piu preciso.
Luca
Un filtro attivo, come ti ho già detto... può guadagnare da 0dB
In ogni caso... se vuoi fare un filtro a frequenza di taglio fissa e guadagno variabilie.... io fare un filtro fisso, e guadagno fisso.... tanto per dirne una
EDIT: l'idea di fare un filtro e operare sul guadagno dell'operazionale per quello che vuoi fare è corretta, e l'uso di potenziometri lineari va bene.
EDIT2: il numero dei poli dipende da che pendenza desideri del filtro, quanto è selettivo diciamo... anche se non è il termine corretto per dirlo, se non hai capito cosa intendo dire fai un fischio e provo a essere piu preciso.
Luca
14 messaggi
• Pagina 1 di 2 • 1, 2
Torna a Elettronica e spettacolo
Chi c’è in linea
Visitano il forum: Nessuno e 23 ospiti

Elettrotecnica e non solo (admin)
Un gatto tra gli elettroni (IsidoroKZ)
Esperienza e simulazioni (g.schgor)
Moleskine di un idraulico (RenzoDF)
Il Blog di ElectroYou (webmaster)
Idee microcontrollate (TardoFreak)
PICcoli grandi PICMicro (Paolino)
Il blog elettrico di carloc (carloc)
DirtEYblooog (dirtydeeds)
Di tutto... un po' (jordan20)
AK47 (lillo)
Esperienze elettroniche (marco438)
Telecomunicazioni musicali (clavicordo)
Automazione ed Elettronica (gustavo)
Direttive per la sicurezza (ErnestoCappelletti)
EYnfo dall'Alaska (mir)
Apriamo il quadro! (attilio)
H7-25 (asdf)
Passione Elettrica (massimob)
Elettroni a spasso (guidob)
Bloguerra (guerra)







