Salve, vorrei realizzare un circuito elettronico per il comando di 6 lampade alogene 12v.
Premessa:
ogni lampada ha un trasformatorini 230---12v
Situazione in questo momento:
Ho due interruttori che comandano 1 due trasformatori e il 2 4 trasformatori.
Situazione che vorrei realizzare:
Con la pressione di un pulsante vorrei accendere le sei lampada:
1 inpulso 1 lampada
2 impulsi 2 lampade
3 impulsi 3 lampada
ecc
per spegnere tenere premuto per tot secondi il pulsante.
Non vorrei accenderele tutte per poterle spegnere.
Secondo voi, si potrebbe fare con un PIC?? e tot e rele?'
Come faccio a gestire la seguente condizione:
ne ho gia accese 2 voglio accenderne altre??
grazie a chi mi da qualche idea
Comando lampade alogene 12v
Moderatori:
g.schgor,
IsidoroKZ
22 messaggi
• Pagina 1 di 3 • 1, 2, 3
0
voti
Un PIC mi sembra sprecato.E' sufficiente un
CMOS 4015, come spiegato in questo articolo.
Ovviamente al posto dei LED servono relè che
commutino l'alimentazione delle singole lampade.
Per lo spegnimento, basta comparare l'impulso
del tasto con un ritardo.
CMOS 4015, come spiegato in questo articolo.
Ovviamente al posto dei LED servono relè che
commutino l'alimentazione delle singole lampade.
Per lo spegnimento, basta comparare l'impulso
del tasto con un ritardo.
0
voti
grazie mille!! OTTIMO!!
Per quanto riguarda i rele!!
L'integrato riesce a comandare il rele??
o devo accoppiare l'uscita con dei transistor NPN??
saresti cosi gentile da spiegarmi come fare lo spegnimento con l'impulso prolungato??
comparando le tensioni?'
grazie mille
Per quanto riguarda i rele!!
L'integrato riesce a comandare il rele??
o devo accoppiare l'uscita con dei transistor NPN??
saresti cosi gentile da spiegarmi come fare lo spegnimento con l'impulso prolungato??
comparando le tensioni?'
grazie mille
-

battiesguscia
5 4 - Frequentatore

- Messaggi: 103
- Iscritto il: 14 ott 2011, 9:45
0
voti
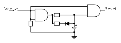
Dipende dal relè, ma visto che devono essere adatti
ad una certa corrente (per le alogene), meglio prevedere
il comando a transistor (con diodo in antiparallelo alla bobina)
Circa il ritardo per il Reset (spegnimento lampade), l'idea
potrebbe essere questa:
Dimensionando opportunamente resistenze e condensatore.
ad una certa corrente (per le alogene), meglio prevedere
il comando a transistor (con diodo in antiparallelo alla bobina)
Circa il ritardo per il Reset (spegnimento lampade), l'idea
potrebbe essere questa:
Dimensionando opportunamente resistenze e condensatore.
0
voti
per via dello spegnimento??
lm2903??
come la faccio la comparazione?'
lm2903??
come la faccio la comparazione?'
-

battiesguscia
5 4 - Frequentatore

- Messaggi: 103
- Iscritto il: 14 ott 2011, 9:45
0
voti
Grazie mille!!
Io pero sono un elettrotecnico, e non un elettronico...
Mi piace molto l'elettronica, ma ho poche basi!!
Non saprei assolutamente dimensionare condensatori/resistenze!!
So solo dimensionare interruttori cavi e canalizzazioni industriali!!
come si fa??
Io pero sono un elettrotecnico, e non un elettronico...
Mi piace molto l'elettronica, ma ho poche basi!!
Non saprei assolutamente dimensionare condensatori/resistenze!!
So solo dimensionare interruttori cavi e canalizzazioni industriali!!
come si fa??
-

battiesguscia
5 4 - Frequentatore

- Messaggi: 103
- Iscritto il: 14 ott 2011, 9:45
0
voti
comunque quel contatto dopo Vcc e lo stesso per l'accensione..giusto??, quindi prima della comparazione mi dovro sdoppiare per fare il set sul cmos!! giusto?'
-

battiesguscia
5 4 - Frequentatore

- Messaggi: 103
- Iscritto il: 14 ott 2011, 9:45
0
voti
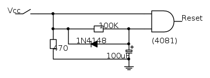
Per ritardi dell'ordine di qualche decina di secondo,
dovrebbe essere sufficiente questo:
Il Reset avviene se la chiusura del pulsante dura
più di mezzo secondo.
dovrebbe essere sufficiente questo:
Il Reset avviene se la chiusura del pulsante dura
più di mezzo secondo.
0
voti
Mi puo spiegare come ha fatto a fare i calcoli delle resistenze e del condensatore??
mi piacerebbe essere in grado di farlo anchio!!
mi piacerebbe essere in grado di farlo anchio!!
-

battiesguscia
5 4 - Frequentatore

- Messaggi: 103
- Iscritto il: 14 ott 2011, 9:45
22 messaggi
• Pagina 1 di 3 • 1, 2, 3
Torna a Elettrotecnica generale
Chi c’è in linea
Visitano il forum: Nessuno e 14 ospiti

Elettrotecnica e non solo (admin)
Un gatto tra gli elettroni (IsidoroKZ)
Esperienza e simulazioni (g.schgor)
Moleskine di un idraulico (RenzoDF)
Il Blog di ElectroYou (webmaster)
Idee microcontrollate (TardoFreak)
PICcoli grandi PICMicro (Paolino)
Il blog elettrico di carloc (carloc)
DirtEYblooog (dirtydeeds)
Di tutto... un po' (jordan20)
AK47 (lillo)
Esperienze elettroniche (marco438)
Telecomunicazioni musicali (clavicordo)
Automazione ed Elettronica (gustavo)
Direttive per la sicurezza (ErnestoCappelletti)
EYnfo dall'Alaska (mir)
Apriamo il quadro! (attilio)
H7-25 (asdf)
Passione Elettrica (massimob)
Elettroni a spasso (guidob)
Bloguerra (guerra)


