Ciao a tutti!
Ho bisogno di realizzare un semplice circuito da collegare ad una batteria da 12V, che accenda un led quando la tensione di quest'ultima scende sotto circa 11,5V.
Ovviamente tale circuito dovrà rimanere collegato anche durante la carica della batteria, quindi dovrei evitare che si bruciasse.
Quale schema mi consigliate?
indicatore a led di batteria scarica
Moderatori:
carloc,
g.schgor,
BrunoValente,
IsidoroKZ
13 messaggi
• Pagina 1 di 2 • 1, 2
0
voti
Ti serve un riferimento di tensione preciso, un comparatore e un po' di resistenze. Il valore delle resistenze e la scelta del comparatore dipende dalla batteria, se e` a capacita` elevata si possono scegliere componenti normali, se invece la batteria e` piccola, meglio usare componenti micropower, che non scarichino la batteria mentre la monitorano.
Per usare proficuamente un simulatore, bisogna sapere molta più elettronica di lui
Plug it in - it works better!
Il 555 sta all'elettronica come Arduino all'informatica! (entrambi loro malgrado)
Se volete risposte rispondete a tutte le mie domande
Plug it in - it works better!
Il 555 sta all'elettronica come Arduino all'informatica! (entrambi loro malgrado)
Se volete risposte rispondete a tutte le mie domande
0
voti
Giusto giustissimo, dopo questi consigli sapresti fare uno schema??
Perdonate se mi intrometto, vorrei domandare se con il metodo soglie e comparatore (con isteresi) è possibile realizzare un semplicissimissimo regolatore di carica per una batteria al piombo alimentata da un pannello fotovoltaico...
Spiego meglio l'idea, devo realizzare per terzi un lampeggiatore stradale a led e con pannello fotovoltaico... sto progettando una scheda elettronica davvero semplicissima (deve costare poco, pochissimo) con un 555 e un mosfet e una manciata di resistenze, ora senza comprare il regolatore di carica, volevo integrarlo nella board che sto sviluppando (che finora contiene i led e il circuito di lampeggio)... la mia idea è quella di usare un comparatore che mi inserisca o disinserisca il pannello fotovoltaico alla batteria a seconda delle soglie regolate, che so a 14 v si scollega, e a 11 si collega...
Non vorrei risultare troppo OT... la risposta mia basta anche si o no, poi semai vedo di aprire un topic nuovo.
Perdonate se mi intrometto, vorrei domandare se con il metodo soglie e comparatore (con isteresi) è possibile realizzare un semplicissimissimo regolatore di carica per una batteria al piombo alimentata da un pannello fotovoltaico...
Spiego meglio l'idea, devo realizzare per terzi un lampeggiatore stradale a led e con pannello fotovoltaico... sto progettando una scheda elettronica davvero semplicissima (deve costare poco, pochissimo) con un 555 e un mosfet e una manciata di resistenze, ora senza comprare il regolatore di carica, volevo integrarlo nella board che sto sviluppando (che finora contiene i led e il circuito di lampeggio)... la mia idea è quella di usare un comparatore che mi inserisca o disinserisca il pannello fotovoltaico alla batteria a seconda delle soglie regolate, che so a 14 v si scollega, e a 11 si collega...
Non vorrei risultare troppo OT... la risposta mia basta anche si o no, poi semai vedo di aprire un topic nuovo.
0
voti
IsidoroKZ ha scritto:Ti serve un riferimento di tensione preciso, un comparatore e un po' di resistenze. Il valore delle resistenze e la scelta del comparatore dipende dalla batteria, se e` a capacita` elevata si possono scegliere componenti normali, se invece la batteria e` piccola, meglio usare componenti micropower, che non scarichino la batteria mentre la monitorano.
Dunque, la batteria è a elevata capacità (non minore di 20Ah) quindi penso dovrebbero andare bene anche componenti normali...però non ho capito cosa intendi per "comparatore" (non sono così esperto...), a me basta un semplicissimo schema per realizzare questa cosa.
0
voti
Se vuoi lo facciamo insieme lo schema, avrai più soddisfazione alla fine
Però prima dicci cosa sai e cosa non sai dell'elettronica e elettrotecnica... così miriamo bene le risposte e tutto il resto.
Però prima dicci cosa sai e cosa non sai dell'elettronica e elettrotecnica... così miriamo bene le risposte e tutto il resto.
0
voti
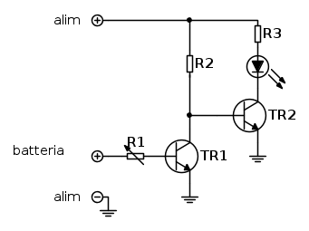
Per me va bene, so come utilizzare i componenti elettronici (tranne i transistor diversi da npn o pnp) e qualche porta logica (and, or, not, nand, e nor). Un'idea sull'impostazione dello schema mi è venuta, però non so se può essere delle migliori:
in pratica il circuito è alimentato a 12V da un alimentazione esterna. All'entrata della base del primo transistor è posta una resistenza variabile in modo da poter programmare la soglia di accensione, a cui sarà collegato il polo positivo della batteria. Quello negativo è collegato a massa insieme a quello di alimentazione esterna.
Potrebbe funzionare?
in pratica il circuito è alimentato a 12V da un alimentazione esterna. All'entrata della base del primo transistor è posta una resistenza variabile in modo da poter programmare la soglia di accensione, a cui sarà collegato il polo positivo della batteria. Quello negativo è collegato a massa insieme a quello di alimentazione esterna.
Potrebbe funzionare?
0
voti
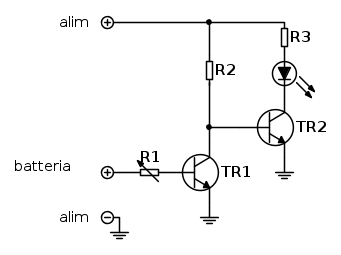
Scusate...ecco lo schema con aggiunta la resistenza in serie al led:
secondo voi funzionerà?
secondo voi funzionerà?
0
voti
No, non funziona perche' dipende dal beta di un transistore. Serve un riferimento di tensione, un comparatore e un po' di resistenze.
Per usare proficuamente un simulatore, bisogna sapere molta più elettronica di lui
Plug it in - it works better!
Il 555 sta all'elettronica come Arduino all'informatica! (entrambi loro malgrado)
Se volete risposte rispondete a tutte le mie domande
Plug it in - it works better!
Il 555 sta all'elettronica come Arduino all'informatica! (entrambi loro malgrado)
Se volete risposte rispondete a tutte le mie domande
13 messaggi
• Pagina 1 di 2 • 1, 2
Chi c’è in linea
Visitano il forum: Nessuno e 56 ospiti

Elettrotecnica e non solo (admin)
Un gatto tra gli elettroni (IsidoroKZ)
Esperienza e simulazioni (g.schgor)
Moleskine di un idraulico (RenzoDF)
Il Blog di ElectroYou (webmaster)
Idee microcontrollate (TardoFreak)
PICcoli grandi PICMicro (Paolino)
Il blog elettrico di carloc (carloc)
DirtEYblooog (dirtydeeds)
Di tutto... un po' (jordan20)
AK47 (lillo)
Esperienze elettroniche (marco438)
Telecomunicazioni musicali (clavicordo)
Automazione ed Elettronica (gustavo)
Direttive per la sicurezza (ErnestoCappelletti)
EYnfo dall'Alaska (mir)
Apriamo il quadro! (attilio)
H7-25 (asdf)
Passione Elettrica (massimob)
Elettroni a spasso (guidob)
Bloguerra (guerra)






