da
pinowski » 18 ott 2011, 17:47
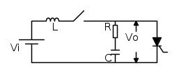
Intanto potresti provare a proteggere il contatto, poi eventualmente un varistore sull'avvolgimento, personalmente evito di usare condensatori od altri dispositivi soppressori in parallelo agli avvolgimenti di relè alimentati in corrente continua e questo per evitare di avere ritardi alla caduta, anche il classico diodo che si usa per proteggere i transistor che li pilotano influiscono su questo ritardo, bisogna dire che questo è molto più pronunciato sugli avvolgimenti che hanno un'induttanza elevata e che lavorano con correnti
mooolto inferiori al tuo caso.
Oggi nessuno fa più caso a questi particolari a meno di realizzare dei circuiti che pilotano dei relè che devono rispettare una determinata sequenza in tempi relativamente stretti.
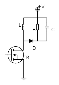
Purtroppo non l'ho ancora provato..prima di comprare un dispositivo di quelli che mi hai indicato dovrei dimensionare (magari anche a spanne come ha fatto Isidoro) R e C..
Non è detto che lo devi comprare, puoi realizzarlo da te con componenti normali e sperimentare, anche strumentalmente, quello che meglio si adatta al tuo caso, così puoi verificare se i calcoli sono corretti.
