ridurre tensione
Moderatori:
carloc,
g.schgor,
BrunoValente,
IsidoroKZ
6 messaggi
• Pagina 1 di 1
0
voti
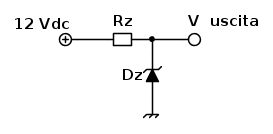
per utilizzzare il diodo zener occorre considerare anche l'ordine di grandezza dell'intensità di corrente che dovrà stabilizzare e verrà prelevata ai suoi capi, il valore della
si determina.

per la realizzazione il circuito è molto semplice
dove:
Vcc è il valore in volt della tensione di alimentazione, Vz è la tensione del diodo zener, Iu è il valore in Ampere dell'intensità di corrente di uscita, ed Iz è il valore dell'intensità di corrente del diodo zener.
si determina.
per la realizzazione il circuito è molto semplice
dove:
Vcc è il valore in volt della tensione di alimentazione, Vz è la tensione del diodo zener, Iu è il valore in Ampere dell'intensità di corrente di uscita, ed Iz è il valore dell'intensità di corrente del diodo zener.
Ultima modifica di
carloc il 16 ott 2011, 10:20, modificato 1 volta in totale.
Motivazione: refuso nel segno al denominatore della formula
Motivazione: refuso nel segno al denominatore della formula
0
voti
carmen976 ha scritto:è possibile ridurre la tensione da 12Vdc a 9Vdc usando zener da 9V, resistenza da 37 Ohm e condensatore da 470uF ?
Si`, se lo zener e` almeno da 1W e il carico assorbe meno di 75mA. Dove trovi le resistenze da 37ohm?
Per usare proficuamente un simulatore, bisogna sapere molta più elettronica di lui
Plug it in - it works better!
Il 555 sta all'elettronica come Arduino all'informatica! (entrambi loro malgrado)
Se volete risposte rispondete a tutte le mie domande
Plug it in - it works better!
Il 555 sta all'elettronica come Arduino all'informatica! (entrambi loro malgrado)
Se volete risposte rispondete a tutte le mie domande
1
voti
argento ha scritto:Il condensatore che utilità avrebbe?
il condensatore dovrebbe trovarsi a monte del resistore limitatore del diodo zener,o meglio è parte del circuito di raddrizzamento-livellamento di tensione che poi andrà ad alimentare il resistore e quindi il diodo zener, nel caso a monte la tensione di alimentazione vnga fornita da un alimentatore lineare, dopo il diodo zener il condensatore elettrolitico non lo vedo anch'io..
6 messaggi
• Pagina 1 di 1
Chi c’è in linea
Visitano il forum: Nessuno e 125 ospiti

Elettrotecnica e non solo (admin)
Un gatto tra gli elettroni (IsidoroKZ)
Esperienza e simulazioni (g.schgor)
Moleskine di un idraulico (RenzoDF)
Il Blog di ElectroYou (webmaster)
Idee microcontrollate (TardoFreak)
PICcoli grandi PICMicro (Paolino)
Il blog elettrico di carloc (carloc)
DirtEYblooog (dirtydeeds)
Di tutto... un po' (jordan20)
AK47 (lillo)
Esperienze elettroniche (marco438)
Telecomunicazioni musicali (clavicordo)
Automazione ed Elettronica (gustavo)
Direttive per la sicurezza (ErnestoCappelletti)
EYnfo dall'Alaska (mir)
Apriamo il quadro! (attilio)
H7-25 (asdf)
Passione Elettrica (massimob)
Elettroni a spasso (guidob)
Bloguerra (guerra)






