Cos'è ElectroYou | Login Iscriviti

ElectroYou - la comunità dei professionisti del mondo elettrico

guadagno sperimentale di un circuito vs. guadagno teorico

Elettronica lineare e digitale: didattica ed applicazioni

Moderatori: Foto Utentecarloc, Foto Utenteg.schgor, Foto UtenteBrunoValente, Foto UtenteIsidoroKZ

0
voti

[1] guadagno sperimentale di un circuito vs. guadagno teorico

Messaggioda Foto Utentegiulia87 » 16 ott 2011, 17:12

Ciao a tutti
ho testato un circuito su bread-board e ho ricavato una curva sperimentale del guadagno del circuito, dando in ingresso diverse frequenze con un generatore di funzioni. Il diagramma di Bode del modulo del guadagno sperimentale segue il profilo di quello teorico (simulato) ma è un po' più basso (ad esempio guadagno 800 al posto di 900)..Volevo sapere da qualcuno che è avvezzo a quest test elettrici se è normale imbattersi in questo risultato quando si passa da Spice alla realtà?
ho misurato con multimetro tutti i valori delle resistenze che concorrono a determinare il guadagno complessivo e combaciano con quelli nominali...

grazie :oops:
Avatar utente
Foto Utentegiulia87
125 1 2 7
Stabilizzato
Stabilizzato
 
Messaggi: 393
Iscritto il: 14 apr 2011, 21:47

0
voti

[2] Re: guadagno sperimentale di un circuito vs. guadagno teoric

Messaggioda Foto Utenteg.schgor » 16 ott 2011, 18:51

Una differenza del 10% mi sembra eccessiva.
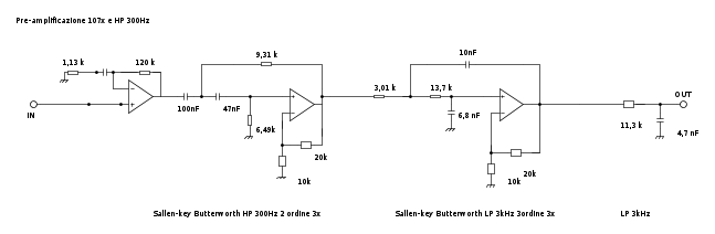
Puoi indicarci lo schema del circuito in prova?
Avatar utente
Foto Utenteg.schgor
57,8k 9 12 13
G.Master EY
G.Master EY
 
Messaggi: 16971
Iscritto il: 25 ott 2005, 9:58
Località: MILANO

0
voti

[3] Re: guadagno sperimentale di un circuito vs. guadagno teoric

Messaggioda Foto Utentegiulia87 » 16 ott 2011, 19:41

Avatar utente
Foto Utentegiulia87
125 1 2 7
Stabilizzato
Stabilizzato
 
Messaggi: 393
Iscritto il: 14 apr 2011, 21:47

0
voti

[4] Re: guadagno sperimentale di un circuito vs. guadagno teoric

Messaggioda Foto UtenteBeppe82 » 16 ott 2011, 20:03

ma l'ampiezza del segnale di test? non è che semplicemente stai saturando in uscita? inoltre un 107X potrebbe essere elevato per qualche operazionale, dicci la sigla dei componenti che hai usato!
per finire potrebbe risultare utile sapere di + sul setup di test, come hai generato il segnale di test e come lo hai misurato?

come linea guida generale poi proverei i singoli blocchi per isolare il problema
Avatar utente
Foto UtenteBeppe82
128 1 1 4
Frequentatore
Frequentatore
 
Messaggi: 133
Iscritto il: 2 ott 2011, 17:01

0
voti

[5] Re: guadagno sperimentale di un circuito vs. guadagno teoric

Messaggioda Foto Utentegiulia87 » 16 ott 2011, 20:16

il segnale di test è sinusoidale ampio circa 12 mV...non ho saturazione, alimento con alimentatore da banco a +/- 17 V...(nella realtà avrò segnali ampi 200 uV massimo e quindi alimenterò anche a meno di 5 V, solo che non posso scendere a tali ampiezze col mio generatore da banco) :cry:

l'opamp usato è opa134pa.... il prodotto guadagno banda (8 MHz) dovrebbe essere sufficiente per guadagnare di un fattore 107..)

set-up sperimentale: sonda del generatore di funzione in input e sonda dell'oscilloscopio in uscita..salvo input e output su un PC, faccio lo spettro dei segnali, prendo il modulo dello spettro in corrispondenza della frequenza di interesse e calcolo il guadagno come rapporto tra il modulo dell'output e dell'input..
Avatar utente
Foto Utentegiulia87
125 1 2 7
Stabilizzato
Stabilizzato
 
Messaggi: 393
Iscritto il: 14 apr 2011, 21:47

0
voti

[6] Re: guadagno sperimentale di un circuito vs. guadagno teoric

Messaggioda Foto UtenteBeppe82 » 16 ott 2011, 20:25

ho controllato il DS dell'op-amp e nella banda che ti interessa dovrebbe garantirti l'amplificazione. altri problemi evidenti non ne ho visti, se anche le capacità fossero fuori tolleranza avresti spostamenti delle frequenze, non del guadagno.

piuttosto non ho capito se il segnale di test lo misuri o dai per scontato che sia 12 mV

un'ulteriore questione potrebbe essere la presenza della resistenza di uscita del passa basso che potrebbe dare fastidio se l'impedenza dello strumento di misura fosse non sufficientemente alta

edit: ma l'ampiezza del segnale la intendi picco picco?
Avatar utente
Foto UtenteBeppe82
128 1 1 4
Frequentatore
Frequentatore
 
Messaggi: 133
Iscritto il: 2 ott 2011, 17:01

0
voti

[7] Re: guadagno sperimentale di un circuito vs. guadagno teoric

Messaggioda Foto Utentegiulia87 » 16 ott 2011, 21:33

per ampiezza del segnale intendo la metà del picco-picco... lo misuro connettendo l'uscita del generatore di funzioni all'oscilloscopio e poi, tramite una connessione a T, anche all'ingresso del circuito...

come impedenza di ingresso dell'oscilloscopio ho selezionato 1 Mohm...

non capisco dove sia il problema quindi... :cry:
Avatar utente
Foto Utentegiulia87
125 1 2 7
Stabilizzato
Stabilizzato
 
Messaggi: 393
Iscritto il: 14 apr 2011, 21:47

0
voti

[8] Re: guadagno sperimentale di un circuito vs. guadagno teoric

Messaggioda Foto UtenteBeppe82 » 16 ott 2011, 21:43

ah io ho esaurito le idee
come ultima prova puoi fare come ti ho consigliato prima isolare i vari pezzi e vedere come si comportano
Avatar utente
Foto UtenteBeppe82
128 1 1 4
Frequentatore
Frequentatore
 
Messaggi: 133
Iscritto il: 2 ott 2011, 17:01

0
voti

[9] Re: guadagno sperimentale di un circuito vs. guadagno teoric

Messaggioda Foto UtenteTardoFreak » 16 ott 2011, 21:47

Che tolleranze hanno i componenti, quelli reali intendo dire (suppongo l' 1%)?
"La follia sta nel fare sempre la stessa cosa aspettandosi risultati diversi".
"Parla soltanto quando sei sicuro che quello che dirai è più bello del silenzio".
Rispondere è cortesia, ma lasciare l'ultima parola ai cretini è arte.
Avatar utente
Foto UtenteTardoFreak
73,9k 8 12 13
-EY Legend-
-EY Legend-
 
Messaggi: 15754
Iscritto il: 16 dic 2009, 11:10
Località: Torino - 3° pianeta del Sistema Solare

0
voti

[10] Re: guadagno sperimentale di un circuito vs. guadagno teoric

Messaggioda Foto Utentegiorgio25760 » 16 ott 2011, 21:53

Hai offset in ingresso oppure in uscita ?

Il generatore è esattamente simmetrico come offset ?

Non hai detto che forma d'onda hai in ingresso....


Ciao
Giorgio
Avatar utente
Foto Utentegiorgio25760
2.310 1 3 5
G.Master EY
G.Master EY
 
Messaggi: 1700
Iscritto il: 6 dic 2009, 17:02
Località: Brescia

Prossimo

Torna a Elettronica generale

Chi c’è in linea

Visitano il forum: Nessuno e 64 ospiti