Riguardo ai parametri forse hai confuso la corrente di collettore con il valore di prova, perché io dal
datasheet leggo che

è di

. Un dettaglio:
raffys88 ha scritto:Veb=5V
Se si para di tensione positiva tra base ed emettitore, si scrive

. L'ordine delle iniziali dei morsetti è importante per referenziare correttamente la tensione. Secondo la nomenclatura che hai scritto tu si dovrebbe scrivere

.
Questo link da parte di RS ti è utile per conoscere gli altri parametri di un transistore bipolare.
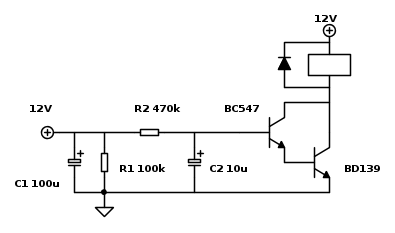
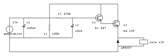
raffys88 ha scritto:Secondo voi fila questo ragionamento???
Purtroppo no e nemmeno il circuito

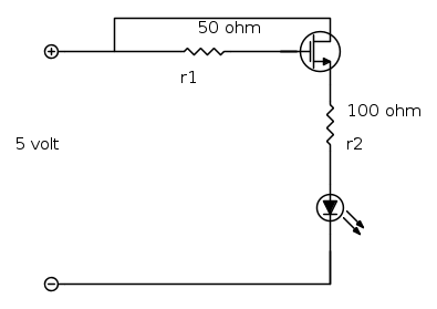
Facendo un esempio con un bipolare, io procedo così.

e si vuole alimentare il LED ad

ed in questo caso

.
Al calcolo bisogna anche tenere in mente la caduta di tensione tra collettore ed emettitore del transistore, in questo caso

(riportata nel datasheet) perché il transistore per essere completamente acceso deve lavorare in saturazione, quindi

, ma

vanno benissimo lo stesso, anzi, forse è meglio..
Dunque, se

, dal datasheet uso il valore minimo di

uguale a 40 quindi la corrente di base necessaria è

Per calcolare la resistenza di base devi tenere conto della

e sempre il datasheet ci dice che è di Max.

ed io uso quel valore di riferimento.

si potrebbe usare un valore di

o

ma io la metterei anche di

, in ogni caso leggermente più piccola per essere sicuro che si comporti meglio come interruttore.
È buona abitudine aggiungere un resistore di pull-down di un valore più elevato rispetto a

sul morsetto della base. Questo per assicurarsi che il transistore sia spento in mancanza di segnale in ingresso. Io solitamente ne metto una all'incirca 2 o 3 volte più grande se non di più. In questo caso potresti benissimo metterne una da

.
Per sapere se il transistore va bene per questa applicazione bisogna anche assicurarsi che riesca a dissipare la potenza richiesta e per tanto che non si rompa. Il transistore dissiperà

, in questo caso visto che dovrebbe essere in saturazione prendo come riferimento (sempre dal datasheet)

quindi

, direi che siamo dentro i valori massimi e quindi va bene.
Se non hai capito bene l'esempio ed il funzionamento, spero che
questo tutorial possa venirti incontro nel capire meglio.
