da
marco438 » 15 nov 2011, 14:31
Per non creare ulteriori confusioni, devi immaginare che il tuo trasformatore 12.0.12, sia formato da due trasformatori separati un capo dei quali e' unito per effettuare un collegamento in serie:
Nell'esempio, ho unito con un tratto azzurro i due trasformatori separati per farti meglio capire.
Quindi se con il tester in portata "tensione alternata" misuri i due estremi in alto ed in basso, devi leggere 24VAC ( o qualcosa in piu').
Se al contrario fai la misura tra il polo "alto" e quello centrale ( o basso e centrale) la lettura sara' di 12VAC.
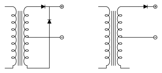
Se ora andiamo a collegare il ponte raddrizzatore o i diodi, otterremo la seguente configurazione:
e visto che sul ponte sono applicati 24VAC, sui terminali piu' e meno di uscita, dovresti leggere 31,866 VCC, cosi' come risulta dal seguente calcolo

Spero di essere stato abbastanza esauriente.