Lo schema dovrebbe essere corretto... Se il cicalino è da 3V non mi sembra una ottima idea alimentarlo a 9V..
Sei sicuro di aver collegato correttamente i terminali del transistore? Hai un tester?
Ritardare accensione cicalino
Moderatori:
carloc,
g.schgor,
BrunoValente,
IsidoroKZ
0
voti
allora ho controllato tutti i collegamenti e sono come da schema , infatti il cicalino inizia a suonare a singhiozzo dopo circa 5 secondi , niente suona a singhiozzo non continuamente
ti dico come ho collegato il transistor
è collegata al buzzer +
|c
|
D-----b collegato alla resistenza 1k che a sua volta è saldata al pin 3
|
| e
è collegata alla resistenza da 10k che a sua volta è collegata al pin 4 - 8
ti dico come ho collegato il transistor
è collegata al buzzer +
|c
|
D-----b collegato alla resistenza 1k che a sua volta è saldata al pin 3
|
| e
è collegata alla resistenza da 10k che a sua volta è collegata al pin 4 - 8
-

CavaliereSbullonato
43 6 - Frequentatore

- Messaggi: 173
- Iscritto il: 18 ott 2011, 17:16
0
voti
Quanti V ci sono sull'alimentazione? Non hai un tester? Se vuoi lavorare con i circuiti te ne serve uno, si o si, non ci sono opzioni...
Hai dati più precisi sul cicalino? Se è da 3V e gli hai dato una tensione di alimentazione di circa 9V molto probabilmente lo hai fritto, immagino
In alternativa io farei una prova con un LED. Ne hai uno? Hai un resistore? Se si, di che valore è la sua resistenza?
Se hai montato il circuito così com'è seguendo il pinout del datasheet, ed il LED si accende, il problema non è il circuito, è il cicalino.
Se neanche il LED si accende il problema è la tensione di alimentazione, e se fosse sotto i 4.5V (che già è il limite minimo, ossia già è poco) il 555 non si può accendere e di conseguenza molto probabilmente anche il transistore..
Se il LED si accende, però poco e la corrente non è quella voluta, l'alimentazione non è sufficiente...
Infine, serve un tester..
Hai dati più precisi sul cicalino? Se è da 3V e gli hai dato una tensione di alimentazione di circa 9V molto probabilmente lo hai fritto, immagino
In alternativa io farei una prova con un LED. Ne hai uno? Hai un resistore? Se si, di che valore è la sua resistenza?
Se hai montato il circuito così com'è seguendo il pinout del datasheet, ed il LED si accende, il problema non è il circuito, è il cicalino.
Se neanche il LED si accende il problema è la tensione di alimentazione, e se fosse sotto i 4.5V (che già è il limite minimo, ossia già è poco) il 555 non si può accendere e di conseguenza molto probabilmente anche il transistore..
Se il LED si accende, però poco e la corrente non è quella voluta, l'alimentazione non è sufficiente...
Infine, serve un tester..
0
voti
allora il cicalino funziona tranquillamente ancora , ti volevo chiedere se riesci a farmi un disegno di come vanno messi i pezzi sul chip , ma non lo schema proprio coi collegamenti
ho sostituito il led al cicalino ma non si accende però il cicalino fa il singhiozzo
PS:ho 50 valori di condensatori ceramici , 10 valori di condensatori elettrolitici , e tutti i valori delle resistenza più comuni , ho un po' di bc 557 pnp e bc 554 npn
ho sostituito il led al cicalino ma non si accende però il cicalino fa il singhiozzo
PS:ho 50 valori di condensatori ceramici , 10 valori di condensatori elettrolitici , e tutti i valori delle resistenza più comuni , ho un po' di bc 557 pnp e bc 554 npn
-

CavaliereSbullonato
43 6 - Frequentatore

- Messaggi: 173
- Iscritto il: 18 ott 2011, 17:16
0
voti
Non me ne volere, ma involontariamente quello è un oscillatore ed io sono un rincoglionito, e come ho fatto a non vederlo...
CI sono due soluzioni.
1) Se scolleghi il pin 7 da dove l'hai messo, il cicalino si accende dopo circa 4s..
2) Invece di scollegare il pin 7, scolleghi il pin 2 da dove lo hai messo, e cambi lo schema così:
Che è decisamente quello che avrei dovuto postare ed hai un ritardo di 5s, ed è molto meglio.
Insultami pure. Hai tutto il diritto di farlo, così mi assumo la responsabilità per la mia disattenzione e la smetto di fare le cose di fretta..
Sono desolato.
CI sono due soluzioni.
1) Se scolleghi il pin 7 da dove l'hai messo, il cicalino si accende dopo circa 4s..
2) Invece di scollegare il pin 7, scolleghi il pin 2 da dove lo hai messo, e cambi lo schema così:
Che è decisamente quello che avrei dovuto postare ed hai un ritardo di 5s, ed è molto meglio.
Insultami pure. Hai tutto il diritto di farlo, così mi assumo la responsabilità per la mia disattenzione e la smetto di fare le cose di fretta..
Sono desolato.
1
voti
lol non fa niente errare è umano , ora provo a scollegare il pin 7 e vedere che succede , tanto ormai questo chip è andato XD
eventualmente rifaccio il circuito da zero
eventualmente rifaccio il circuito da zero
-

CavaliereSbullonato
43 6 - Frequentatore

- Messaggi: 173
- Iscritto il: 18 ott 2011, 17:16
0
voti
non te la prendere ma a me sempre a singhiozzo sta facendo , ho scollegato il pin due e aggiungo il condensatore - 1uf che si collega alla gamba - del condensatore 470uf ed alla resistenza da 10k che si collega al pin 7
una curiosità , ma i pin 6 e 7 posso unirli con un punto di saldatura invece che metterci un cavetto ?
perché io prima li avevo piegati vicini e saldati poi ho visto la resistenza che si collegava al pin 7 e li scollegati , collegato la resistenza al pin 7 e dato un punto di stagno fra il pin 6 e 7 per collegarli
una curiosità , ma i pin 6 e 7 posso unirli con un punto di saldatura invece che metterci un cavetto ?
perché io prima li avevo piegati vicini e saldati poi ho visto la resistenza che si collegava al pin 7 e li scollegati , collegato la resistenza al pin 7 e dato un punto di stagno fra il pin 6 e 7 per collegarli
-

CavaliereSbullonato
43 6 - Frequentatore

- Messaggi: 173
- Iscritto il: 18 ott 2011, 17:16
0
voti
CavaliereSbullonato ha scritto:ho scollegato il pin due e aggiungo il condensatore
Buongiorno,
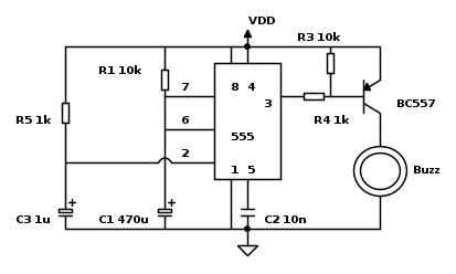
Nel caso peggiore, ossia l'1, non è il pin 2 che devi scollegare ma il 7. Questo perché il condensatore si carica e si scarica attraverso quel pin, quindi involontariamente è un oscillatore con un grande duty cycle.
Ieri sera quando sono tornato a casa l'ho montato su bredboard 5 minuti e mi sono arrabbiato con me stesso, perché era ed è la cosa più giusta.
Nel caso 1 descritto prima il condensatore arriva ai 2/3 di VDD in N secondi, il pin 2 passa a stato logico alto e l'uscita va basso.. Ma non è quello ottimale, a me non piace
La soluzione migliore è quella che ho corretto, riprovata per sicurezza stanotte prima di andare a dormire, e funziona come deve funzionare.
Il pin 8 e 4 li colleghi assieme all'alimentazione.
Il pin 1 a GND.
Il pin 5 va al condensatore da 10n
Il pin 6 e 7 li colleghi assieme tra la R da 10K ed il condensatore da 470uF
Il pin 2 lo colleghi tra la R da 1K e l'elettrolitico da 1u.
Non mi devi ringraziare, sono io che ringrazio te per la tua pazienza. Per me è come una responsabilità.
PS: usa gli zoccoli per saldare, se vai con il saldatore pin a pin il componente è molto facile che lo rovini ed a circuito acceso non funziona bene.. A me è successo con il mio primo circuito.. Prima saldi lo zoccolo e poi metti il componente.
Se pensi che sia più conveniente montarlo da zero fai così.
0
voti
ok ho capito qualcosa in più , ti volevo chiedere se hai ancora tutto montato sulla breadboard riusciresti a fare una foto e mostrarmela , perché ormai ho il cervello in pappa sono andato a letto alle 4 stanotte dopo prove su prove non riesco più a ragionare
-

CavaliereSbullonato
43 6 - Frequentatore

- Messaggi: 173
- Iscritto il: 18 ott 2011, 17:16
0
voti
Certo. I miei circuiti su breadboard non sono delle opere d'arte, specie se fatti all'una e mezza di notte.. Sono ad alta risoluzione, ne ho fatte più di una e spero siano apprezzabili (mi riferisco al montaggio).
Come vedrai, per il pin 2 ho usato una R da 220 ed un condensatore da 100u (al momento avevo quelli in mano), ma è un dettaglio che in questo caso con quei valori non influisce sul comportamento del circuito, cambia solo la costante di tempo di carica del condensatore sul pin 2, ossia, che quello dello schema va bene (se ti senti più sicuro C3 mettilo da 10uF), è un circuito che già ho montato in precendeza, ho "solo" fatto confusione con quello passato per rincoglionito che sono.
Immagine1
Immagine2
Immagine3
Immagine4

Come vedrai, per il pin 2 ho usato una R da 220 ed un condensatore da 100u (al momento avevo quelli in mano), ma è un dettaglio che in questo caso con quei valori non influisce sul comportamento del circuito, cambia solo la costante di tempo di carica del condensatore sul pin 2, ossia, che quello dello schema va bene (se ti senti più sicuro C3 mettilo da 10uF), è un circuito che già ho montato in precendeza, ho "solo" fatto confusione con quello passato per rincoglionito che sono.
Immagine1
Immagine2
Immagine3
Immagine4

Chi c’è in linea
Visitano il forum: Nessuno e 59 ospiti

Elettrotecnica e non solo (admin)
Un gatto tra gli elettroni (IsidoroKZ)
Esperienza e simulazioni (g.schgor)
Moleskine di un idraulico (RenzoDF)
Il Blog di ElectroYou (webmaster)
Idee microcontrollate (TardoFreak)
PICcoli grandi PICMicro (Paolino)
Il blog elettrico di carloc (carloc)
DirtEYblooog (dirtydeeds)
Di tutto... un po' (jordan20)
AK47 (lillo)
Esperienze elettroniche (marco438)
Telecomunicazioni musicali (clavicordo)
Automazione ed Elettronica (gustavo)
Direttive per la sicurezza (ErnestoCappelletti)
EYnfo dall'Alaska (mir)
Apriamo il quadro! (attilio)
H7-25 (asdf)
Passione Elettrica (massimob)
Elettroni a spasso (guidob)
Bloguerra (guerra)
