Ciao a tutti! Sono un novellino sia del sito che in elettrotecnica e vorrei sapere ( ringrazio in anticipo ) come svolgere una rete in regime sinusoidale! E poi se, ad esempio, avessi due generatori in una rete, uno di corrente e un altro di tensione con pulsazione diversa, tipo in quello di corrente è 2 ed in quello di tensione è 1 cosa accadrebbe? se se poi i due generatori:
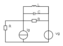
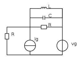
ig = 25 cos(2t)
vg= 20 sen(t)
devo portarli tutti e due in coseno ed in seno? se si come? Penso che dovri sottrarre all'argomento del seno 90° per averlo in coseno no?
Ringrazio tutti per la disponibilità!
Esercizio in regime sinusoidale
Moderatori:
g.schgor,
IsidoroKZ
8 messaggi
• Pagina 1 di 1
0
voti
0
voti
ciao,
così d'istinto: il problema di seno e coseno non dovresti fartelo, se non sbaglio ti sei risposto solo.
la cosa più inquietante sembra la diversa pulsazione. non ho mai fatto esercizi del tipo, ma penso che nell'ipotesi di circuito lineare, tu possa applicare la sovrapposizione degli effetti. Le forme d'onda che troverai (tensioni o correnti ai capi dei bipoli della rete) dovrebbero essere la somma delle forme d'onda che i singoli generatori forniscono quando agiscono soli.
Se hai un esempio, tipo esercizio o roba simile, postalo (con Fidocad, qualsiasi altro modo comporta la fucilazione
)
Inoltre aspetta qualche altro parere.. spesso le sparo.. ma qualche volta ci azzecco
così d'istinto: il problema di seno e coseno non dovresti fartelo, se non sbaglio ti sei risposto solo.
la cosa più inquietante sembra la diversa pulsazione. non ho mai fatto esercizi del tipo, ma penso che nell'ipotesi di circuito lineare, tu possa applicare la sovrapposizione degli effetti. Le forme d'onda che troverai (tensioni o correnti ai capi dei bipoli della rete) dovrebbero essere la somma delle forme d'onda che i singoli generatori forniscono quando agiscono soli.
Se hai un esempio, tipo esercizio o roba simile, postalo (con Fidocad, qualsiasi altro modo comporta la fucilazione
Inoltre aspetta qualche altro parere.. spesso le sparo.. ma qualche volta ci azzecco

2
voti
Si, si applica la sovrapposizione degli effetti... però è chiaro che la somma deve essere effettuata nel dominio del tempo e non in quello fasoriale, in cui la pulsazione è sottointesa nella definizione del fasore, e quindi non esplicita 
EDIT: per cui, studi la rete nel dominio fasoriale sotto l'effetto di un generatore, ottieni la funzione di rete che è richiesta, antitrasformi nel dominio del tempo. Idem per l'effetto del secondo generatore. Infine sommi le forme d'onda.
EDIT: per cui, studi la rete nel dominio fasoriale sotto l'effetto di un generatore, ottieni la funzione di rete che è richiesta, antitrasformi nel dominio del tempo. Idem per l'effetto del secondo generatore. Infine sommi le forme d'onda.
"Lo scienziato descrive ciò che esiste, l'ingegnere crea ciò che non era mai stato."
(T. von Kármán)
(T. von Kármán)
0
voti
grazie mille a tutti e due! ma ho letto che per applicare qualsiasi metodo tutti i generatori indipendenti devono funzionare alla stessa pulsazione ω e il circuito comprende solo elementi lineari! Ora prendo un esmpio
0
voti
RenzoDF ha scritto:ThENort ha scritto:... ma ...
Con questo ma dimostri di non aver letto bene la risposta dijordan20
Ehm si scusa......dopo che applico la sovrapposzione degli effetti così otterrò due relazioni della stessa quantità, giusto? e poi sommando tutte e due trovo quella finale che serve a me?
EDIT:
con ig e vg di quell'esempio! Se ad esmpio volessi calcolare la corrente sulla R posta in parallelo con L e C?
0
voti
sommando tutte e due trovo quella finale che serve a me?
non devi sommare i fasori, ma devi sommare le forme d'onda.
Per sport ti posto la somma di due sinusoidi dove una ha pulsazione doppia rispetto all'altra:
by SpeQ
by SpeQ
by SpeQ
Edit RenzoDF: scusa lillo del "Messaggio pubblicitario"
Edit lillo: scuse accettate

8 messaggi
• Pagina 1 di 1
Torna a Elettrotecnica generale
Chi c’è in linea
Visitano il forum: Nessuno e 99 ospiti

Elettrotecnica e non solo (admin)
Un gatto tra gli elettroni (IsidoroKZ)
Esperienza e simulazioni (g.schgor)
Moleskine di un idraulico (RenzoDF)
Il Blog di ElectroYou (webmaster)
Idee microcontrollate (TardoFreak)
PICcoli grandi PICMicro (Paolino)
Il blog elettrico di carloc (carloc)
DirtEYblooog (dirtydeeds)
Di tutto... un po' (jordan20)
AK47 (lillo)
Esperienze elettroniche (marco438)
Telecomunicazioni musicali (clavicordo)
Automazione ed Elettronica (gustavo)
Direttive per la sicurezza (ErnestoCappelletti)
EYnfo dall'Alaska (mir)
Apriamo il quadro! (attilio)
H7-25 (asdf)
Passione Elettrica (massimob)
Elettroni a spasso (guidob)
Bloguerra (guerra)




