Ritardare accensione cicalino
Moderatori:
carloc,
g.schgor,
BrunoValente,
IsidoroKZ
0
voti
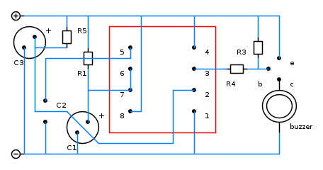
Come promesso ti ho disegnato lo schema:
E' stato fatto volutamente "un po' piu' grande dell'originale" per permetterti di capire bene quali siano le connessioni da fare.
Come puoi vedere, ho disegnato in nero tutti i componenti che dovrai saldare sulla millefori in quella posizione(piu' o meno).
Una volta saldati i componenti, seguendo le linee disegnate in azzurro, dovrai fare i vari collegamenti cosi' come indicato, servendoti di spezzoni di filo telefonico (quello rigido) privato della guaina in plastica.
Per evitare incroci tra i fili, a volte le connessioni passano attraverso i terminali di altri componenti (condensatori) oppure sotto dell'integrato; ho comunque fatto in modo (valutando le dimensioni) che possano passarci.
Spero di esserti stato utile e che tu possa finalmente portare a termine con successo il tuo progetto.

E' stato fatto volutamente "un po' piu' grande dell'originale" per permetterti di capire bene quali siano le connessioni da fare.
Come puoi vedere, ho disegnato in nero tutti i componenti che dovrai saldare sulla millefori in quella posizione(piu' o meno).
Una volta saldati i componenti, seguendo le linee disegnate in azzurro, dovrai fare i vari collegamenti cosi' come indicato, servendoti di spezzoni di filo telefonico (quello rigido) privato della guaina in plastica.
Per evitare incroci tra i fili, a volte le connessioni passano attraverso i terminali di altri componenti (condensatori) oppure sotto dell'integrato; ho comunque fatto in modo (valutando le dimensioni) che possano passarci.
Spero di esserti stato utile e che tu possa finalmente portare a termine con successo il tuo progetto.

marco
0
voti
magnifico grazie infinite non mi resta che comprare il millefori adatto e provare con il tuo schema , non so come ringraziarvi sia il tuo schema pratico che lo schema concettuale creato apposta per il mio quesito da gohan
-

CavaliereSbullonato
43 6 - Frequentatore

- Messaggi: 173
- Iscritto il: 18 ott 2011, 17:16
0
voti
funziona però mi da un ritardo di 18 secondi con la atteria da 9v e più di un minuto con i 3v , devo mettere un condensatore minore di 470 uf ?
-

CavaliereSbullonato
43 6 - Frequentatore

- Messaggi: 173
- Iscritto il: 18 ott 2011, 17:16
0
voti
Se hai montato il tutto con i valori dello schema, dovrebbe funzionare.
Con 3V, se quel 555 ha una alimentazione minima di 4.5, non credo funzioni come si deve.
I valori sono corretti ed il circuito è provato, penso che il problema sia dovuto all'alimentazione della batteria, ma controlla anche che i collegamenti che hai fatto siano tutti corretti.
Con 3V, se quel 555 ha una alimentazione minima di 4.5, non credo funzioni come si deve.
I valori sono corretti ed il circuito è provato, penso che il problema sia dovuto all'alimentazione della batteria, ma controlla anche che i collegamenti che hai fatto siano tutti corretti.
0
voti
Penso che dovresti deciderti per quanto attiene l'alimentazione.
Se non dai una tensione stabile e sufficiente (con meno di 4.5 il 555 non va), non e' nemmeno possibile un eventuale intervento su C3 per variare il ritardo.
Tra l'altro [user]gohan[/user] ha testato il circuito, quindi......

Se non dai una tensione stabile e sufficiente (con meno di 4.5 il 555 non va), non e' nemmeno possibile un eventuale intervento su C3 per variare il ritardo.
Tra l'altro [user]gohan[/user] ha testato il circuito, quindi......

marco
0
voti
vi dico subito l'unica cosa che ho messo in modo diverso dallo schema , il condensatore ceramico nello schema viene posizionato appena dopo il condendatore da 1uf io l'ho messo dopo il condensatore da 470 , potrebbe essere quello ?
-

CavaliereSbullonato
43 6 - Frequentatore

- Messaggi: 173
- Iscritto il: 18 ott 2011, 17:16
Chi c’è in linea
Visitano il forum: Nessuno e 257 ospiti

Elettrotecnica e non solo (admin)
Un gatto tra gli elettroni (IsidoroKZ)
Esperienza e simulazioni (g.schgor)
Moleskine di un idraulico (RenzoDF)
Il Blog di ElectroYou (webmaster)
Idee microcontrollate (TardoFreak)
PICcoli grandi PICMicro (Paolino)
Il blog elettrico di carloc (carloc)
DirtEYblooog (dirtydeeds)
Di tutto... un po' (jordan20)
AK47 (lillo)
Esperienze elettroniche (marco438)
Telecomunicazioni musicali (clavicordo)
Automazione ed Elettronica (gustavo)
Direttive per la sicurezza (ErnestoCappelletti)
EYnfo dall'Alaska (mir)
Apriamo il quadro! (attilio)
H7-25 (asdf)
Passione Elettrica (massimob)
Elettroni a spasso (guidob)
Bloguerra (guerra)


