Ciao
Premetto che è la prima volta che scrivo e mi sono avvicinato all'elettronica da poco tempo.
Ho un problema di questo tipo:
Devo interfacciarmi ad un modulo RTX della Aurel (XTR-7020A) utilizzando la seriale del PC.
Ovviamente mi server il MAX232 per convertire i segnali RS232 del PC ai valori seriali TTL del modulo Aurel.
Domanda: ma posso alimentare secondo voi il MAX232 con una tensione di 3.3 volt per far si di poter alimentare con la stessa tensione sia MAX232 che il modulo RTX? (ovviamente mi devo adattare al modulo Aurel che non supporta più di 3.9 V)
Riuscite a darmi qualche consiglio?
Grazie mille in anticipo
PS:
sul datasheet c'e' scritto che come Vcc si prevedono valori tra 4.5 e 5.5 V , come posso allora adattare la tensione al MAX232 al modulo Aurel?
domanda su MAX232
Moderatori:
carloc,
g.schgor,
BrunoValente,
IsidoroKZ
3 messaggi
• Pagina 1 di 1
0
voti
io ho usato diverse volte il max232 fuori specifica alimentandolo a 3,3 volt e funziona senza problemi, credo per il fatto che l'equivalente lato PC è MOLTO tollerante sui livelli di tensione
1
voti
In effetti la RSR232 del PC è da sempre molto tollerante.
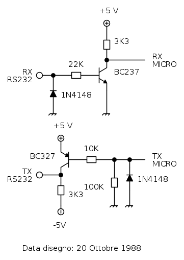
Vent' anni fa mi interfacciavo con le seriali del PC tramite una RS232 -5/+5V. I -5V li ottenevo tramite un ICL7660 e l' interfaccia era questa. Sono andato a recuperare lo schema disegnato con il plotter nel mio raccoglitore dove tengo gli schemi dei lavori realizzati in gioventù.
Vent' anni fa mi interfacciavo con le seriali del PC tramite una RS232 -5/+5V. I -5V li ottenevo tramite un ICL7660 e l' interfaccia era questa. Sono andato a recuperare lo schema disegnato con il plotter nel mio raccoglitore dove tengo gli schemi dei lavori realizzati in gioventù.
"La follia sta nel fare sempre la stessa cosa aspettandosi risultati diversi".
"Parla soltanto quando sei sicuro che quello che dirai è più bello del silenzio".
Rispondere è cortesia, ma lasciare l'ultima parola ai cretini è arte.
"Parla soltanto quando sei sicuro che quello che dirai è più bello del silenzio".
Rispondere è cortesia, ma lasciare l'ultima parola ai cretini è arte.
-

TardoFreak
73,9k 8 12 13 - -EY Legend-

- Messaggi: 15754
- Iscritto il: 16 dic 2009, 11:10
- Località: Torino - 3° pianeta del Sistema Solare
3 messaggi
• Pagina 1 di 1
Chi c’è in linea
Visitano il forum: Nessuno e 71 ospiti

Elettrotecnica e non solo (admin)
Un gatto tra gli elettroni (IsidoroKZ)
Esperienza e simulazioni (g.schgor)
Moleskine di un idraulico (RenzoDF)
Il Blog di ElectroYou (webmaster)
Idee microcontrollate (TardoFreak)
PICcoli grandi PICMicro (Paolino)
Il blog elettrico di carloc (carloc)
DirtEYblooog (dirtydeeds)
Di tutto... un po' (jordan20)
AK47 (lillo)
Esperienze elettroniche (marco438)
Telecomunicazioni musicali (clavicordo)
Automazione ed Elettronica (gustavo)
Direttive per la sicurezza (ErnestoCappelletti)
EYnfo dall'Alaska (mir)
Apriamo il quadro! (attilio)
H7-25 (asdf)
Passione Elettrica (massimob)
Elettroni a spasso (guidob)
Bloguerra (guerra)


