ora il problema è che collegando il suddetto amplificatore a questo alimentatore ci sono disturbi enormi roba da far tremare i vetri, gia sapevo che avrei avuto disturbi sul audio ma credevo molto piu accettabili (prima l'amplificatore era alimentato da un alimentatore per PC anche esso switching ma non dava grossi disturbi), quindi vendo al dunque a me servirebbe se possibile un modo per diminuire questi disturbi magari senza spendere molto
Eliminare disturbi corrente continua da switching
Moderatore:
IsidoroKZ
44 messaggi
• Pagina 1 di 5 • 1, 2, 3, 4, 5
0
voti
siccome mi sono trovato a dover acquistare un alimentatore per il mio impianto in casa (amplificatore da 400w rms da auto) e non avendo un grosso budget di spesa ho dovuto acquistare uno switching da 30a sulla baya...
ora il problema è che collegando il suddetto amplificatore a questo alimentatore ci sono disturbi enormi roba da far tremare i vetri, gia sapevo che avrei avuto disturbi sul audio ma credevo molto piu accettabili (prima l'amplificatore era alimentato da un alimentatore per PC anche esso switching ma non dava grossi disturbi), quindi vendo al dunque a me servirebbe se possibile un modo per diminuire questi disturbi magari senza spendere molto
ora il problema è che collegando il suddetto amplificatore a questo alimentatore ci sono disturbi enormi roba da far tremare i vetri, gia sapevo che avrei avuto disturbi sul audio ma credevo molto piu accettabili (prima l'amplificatore era alimentato da un alimentatore per PC anche esso switching ma non dava grossi disturbi), quindi vendo al dunque a me servirebbe se possibile un modo per diminuire questi disturbi magari senza spendere molto
-

Aiutonadio
0 1 2 - Utente disattivato per decisione dell'amministrazione proprietaria del sito
- Messaggi: 43
- Iscritto il: 22 ago 2009, 12:19
0
voti
Devi filtrare abbastanza pesantemente l'uscita del tuo alimentatore e prestare attenzione alle "masse" e alle "terre"
Poi c'è da capire quanto vorresti spendere... giusto per avere una idea
Luca
Poi c'è da capire quanto vorresti spendere... giusto per avere una idea
Luca0
voti
spendere il meno possibile, non ho idea di quanto possa costare una cosa del genere, comunque se mi dici piu precisamente cosa devo fare e magari con quali componenti sarebbe meglio perché di elettronica capisco veramente poco 
-

Aiutonadio
0 1 2 - Utente disattivato per decisione dell'amministrazione proprietaria del sito
- Messaggi: 43
- Iscritto il: 22 ago 2009, 12:19
0
voti
La scelta dei componenti va fatta con un certo ragionamento, e determinati calcoli...
Bisogna sapere tante cose, a partire dalla corrente che eroga l'alimentatore, o se preferisci da quanto consuma il carico, la tensione di lavoro... e la frequenza di switching (commutazione) dell'alimentatore...
Per quanto riguarda il costo, dovresti poter comprare dei condensatori validi così come degli induttori.... il cui costo è direttamente proporzionale a quanta corrente e tensione sono sottoposti, e alla frequenza da filtrare ecc ecc....
EDIT: oppure se i calcoli te lo permettono e il denaro scarseggia... usi materiali di recupero, ad esempio da vecchi ATX rotti o inutilizzati
Bisogna sapere tante cose, a partire dalla corrente che eroga l'alimentatore, o se preferisci da quanto consuma il carico, la tensione di lavoro... e la frequenza di switching (commutazione) dell'alimentatore...
Per quanto riguarda il costo, dovresti poter comprare dei condensatori validi così come degli induttori.... il cui costo è direttamente proporzionale a quanta corrente e tensione sono sottoposti, e alla frequenza da filtrare ecc ecc....
EDIT: oppure se i calcoli te lo permettono e il denaro scarseggia... usi materiali di recupero, ad esempio da vecchi ATX rotti o inutilizzati
0
voti
la frequenza a cui lavora fuori non c'è scritta purtroppo
e non so nemmeno come vederla il carico è circa 25A ai massimi regimi , il modello del alimentatore è fdps-350a ma non sono riuscito a trovare gli Hz nemmeno sul web
-

Aiutonadio
0 1 2 - Utente disattivato per decisione dell'amministrazione proprietaria del sito
- Messaggi: 43
- Iscritto il: 22 ago 2009, 12:19
0
voti
25 A non sono pochi... la tensione di lavoro???
Per la frequenza di switching potresti "misurarla" in un modo che definirlo misura farà inc...
DirtyDeeds e anche altri, però se disponi di un analizzatore di spettro puoi fare un tentativo... almeno per avere una idea...
Oppure tenti di reperire da una fonte diversa questo dato...
In ogni caso quello che dovresti realizzare si tratta di un filtro a pi greco... così magari intanto dai una guardata su google per capire di che si tratta
Per la frequenza di switching potresti "misurarla" in un modo che definirlo misura farà inc...
Oppure tenti di reperire da una fonte diversa questo dato...
In ogni caso quello che dovresti realizzare si tratta di un filtro a pi greco... così magari intanto dai una guardata su google per capire di che si tratta
0
voti
tensione di lavoro deve rimanere tra i 12v e i 13v (sul alimentatore c'è il trimmer per regolarla quindi al massimo la aggiusto dopo)
di strumenti non ho nulla se non il multimetro, di solito mi occupo solo di computer e installazione di impianti audio sulle macchine quindi non ho strumentazione di quel tipo
di strumenti non ho nulla se non il multimetro, di solito mi occupo solo di computer e installazione di impianti audio sulle macchine quindi non ho strumentazione di quel tipo
-

Aiutonadio
0 1 2 - Utente disattivato per decisione dell'amministrazione proprietaria del sito
- Messaggi: 43
- Iscritto il: 22 ago 2009, 12:19
0
voti
Capisco, allora la vedo dura fare un intervento mirato.... potresti però "sperare" nella buona sorte...
Se vuoi spendere poco, o nulla... potresti fare un circuto semplice con un induttore e 2 condensatori che smonterai da uno alimentatore ATX vecchio o non utilizzato (io per una cosa simile lo avevo reperito all'azienda municipalizzata della mia città...) e vedere, o meglio sentire se e quali effetti ha prodotto... ma il risultato non è assicurato, però se hai un po' di tempo non si sa mai
Due consigli, anzi tre:
1- i condensatori recuperali se in buono stato almeno visivamente... non devono essere bozzati o bombati, ne tantomento "scaldati"... inutile dire che devi verificare la tensione di lavoro. Per il valore... beh dipende da quello che trovi
infine attento a non invertire la polarità, esplodono
2- gli induttori non devono essere visivamente "sofferti" (anneriti o bruciacchiati o cose simili), DEVONO AVERE IL FILO SMALTATO a parte dove ovviamente dovrai saldare, il diametro del filo deve essere in grado si trasportare 25A e il nucleo anche, cioè non deve saturare altrimenti forse fai piu danno che altro
3- se hai dubbi o altro, prima di cimentarti chiedi qui...
Un filtro a pi greco sai come farlo? hai trovato qualcosa in merito?

Se vuoi spendere poco, o nulla... potresti fare un circuto semplice con un induttore e 2 condensatori che smonterai da uno alimentatore ATX vecchio o non utilizzato (io per una cosa simile lo avevo reperito all'azienda municipalizzata della mia città...) e vedere, o meglio sentire se e quali effetti ha prodotto... ma il risultato non è assicurato, però se hai un po' di tempo non si sa mai
Due consigli, anzi tre:
1- i condensatori recuperali se in buono stato almeno visivamente... non devono essere bozzati o bombati, ne tantomento "scaldati"... inutile dire che devi verificare la tensione di lavoro. Per il valore... beh dipende da quello che trovi
2- gli induttori non devono essere visivamente "sofferti" (anneriti o bruciacchiati o cose simili), DEVONO AVERE IL FILO SMALTATO a parte dove ovviamente dovrai saldare, il diametro del filo deve essere in grado si trasportare 25A e il nucleo anche, cioè non deve saturare altrimenti forse fai piu danno che altro
3- se hai dubbi o altro, prima di cimentarti chiedi qui...
Un filtro a pi greco sai come farlo? hai trovato qualcosa in merito?

0
voti
stavo cercando ma non è che c'ho ho capito molto, per i condenzatori condensatori ho giusto un alimentatore su un PC da portare in discarica
linduttore l'induttore cosa sarebbe? 
-

Aiutonadio
0 1 2 - Utente disattivato per decisione dell'amministrazione proprietaria del sito
- Messaggi: 43
- Iscritto il: 22 ago 2009, 12:19
1
voti
Aiutonadio ha scritto:...per i condenzatori... linduttore cosa sarebbe?
Si dice condensatori, con la s
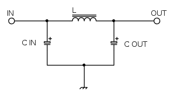
L'induttore, sarebbe un filo avvolto in spire su di un nucleo ferromagnetico, o per certe applicazioni anche in aria.
Puoi vederne un esempio da qui.
Il filtro in questione è così composto:
44 messaggi
• Pagina 1 di 5 • 1, 2, 3, 4, 5
Torna a Elettronica e spettacolo
Chi c’è in linea
Visitano il forum: Google Adsense [Bot] e 10 ospiti

Elettrotecnica e non solo (admin)
Un gatto tra gli elettroni (IsidoroKZ)
Esperienza e simulazioni (g.schgor)
Moleskine di un idraulico (RenzoDF)
Il Blog di ElectroYou (webmaster)
Idee microcontrollate (TardoFreak)
PICcoli grandi PICMicro (Paolino)
Il blog elettrico di carloc (carloc)
DirtEYblooog (dirtydeeds)
Di tutto... un po' (jordan20)
AK47 (lillo)
Esperienze elettroniche (marco438)
Telecomunicazioni musicali (clavicordo)
Automazione ed Elettronica (gustavo)
Direttive per la sicurezza (ErnestoCappelletti)
EYnfo dall'Alaska (mir)
Apriamo il quadro! (attilio)
H7-25 (asdf)
Passione Elettrica (massimob)
Elettroni a spasso (guidob)
Bloguerra (guerra)
