Eliminare disturbi corrente continua da switching
Moderatore:
IsidoroKZ
44 messaggi
• Pagina 3 di 5 • 1, 2, 3, 4, 5
0
voti
marco438 ha scritto:belva87 non mi sembra pero' che nei post precedenti tu abbia fornito dati circa le caratteristiche dell'induttanza.
Io non ho l'induttanza in questione, e non saprei come calcolare se non so la frequenza del disturbo da eliminare... stiamo facendo un tentativo con componenti recuperati da ATX... un cosa un po' alla cieca, o quasi...
Sinceramente non ho ben capito cosa vuoi dire con questo post...
Per il diretto interessato, puoi fare una prova, non so quanto sia significativa però.... in ogni caso, se dovessi provare non andrei oltre 2A... magari regola il volume guardando il consumo che misuri in serie con un multimetro...
In ogni caso 0.8mm per 25A anche per un uso sporadico e limitato nel tempo NON vanno bene, ti serve qualcosa di più consistente. Ho controllato ora nel mio ATX che o fritto un mese fa (ancora mi piange il cuore) e sul ramo della 3.3V il filo è di 1.97mm misurato con il calibro al nonio, perciò direi 2.0mm .... non male direi anche se personalmente preferirei qualcosa di più.
Per l'induttore "multifilo", anche detto "a Litz" (o come si scrive
0
voti
ritorno dalla prova, il condensatore era 470uf non 47 xd avevo sbagliato a scrivere ho comunque messo quello e il rumore è diminuito ma ancora non ci siamo nel alimentatore guardando meglio noto che ho un condensatore da 47 uf (non 470 sta volta
) però da 50 volt...
dici che mettendo quello in CIN migliorerà?
dici che mettendo quello in CIN migliorerà?
-

Aiutonadio
0 1 2 - Utente disattivato per decisione dell'amministrazione proprietaria del sito
- Messaggi: 43
- Iscritto il: 22 ago 2009, 12:19
0
voti
belva87 ha scritto:... stiamo facendo un tentativo con componenti recuperati da ATX... un cosa un po' alla cieca, o quasi...
Sinceramente non ho ben capito cosa vuoi dire con questo post...Spiegami per favore...
Al post 17 hai pubblicato uno schema di massima e spiegato a [user]ToniaAudio[/user] qualcosa circa i condensatori da impiegare senza pero' soffermarti sull'induttanza.
Quindi sono intervenuto in quanto, considerando la preparazione di quest'utlimo, non credo sia in grado di dimensionarla.
marco
0
voti
Difatti ho evitato apposta... ache perché non abbiamo dati sufficienti per il dimensionamento dell'induttanza...
Mi sono perciò limitato a dire due cose base e che possono essere verificate senza calcoli, o comunque senza calcoli troppo complicati o procedimenti "strumentali" che non superino il tester e un calibro ad esempio la sezione del filo per quanto riguarda la corrente che la deve attraversare, e la corrente di saturazione dell'induttanza che non è proprio semplice ma si può tentare di "arrivarci" guardando le dimensioni e la geometria del nucleo in ferrite e, sperando che i cinesi siano stati buoni dato che si avvicina il natale
, aiutarsi ancora con il "colore" identificativo del nucleo...
Quindi non saprei che altro dire attualmente, non sappiamo la frequenza del disturbo, ne quella di commutazione... e il nostro amico non ha modo di reperirla o di "misurarla".... perciò la vedo dura almeno per me dimensionare un filtro LC "ad arte" ...
Io dovevo filtrare il "casino" di un alternatore auto sull'alimentazione della PlayStation 3 (montata da un amico nella sua auto "tuning") e avevo risolto senza conti... e martoriando un ATX "mezzo cotto"
ma di certo le correnti in gioco non sono minimamente paragonabili...e nemmeno le frequenze credo... però se siamo arrivati fin qui, significa che il nostro amico vuole tentare, infondo tentar non nuoce
da parte mia il "disclamer" l'ho fatto al post 8.
Infine ho prestato un po' più di attenzione sui condensatori perché personalmente li reputo più "pericolosi" dell'induttore per la salute del nostro amico, dato che afferma di non essere ferrato in materia... tutto qui.
Invito il diretto interessato (non so se si è capito ma non mi ricordo il nick
) a postare delle fotografie di quello che ha reperito o che vorrebbe impiegare proprio per i motivi detti sopra, mi sto riferendo all'induttanza.
Mi sono perciò limitato a dire due cose base e che possono essere verificate senza calcoli, o comunque senza calcoli troppo complicati o procedimenti "strumentali" che non superino il tester e un calibro ad esempio la sezione del filo per quanto riguarda la corrente che la deve attraversare, e la corrente di saturazione dell'induttanza che non è proprio semplice ma si può tentare di "arrivarci" guardando le dimensioni e la geometria del nucleo in ferrite e, sperando che i cinesi siano stati buoni dato che si avvicina il natale
Quindi non saprei che altro dire attualmente, non sappiamo la frequenza del disturbo, ne quella di commutazione... e il nostro amico non ha modo di reperirla o di "misurarla".... perciò la vedo dura almeno per me dimensionare un filtro LC "ad arte" ...
Io dovevo filtrare il "casino" di un alternatore auto sull'alimentazione della PlayStation 3 (montata da un amico nella sua auto "tuning") e avevo risolto senza conti... e martoriando un ATX "mezzo cotto"
Infine ho prestato un po' più di attenzione sui condensatori perché personalmente li reputo più "pericolosi" dell'induttore per la salute del nostro amico, dato che afferma di non essere ferrato in materia... tutto qui.
Invito il diretto interessato (non so se si è capito ma non mi ricordo il nick
0
voti
ToniaAudio ha scritto:ritorno dalla prova...
Comè andata? come hai eseguito la prova? hai misurato l'assorbimento?
In ogni caso non aumentare CIN con quel condensatore, non è buono... o meglio diciamo che è meno indicato dei condensatori da 16V di cui hai parlato, inoltre 47uF in parallelo a 470uF è poca roba... la soluzione è usare anche l'induttore e il condensatore di filtro COUT, li hai usati nella prova?
0
voti
belva87 ha scritto:Comè andata? come hai eseguito la prova? hai misurato l'assorbimento?
come detto la situazione è leggermente migliorata però non ci siamo ancora, io ho montato il filtro come da tuo schema però con il cin da 470 invece che 47, l'assorbimento non l'ho misurato ma ho tenuto per pochissimo tempo e bassissimo acceso l'ampli...
-

Aiutonadio
0 1 2 - Utente disattivato per decisione dell'amministrazione proprietaria del sito
- Messaggi: 43
- Iscritto il: 22 ago 2009, 12:19
0
voti
Su più di qualche schema visto su siti DIY, ove si faceva MOD su
alimentatori switching per uso audio, ho visto questo tipo di
configurazione (non uso switching , quindi riporto solo cio che
ho visto) .
alimentatori switching per uso audio, ho visto questo tipo di
configurazione (non uso switching , quindi riporto solo cio che
ho visto) .
0
voti
Il tuo schema non è chiarissomo XStreme, in ogni caso sicuramente in filtro LC saràpiù efficace di impiegare solo i condensatori... poi ovviamente dipende da che applicazione dovevano fare quei signori con tale schema, e dal loro setup.
ToniaAudio, hai detto di aver fatto la prova, hai montato il filtro... con l'induttore recuperato o solo condensatori?
Posta un schema in fidocad di quello che hai realizzato così non ci perdiamo in un bicchier d'acqua...
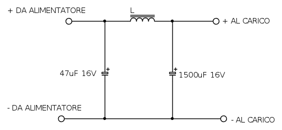
Per completezza riporto lo schema che dovresti implementare, nel caso non l'avessi già fatto... se si, vedi sopra e poi ne parliamo.
Luca.
PS: in ogni caso usare gli switching, sopratutto se non ben fatti, in campo audio è "sempre" una rogna... (XStreme e non solo possono confermare credo...) però qualcosa si può tentare di fare, ed è quello che stiamo tentando...
ToniaAudio, hai detto di aver fatto la prova, hai montato il filtro... con l'induttore recuperato o solo condensatori?
Posta un schema in fidocad di quello che hai realizzato così non ci perdiamo in un bicchier d'acqua...
Per completezza riporto lo schema che dovresti implementare, nel caso non l'avessi già fatto... se si, vedi sopra e poi ne parliamo.
Luca. PS: in ogni caso usare gli switching, sopratutto se non ben fatti, in campo audio è "sempre" una rogna... (XStreme e non solo possono confermare credo...) però qualcosa si può tentare di fare, ed è quello che stiamo tentando...
44 messaggi
• Pagina 3 di 5 • 1, 2, 3, 4, 5
Torna a Elettronica e spettacolo
Chi c’è in linea
Visitano il forum: Nessuno e 19 ospiti

Elettrotecnica e non solo (admin)
Un gatto tra gli elettroni (IsidoroKZ)
Esperienza e simulazioni (g.schgor)
Moleskine di un idraulico (RenzoDF)
Il Blog di ElectroYou (webmaster)
Idee microcontrollate (TardoFreak)
PICcoli grandi PICMicro (Paolino)
Il blog elettrico di carloc (carloc)
DirtEYblooog (dirtydeeds)
Di tutto... un po' (jordan20)
AK47 (lillo)
Esperienze elettroniche (marco438)
Telecomunicazioni musicali (clavicordo)
Automazione ed Elettronica (gustavo)
Direttive per la sicurezza (ErnestoCappelletti)
EYnfo dall'Alaska (mir)
Apriamo il quadro! (attilio)
H7-25 (asdf)
Passione Elettrica (massimob)
Elettroni a spasso (guidob)
Bloguerra (guerra)



