Salve a tutti,
Ho dei dubbi su un esercizio che è il seguente:
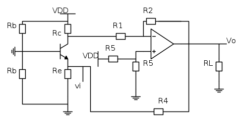
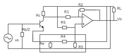
Allora provo ad analizzare il circuio brevemente. In questo esercizio ho un Base Comune a canale N e un Amp-OP Invertente in configurazione differenziale, cioè questo amplificatore amplifica la differenza degli ingressi. Come si può vedere ho già corto circuitato tutti i condesatori rispetto allo schema originale. Ora la mia domanda è la seguente.la retroazione, è giusto pensarla in questo modo, cioè introducendo R5?
In questo caso poi avrei una retroazione serie-parallelo e poi potrei andare avanti con l'esercizio.
Scusandomi in anticipo per eventuali errori e distrazioni (magari anche gravi) ringrazio per l'aiuto!!
Di seguito ho anche allegato il testo originale.
Dubbi Amp-Op e Retroazione
Moderatori:
carloc,
g.schgor,
BrunoValente,
IsidoroKZ
18 messaggi
• Pagina 1 di 2 • 1, 2
-1
voti
Nessuno sà dirmi se sbaglio e in caso affermativo, dove e come?
0
voti
Qualcuno che sa risponderti c'è sicuramente, ma non si può pretendere che ti dia una risposta nelle poche ore intercorse tra i due messaggi: ognuno risponde in base a voglia e tempo disponibile.
Innanzitutto, un BJT non ha canale: quello del circuito è un BJT NPN.
Le due
, con la retroazione, non hanno nulla a che fare: servono per la polarizzazione, applicando un potenziale costante al terminale non invertente dell'opamp. Facendo il circuito dinamico, il terminale non invertente risulta semplicemente connesso a 0 V (supponendo l'opamp ideale). Nel secondo circuito, poi, la posizione della sorgente mi sembra completamente sbagliata.
sbartoc ha scritto:ho un Base Comune a canale N
Innanzitutto, un BJT non ha canale: quello del circuito è un BJT NPN.
sbartoc ha scritto:la retroazione, è giusto pensarla in questo modo, cioè introducendo R5?
Le due
, con la retroazione, non hanno nulla a che fare: servono per la polarizzazione, applicando un potenziale costante al terminale non invertente dell'opamp. Facendo il circuito dinamico, il terminale non invertente risulta semplicemente connesso a 0 V (supponendo l'opamp ideale). Nel secondo circuito, poi, la posizione della sorgente mi sembra completamente sbagliata.It's a sin to write
instead of
(Anonimo).
...'cos you know that
ain't
, right?
You won't get a sexy tan if you write
in lieu of
.
Take a log for a fireplace, but don't take
for
arithm.
instead of
(Anonimo)....'cos you know that
ain't
, right?You won't get a sexy tan if you write
in lieu of
.Take a log for a fireplace, but don't take
for
arithm.-

DirtyDeeds
55,9k 7 11 13 - G.Master EY

- Messaggi: 7012
- Iscritto il: 13 apr 2010, 16:13
- Località: Somewhere in nowhere
0
voti
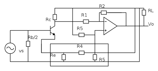
Non volevo ne essere scortese o arrogante , ma pensavo che la domanda fosse relativamente "facile" per questo ho messo quel post,sono qui per imparare o capire i miei errori e non pretendo nulla da nessuno.Tuttavia si la sorgente ho sbagliato a metterla visto che la Vin e da tutt'altra parte. .
0
voti
Ah, scusa una domanda, nel caso non fosse reale l'Amp-Op, come avrei dovuto ragionare?
0
voti
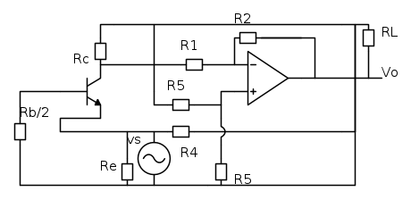
Parli di Vin e poi metti Vs nello schema. E anche il collegamento dalle parti dell'uscita mi pare sbagliato.
Fai lo schema giusto, togliendo anche tutti i contributi continui, poi domani sera ti rispondo (prima no perche' non ho tempo).
Universita` di Padova?
Fai lo schema giusto, togliendo anche tutti i contributi continui, poi domani sera ti rispondo (prima no perche' non ho tempo).
Universita` di Padova?
Per usare proficuamente un simulatore, bisogna sapere molta più elettronica di lui
Plug it in - it works better!
Il 555 sta all'elettronica come Arduino all'informatica! (entrambi loro malgrado)
Se volete risposte rispondete a tutte le mie domande
Plug it in - it works better!
Il 555 sta all'elettronica come Arduino all'informatica! (entrambi loro malgrado)
Se volete risposte rispondete a tutte le mie domande
0
voti
Inizia a farlo corretto con l'opamp ideale, come ti chiede il testo
Nel circuito che hai fatto mancano la designazione del riferimento e un po' di semplificazioni che ti aiuterebbero a vedere le cose più chiaramente: per esempio, le due
sono in parallelo. Poi, se come sorgente metti un generatore ideale di tensione, direi che di retroazione non ne rimane molta 
Nel circuito che hai fatto mancano la designazione del riferimento e un po' di semplificazioni che ti aiuterebbero a vedere le cose più chiaramente: per esempio, le due
sono in parallelo. Poi, se come sorgente metti un generatore ideale di tensione, direi che di retroazione non ne rimane molta It's a sin to write
instead of
(Anonimo).
...'cos you know that
ain't
, right?
You won't get a sexy tan if you write
in lieu of
.
Take a log for a fireplace, but don't take
for
arithm.
instead of
(Anonimo)....'cos you know that
ain't
, right?You won't get a sexy tan if you write
in lieu of
.Take a log for a fireplace, but don't take
for
arithm.-

DirtyDeeds
55,9k 7 11 13 - G.Master EY

- Messaggi: 7012
- Iscritto il: 13 apr 2010, 16:13
- Località: Somewhere in nowhere
1
voti
Con il generatore di tensione cambia uno dei guadagni di anello, ma
rimane per l'effetto sulla 
rimane per l'effetto sulla 
Per usare proficuamente un simulatore, bisogna sapere molta più elettronica di lui
Plug it in - it works better!
Il 555 sta all'elettronica come Arduino all'informatica! (entrambi loro malgrado)
Se volete risposte rispondete a tutte le mie domande
Plug it in - it works better!
Il 555 sta all'elettronica come Arduino all'informatica! (entrambi loro malgrado)
Se volete risposte rispondete a tutte le mie domande
0
voti
Mi sono accorto di una cosa, all'ingresso io non ho un due porte, perché su un terminale entra la corrente
e in un altro esce la corrente
. So che in un BJT a canale N
è circa uguale ad
dato che
e quindi
e di conseguenza
è nell'ordine dei nano ampere. Quindi, vado per la mia strada pensando di avere un due porte normale, oppure ho un "approsimazione" di un due porte e mi devo comportare diversamente?perché in caso affermativo dovrei aggiungere dei generatori ßfif e ßfib, almeno così mi hanno insegnato..
e in un altro esce la corrente
. So che in un BJT a canale N
è circa uguale ad
dato che
e quindi
e di conseguenza
è nell'ordine dei nano ampere. Quindi, vado per la mia strada pensando di avere un due porte normale, oppure ho un "approsimazione" di un due porte e mi devo comportare diversamente?perché in caso affermativo dovrei aggiungere dei generatori ßfif e ßfib, almeno così mi hanno insegnato..0
voti
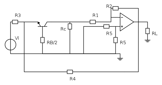
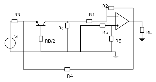
Allora ho rifatto l'esercizio mettendo il Base Comune un po' meglio evidenziando così l'ingresso e la retroazione
Dal precedente schema posso dire che la R3 è da considerare come una resistenza di sorgente e tale da non inserire nella rete di retroazione la quale è composta da R4. La retroazione di tipo PARALLELO-PARALLELO. So che le due R5 sono in parallelo ma per il momento non mi interessava semplificarle..Spero di non aver fatto grossi errori..
Dal precedente schema posso dire che la R3 è da considerare come una resistenza di sorgente e tale da non inserire nella rete di retroazione la quale è composta da R4. La retroazione di tipo PARALLELO-PARALLELO. So che le due R5 sono in parallelo ma per il momento non mi interessava semplificarle..Spero di non aver fatto grossi errori..
18 messaggi
• Pagina 1 di 2 • 1, 2
Chi c’è in linea
Visitano il forum: Nessuno e 72 ospiti

Elettrotecnica e non solo (admin)
Un gatto tra gli elettroni (IsidoroKZ)
Esperienza e simulazioni (g.schgor)
Moleskine di un idraulico (RenzoDF)
Il Blog di ElectroYou (webmaster)
Idee microcontrollate (TardoFreak)
PICcoli grandi PICMicro (Paolino)
Il blog elettrico di carloc (carloc)
DirtEYblooog (dirtydeeds)
Di tutto... un po' (jordan20)
AK47 (lillo)
Esperienze elettroniche (marco438)
Telecomunicazioni musicali (clavicordo)
Automazione ed Elettronica (gustavo)
Direttive per la sicurezza (ErnestoCappelletti)
EYnfo dall'Alaska (mir)
Apriamo il quadro! (attilio)
H7-25 (asdf)
Passione Elettrica (massimob)
Elettroni a spasso (guidob)
Bloguerra (guerra)





